Умение читать электросхемы – это важная составляющая, без которой невозможно стать специалистом в области электромонтажных работ. Каждый начинающий электрик обязательно должен знать, как обозначаются на проекте электропроводки розетки, выключатели, коммутационные аппараты и даже счетчик электроэнергии в соответствии с ГОСТ. Далее мы предоставим читателям сайта условные обозначения в электрических схемах, как графические, так и буквенные.
Графические
Что касается графического обозначения всех элементов, используемых на схеме, этот обзор мы предоставим в виде таблиц, в которых изделия будут сгруппированы по назначению.
В первой таблице Вы можете увидеть, как отмечены электрические коробки, щиты, шкафы и пульты на электросхемах:
Следующее, что Вы должны знать – условное обозначение питающих розеток и выключателей (в том числе проходных) на однолинейных схемах квартир и частных домов:

Что касается элементов освещения, светильники и лампы по ГОСТу указывают следующим образом:


В более сложных схемах, где применяются электродвигатели, могут указываться такие элементы, как:

Также полезно знать, как графически обозначаются трансформаторы и дроссели на принципиальных электросхемах:

Электроизмерительные приборы по ГОСТу имеют следующее графические обозначение на чертежах:

А вот, кстати, полезная для начинающих электриков таблица, в которой показано, как выглядит на плане электропроводки контур заземления, а также сама силовая линия:

Помимо этого на схемах Вы можете увидеть волнистую либо прямую линию, «+» и «-», которые указывают на род тока, напряжение и форму импульсов:

В более сложных схемах автоматизации Вы можете встретить непонятные графические обозначения, вроде контактных соединений. Запомните, как обозначаются этим устройства на электросхемах:


Помимо этого Вы должны быть в курсе, как выглядят радиоэлементы на проектах (диоды, резисторы, транзисторы и т.д.):

Вот и все условно графические обозначения в электрических схемах силовых цепей и освещения. Как уже сами убедились, составляющих довольно много и запомнить, как обозначается каждый можно только с опытом. Поэтому рекомендуем сохранить себе все эти таблицы, чтобы при чтении проекта планировки проводки дома либо квартиры Вы могли сразу же определить, что за элемент цепи находится в определенном месте.
Интересное видео
В этой статье мы рассмотрим обозначение радиоэлементов на схемах.
С чего начать чтение схем?
Для того, чтобы научиться читать схемы, первым делом, мы должны изучить как выглядит тот или иной радиоэлемент в схеме. В принципе ничего сложного в этом нет. Вся соль в том, что если в русской азбуке 33 буквы, то для того, чтобы выучить обозначения радиоэлементов, придется неплохо постараться.
До сих пор весь мир не может договориться, как обозначать тот или иной радиоэлемент либо устройство. Поэтому, имейте это ввиду, когда будете собирать буржуйские схемы. В нашей статье мы будем рассматривать наш российский ГОСТ-вариант обозначения радиоэлементов
Изучаем простую схему
Ладно, ближе к делу. Давайте рассмотрим простую электрическую схему блока питания, которая раньше мелькала в любом советском бумажном издании:
Если вы не первый день держите паяльник в руках, то для вас с первого взгляда сразу все станет понятно. Но среди моих читателей есть и те, кто впервые сталкивается с подобными чертежами. Поэтому, эта статья в основном именно для них.
Ну что же, давайте ее анализировать.
В основном, все схемы читаются слева-направо, точно также, как вы читаете книгу. Всякую разную схему можно представить в виде отдельного блока, на который мы что-то подаем и с которого мы что-то снимаем. Здесь у нас схема блока питания, на который мы подаем 220 Вольт из розетки вашего дома, а выходит уже с нашего блока постоянное напряжение . То есть вы должны понимать, какую основную функцию выполняет ваша схема. Это можно прочесть в описании к ней.
Как соединяются радиоэлементы в схеме
Итак, вроде бы определились с задачей этой схемы. Прямые линии – это провода, либо печатные проводники, по которым будет бежать электрический ток . Их задача – соединять радиоэлементы.

Точка, где соединяются три и более проводников, называется узлом. Можно сказать, в этом месте проводки спаиваются:

Если пристально вглядеться в схему, то можно заметить пересечение двух проводников

Такое пересечение будет часто мелькать в схемах. Запомните раз и навсегда: в этом месте провода не соединяются и они должны быть изолированы друг от друга. В современных схемах чаще всего можно увидеть вот такой вариант, который уже визуально показывает, что соединения между ними отсутствует:
Здесь как бы один проводок сверху огибает другой, и они никак не контактируют между собой.
Если бы между ними было соединение, то мы бы увидели вот такую картину:
Буквенное обозначение радиоэлементов в схеме
Давайте еще раз рассмотрим нашу схему.
Как вы видите, схема состоит из каких-то непонятных значков. Давайте разберем один из них. Пусть это будет значок R2.

Итак, давайте первым делом разберемся с надписями. R – это значит . Так как у нас он не единственный в схеме, то разработчик этой схемы дал ему порядковый номер “2”. В схеме их целых 7 штук. Радиоэлементы в основном нумеруются слева-направо и сверху-вниз. Прямоугольник с чертой внутри уже явно показывает, что это постоянный резистор с мощностью рассеивания в 0,25 Ватт. Также рядом с ним написано 10К, что означает его номинал в 10 Килоом. Ну как-то вот так…
Как же обозначаются остальные радиоэлементы?
Для обозначения радиоэлементов используются однобуквенные и многобуквенные коды. Однобуквенные коды – это группа, к которой принадлежит тот или иной элемент. Вот основные группы радиоэлементов:
А – это различные устройства (например, усилители)
В – преобразователи неэлектрических величин в электрические и наоборот. Сюда могут относиться различные микрофоны, пьезоэлементы, динамики и тд. Генераторы и источники питания сюда не относятся.
С – конденсаторы
D – схемы интегральные и различные модули
E – разные элементы, которые не попадают ни в одну группу
F – разрядники, предохранители, защитные устройства
H – устройства индикации и сигнальные устройства, например, приборы звуковой и световой индикации
K – реле и пускатели
L – катушки индуктивности и дроссели
M – двигатели
Р – приборы и измерительное оборудование
Q – выключатели и разъединители в силовых цепях. То есть в цепях, где “гуляет” большое напряжение и большая сила тока
R – резисторы
S – коммутационные устройства в цепях управления, сигнализации и в цепях измерения
T – трансформаторы и автотрансформаторы
U – преобразователи электрических величин в электрические, устройства связи
V – полупроводниковые приборы
W – линии и элементы сверхвысокой частоты, антенны
X – контактные соединения
Y – механические устройства с электромагнитным приводом
Z – оконечные устройства, фильтры, ограничители
Для уточнения элемента после однобуквенного кода идет вторая буква, которая уже обозначает вид элемента. Ниже приведены основные виды элементов вместе с буквой группы:
BD – детектор ионизирующих излучений
BE – сельсин-приемник
BL – фотоэлемент
BQ – пьезоэлемент
BR – датчик частоты вращения
BS – звукосниматель
BV – датчик скорости
BA – громкоговоритель
BB – магнитострикционный элемент
BK – тепловой датчик
BM – микрофон
BP – датчик давления
BC – сельсин датчик
DA – схема интегральная аналоговая
DD – схема интегральная цифровая, логический элемент
DS – устройство хранения информации
DT – устройство задержки
EL – лампа осветительная
EK – нагревательный элемент
FA – элемент защиты по току мгновенного действия
FP – элемент защиты по току инерционнго действия
FU – плавкий предохранитель
FV – элемент защиты по напряжению
GB – батарея
HG – символьный индикатор
HL – прибор световой сигнализации
HA – прибор звуковой сигнализации
KV – реле напряжения
KA – реле токовое
KK – реле электротепловое
KM – магнитный пускатель
KT – реле времени
PC – счетчик импульсов
PF – частотомер
PI – счетчик активной энергии
PR – омметр
PS – регистрирующий прибор
PV – вольтметр
PW – ваттметр
PA – амперметр
PK – счетчик реактивной энергии
PT – часы
QF
QS – разъединитель
RK – терморезистор
RP – потенциометр
RS – шунт измерительный
RU – варистор
SA – выключатель или переключатель
SB – выключатель кнопочный
SF – выключатель автоматический
SK – выключатели, срабатывающие от температуры
SL – выключатели, срабатывающие от уровня
SP – выключатели, срабатывающие от давления
SQ – выключатели, срабатывающие от положения
SR – выключатели, срабатывающие от частоты вращения
TV – трансформатор напряжения
TA – трансформатор тока
UB – модулятор
UI – дискриминатор
UR – демодулятор
UZ – преобразователь частотный, инвертор, генератор частоты, выпрямитель
VD – диод , стабилитрон
VL – прибор электровакуумный
VS – тиристор
VT –
WA – антенна
WT – фазовращатель
WU – аттенюатор
XA – токосъемник, скользящий контакт
XP – штырь
XS – гнездо
XT – разборное соединение
XW – высокочастотный соединитель
YA – электромагнит
YB – тормоз с электромагнитным приводом
YC – муфта с электромагнитным приводом
YH – электромагнитная плита
ZQ – кварцевый фильтр
Графическое обозначение радиоэлементов в схеме
Постараюсь привести самые ходовые обозначения элементов, используемые в схемах:
Резисторы и их виды
а) общее обозначение
б) мощностью рассеяния 0,125 Вт
в) мощностью рассеяния 0,25 Вт
г) мощностью рассеяния 0,5 Вт
д) мощностью рассеяния 1 Вт
е) мощностью рассеяния 2 Вт
ж) мощностью рассеяния 5 Вт
з) мощностью рассеяния 10 Вт
и) мощностью рассеяния 50 Вт
Резисторы переменные
Терморезисторы
Тензорезисторы
Варисторы
Шунт
Конденсаторы
a) общее обозначение конденсатора
б) вариконд
в) полярный конденсатор
г) подстроечный конденсатор
д) переменный конденсатор
Акустика
a) головной телефон
б) громкоговоритель (динамик)
в) общее обозначение микрофона
г) электретный микрофон
Диоды
а) диодный мост
б) общее обозначение диода
в) стабилитрон
г) двусторонний стабилитрон
д) двунаправленный диод
е) диод Шоттки
ж) туннельный диод
з) обращенный диод
и) варикап
к) светодиод
л) фотодиод
м) излучающий диод в оптроне
н) принимающий излучение диод в оптроне
Измерители электрических величин
а) амперметр
б) вольтметр
в) вольтамперметр
г) омметр
д) частотомер
е) ваттметр
ж) фарадометр
з) осциллограф
Катушки индуктивности
а) катушка индуктивности без сердечника
б) катушка индуктивности с сердечником
в) подстроечная катушка индуктивности
Трансформаторы
а) общее обозначение трансформатора
б) трансформатор с выводом из обмотки
в) трансформатор тока
г) трансформатор с двумя вторичными обмотками (может быть и больше)
д) трехфазный трансформатор
Устройства коммутации
а) замыкающий
б) размыкающий
в) размыкающий с возвратом (кнопка)
г) замыкающий с возвратом (кнопка)
д) переключающий
е) геркон
Электромагнитное реле с разными группами контактов
Предохранители
а) общее обозначение
б) выделена сторона, которая остается под напряжением при перегорании предохранителя
в) инерционный
г) быстродействующий
д) термическая катушка
е) выключатель-разъединитель с плавким предохранителем
Тиристоры

Биполярный транзистор
Однопереходный транзистор
Как научиться читать принципиальные схемы
Те, кто только начал изучение электроники сталкиваются с вопросом: «Как читать принципиальные схемы?» Умение читать принципиальные схемы необходимо при самостоятельной сборке электронного устройства и не только. Что же представляет собой принципиальная схема? Принципиальная схема – это графическое представление совокупности электронных компонентов, соединённых токоведущими проводниками. Разработка любого электронного устройства начинается с разработки его принципиальной схемы.
Именно на принципиальной схеме показано, как именно нужно соединять радиодетали, чтобы в итоге получить готовое электронное устройство, которое способно выполнять определённые функции. Чтобы понять, что же изображено на принципиальной схеме нужно, во-первых знать условное обозначение тех элементов, из которых состоит электронная схема. У любой радиодетали есть своё условное графическое обозначение – УГО. Как правило, оно отображает конструктивное устройство или назначение. Так, например, условное графическое обозначение динамика очень точно передаёт реальное устройство динамика . Вот так динамик обозначается на схеме.

Согласитесь, очень похоже. Вот так выглядит условное обозначение резистора .

Обычный прямоугольник, внутри которого может указываться его мощность (В данном случае резистор мощностью 2 Вт, о чём свидетельствует две вертикальные черты). А вот таким образом обозначается обычный конденсатор постоянной ёмкости.

Это достаточно простые элементы. А вот полупроводниковые электронные компоненты, вроде транзисторов, микросхем, симисторов имеют куда более изощрённое изображение. Так, например, у любого биполярного транзистора не менее трёх выводов: база, коллектор, эмиттер. На условном изображении биполярного транзистора эти выводы изображены особым образом. Чтобы отличать на схеме резистор от транзистора, во-первых надо знать условное изображение этого элемента и, желательно, его базовые свойства и характеристики. Поскольку каждая радиодеталь уникальна, то в условном изображении графически может быть зашифрована определённая информация. Так, например, известно, что биполярные транзисторы могут иметь разную структуру: p-n-p или n-p-n. Поэтому и УГО транзисторов разной структуры несколько отличаются. Взгляните…

Поэтому, перед тем, как начать разбираться в принципиальных схемах, желательно познакомиться с радиодеталями и их свойствами. Так будет легче разобраться, что же всё-таки изображено на схеме.
На нашем сайте уже было рассказано о многих радиодеталях и их свойствах, а также их условном обозначении на схеме. Если забыли – добро пожаловать в раздел «Старт» .
Кроме условных изображений радиодеталей на принципиальной схеме указывается и другая уточняющая информация. Если внимательно посмотреть на схему, то можно заметить, что рядом с каждым условным изображением радиодетали стоят несколько латинских букв, например, VT, BA, C и др. Это сокращённое буквенное обозначение радиодетали. Сделано это для того, чтобы при описании работы или настройки схемы можно было ссылаться на тот или иной элемент. Не трудно заметь, что они ещё и пронумерованы, например, вот так: VT1, C2, R33 и т.д.
Понятно, что однотипных радиодеталей в схеме может быть сколь угодно много. Поэтому, чтобы упорядочить всё это и применяется нумерация. Нумерация однотипных деталей, например резисторов, ведётся на принципиальных схемах согласно правилу «И». Это конечно, лишь аналогия, но довольно наглядная. Взгляните на любую схему, и вы увидите, что однотипные радиодетали на ней пронумерованы начиная с левого верхнего угла, затем по порядку нумерация идёт вниз, а затем снова нумерация начинается сверху, а затем вниз и так далее. А теперь вспомните, как вы пишите букву «И». Думаю, с этим всё понятно.
Что же ещё рассказать о принципиальной схеме? А вот что. На схеме радом с каждой радиодеталью указывается её основные параметры или типономинал. Иногда эта информация выносится в таблицу, чтобы упростить для восприятия принципиальную схему. Например, рядом с изображением конденсатора, как правило, указывается его номинальная ёмкость в микрофарадах или пикофарадах. Также может указываться и номинальное рабочее напряжение, если это важно.
Рядом с УГО транзистора обычно указывается типономинал транзистора, например, КТ3107, КТ315, TIP120 и т.д. Вообще для любых полупроводниковых электронных компонентов вроде микросхем, диодов, стабилитронов, транзисторов указывается типономинал компонента, который предполагается для использования в схеме.
Для резисторов обычно указывается всего лишь его номинальное сопротивление в килоомах, омах или мегаомах. Номинальная мощность резистора шифруется наклонными чёрточками внутри прямоугольника. Также мощность резистора на схеме и на его изображении может и не указываться. Это означает, что мощность резистора может быть любой, даже самой малой, поскольку рабочие токи в схеме незначительны и их может выдержать даже самый маломощный резистор, выпускаемый промышленностью.
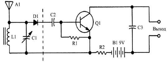
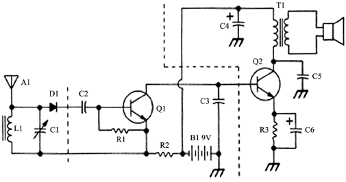
Вот перед вами простейшая схема двухкаскадного усилителя звуковой частоты. На схеме изображены несколько элементов: батарея питания (или просто батарейка) GB1; постоянные резисторы R1, R2, R3, R4; выключатель питания SA1, электролитические конденсаторы С1, С2; конденсатор постоянной ёмкости С3; высокоомный динамик BA1; биполярные транзисторы VT1, VT2 структуры n-p-n. Как видите, с помощью латинских букв я ссылаюсь на конкретный элемент в схеме.

Что мы можем узнать, взглянув на эту схему?
Любая электроника работает от электрического тока, следовательно, на схеме должен указываться источник тока, от которого питается схема. Источником тока может быть и батарейка и электросеть переменного тока или же блок питания.
Итак. Так как схема усилителя питается от батареи постоянного тока GB1, то, следовательно, батарейка обладает полярностью: плюсом «+» и минусом «-». На условном изображении батареи питания мы видим, что рядом с её выводами указана полярность.
Полярность. О ней стоит упомянуть отдельно. Так, например, электролитические конденсаторы C1 и C2 обладают полярностью. Если взять реальный электролитический конденсатор , то на его корпусе указывается какой из его выводов плюсовой, а какой минусовой. А теперь, самое главное. При самостоятельной сборке электронных устройств необходимо соблюдать полярность подключения электронных деталей в схеме. Несоблюдение этого простого правила приведёт к неработоспособности устройства и, возможно, другим нежелательным последствиям. Поэтому не ленитесь время от времени поглядывать на принципиальную схему, по которой собираете устройство.
На схеме видно, что для сборки усилителя понадобятся постоянные резисторы R1 — R4 мощностью не менее 0,125 Вт. Это видно из их условного обозначения.
Также можно заметить, что резисторы R2* и R4* отмечены звёздочкой *. Это означает, что номинальное сопротивление этих резисторов нужно подобрать с целью налаживания оптимальной работы транзистора. Обычно в таких случаях вместо резисторов, номинал которых нужно подобрать, временно ставится переменный резистор с сопротивлением несколько больше, чем номинал резистора, указанного на схеме. Для определения оптимальной работы транзистора в данном случае в разрыв цепи коллектора подключается миллиамперметр. Место на схеме, куда необходимо подключить амперметр указано на схеме вот так. Тут же указан ток, который соответствует оптимальной работе транзистора.

Напомним, что для замера тока, амперметр включается в разрыв цепи.
Далее включают схему усилителя выключателем SA1 и начинают переменным резистором менять сопротивление R2*. При этом отслеживают показания амперметра и добиваются того, чтобы миллиамперметр показывал ток 0,4 — 0,6 миллиампер (мА). На этом настройка режима транзистора VT1 считается завершённой. Вместо переменного резистора R2*, который мы устанавливали в схему на время наладки, ставится резистор с таким номинальным сопротивлением, которое равно сопротивлению переменного резистора, полученного в результате наладки.
Каков вывод из всего этого длинного повествования о налаживании работы схемы? А вывод таков, что если на схеме вы видите какую-либо радиодеталь со звёздочкой (например, R5*), то это значит, что в процессе сборки устройства по данной принципиальной схеме потребуется налаживать работу определённых участков схемы. О том, как налаживать работу устройства, как правило, упоминается в описании к самой принципиальной схеме.
Если взглянуть на схему усилителя, то также можно заметить, что на ней присутствует вот такое условное обозначение.
Этим обозначением показывают так называемый общий провод. В технической документации он называется корпусом. Как видим, общим проводом в показанной схеме усилителя является провод, который подключен к минусовому «-» выводу батареи питания GB1. Для других схем общим проводом может быть и тот провод, который подключен к плюсу источника питания. В схемах с двуполярным питанием, общий провод указывается обособленно и не подключен ни к плюсовому, ни к минусовому выводу источника питания.
Зачем «общий провод» или «корпус» указывается на схеме?
Относительно общего провода проводятся все измерения в схеме, за исключением тех, которые оговариваются отдельно, а также относительно его подключаются периферийные устройства. По общему проводу течёт общий ток, потребляемый всеми элементами схемы.
Общий провод схемы в реальности часто соединяют с металлическим корпусом электронного прибора или металлическим шасси, на котором крепятся печатные платы.
Стоит понимать, что общий провод это не то же самое, что и «земля». «Земля» — это заземление, то есть искусственное соединение с землёй посредством заземляющего устройства. Обозначается оно на схемах так.
В отдельных случаях общий провод устройства подключают к заземлению.
Как уже было сказано, все радиодетали на принципиальной схеме соединяются с помощью токоведущих проводников. Токоведущим проводником может быть медный провод или же дорожка из медной фольги на печатной плате. Токоведущий проводник на принципиальной схеме обозначается обычной линией. Вот так.
Места пайки (электрического соединения) этих проводников между собой, либо с выводами радиодеталей изображаются жирной точкой. Вот так.
Стоит понимать, что на принципиальной схеме точкой указывается только соединение трёх и более проводников или выводов. Если на схеме показывать соединение двух проводников, например, вывода радиодетали и проводника, то схема была бы перегружена ненужными изображениями и при этом потерялась бы её информативность и лаконичность. Поэтому, стоит понимать, что в реальной схеме могут присутствовать электрические соединения, которые не указаны на принципиальной схеме.
В следующей части речь пойдёт о соединениях и разъёмах, повторяющихся и механически связанных элементах, экранированных деталях и проводниках. Жмите «Далее«…
Научно-популярное издание
Яценков Валерий Станиславович
Секреты зарубежных радиосхем
Учебник-справочник для мастера и любителя
Редактор А.И. Осипенко
Корректор В.И. Киселева
Компьютерная верстка А. С. Варакина
B.C. Яценков
СЕКРЕТЫ
ЗАРУБЕЖНЫХ
РАДИОСХЕМ
Учебник-справочник
для мастера и любителя
Москва
Майор Издатель Осипенко А.И.
2004
Секреты зарубежных радиосхем. Учебник-справочник для мастера и любителя. — М.: Майор, 2004. — 112 с.
От автора 1. Основные типы схем 1.1. Функциональные схемы 1.2. Принципиальные электрические схемы 1.3. Наглядные изображения 2. Условные графические обозначения элементов принципиальных схем 2.1. Проводники 2.2. Переключатели, разъемы 2.3. Электромагнитные реле 2.4. Источники электрической энергии 2.5. Резисторы 2.6. Конденсаторы 2.7. Катушки и трансформаторы 2.8. Диоды 2.9. Транзисторы 2.10. Динисторы, тиристоры, симисторы 2.11. Вакуумные электронные лампы 2.12. Газоразрядные лампы 2.13. Лампы накаливания и сигнальные лампы 2.14. Микрофоны, звукоизлучатели 2.15. Предохранители и размыкатели 3. Самостоятельное применение принципиальных схем шаг за шагом 3.1. Построение и анализ простой схемы 3.2. Анализ сложной схемы 3.3. Сборка и отладка электронных устройств 3.4. Ремонт электронных устройств
Автор опровергает распространенное заблуждение, будто чтениерадиосхем и их использование при ремонте бытовой аппаратуры доступнолишь подготовленным специалистам. Большое количество иллюстраций ипримеров, живой и доступный язык изложения делают книгу полезной длячитателей с начальным уровнем знания радиотехники. Особое вниманиеуделено обозначениям и терминам, применяемым в зарубежной литературе идокументации к импортной бытовой технике.
ОТ АВТОРА
Прежде всего, уважаемый читатель, мы благодарим вас за интерес, проявленный к этой книге.Брошюра, которую вы держите в руках, лишь первый шагна пути к невероятно увлекательным знаниям. Автор и издатель будутсчитать свою задачу выполненной, если эта книга не только послужитсправочником для начинающих, но и придаст им уверенности в своих силах.
Мы постараемся наглядно показать, что длясамостоятельной сборки простой электронной схемы или несложного ремонтабытового прибора вовсе не нужно обладать большимобъемомспециальных знаний. Разумеется, для разработки собственной схемыпотребуется знание схемотехники, т. е. умение строить схему всоответствии с законами физики и сообразно параметрам и назначениюэлектронных приборов. Но и в этом случае не обойтись без графическогоязыка схем, чтобы сначала правильнопонять материал учебников, а затем правильно изложить собственную мысль.
Готовя издание, мы не ставили перед собой цели всжатом виде пересказать содержание ГОСТов и технических стандартов.Прежде всего, мы обращаемся к тем читателям, у кого попытка применить на практике или самостоятельно изобразить электронную схему вызываетрастерянность. Поэтому в книге рассмотрены лишь наиболее часто применяемыесимволы и обозначения, без которых не обходится ни одна схема. Дальнейшиенавыки чтения и изображения принципиальных электрических схем придут кчитателю постепенно, по мере приобретения им практического опыта. В этом смысле изучение языка электронных схем похоже наизучение иностранного языка: сначала мы запоминаем алфавит, затемпростейшие слова и правила, по которым строится предложение. Дальнейшееже знание приходит только с интенсивной практикой.
Одна из проблем, с которой сталкиваются начинающиерадиолюбители, пытающиеся повторить схему зарубежного автора илиотремонтировать бытовое устройство, состоит в том, что существуетрасхождение между системой условных графических обозначений (УГО),принятых ранее в СССР, и системой УГО, действующей в зарубежных странах. Благодаря широкому распространению конструкторских программ, снабженных библиотеками УГО (практически все они разработаны за рубежом),зарубежные схемные обозначения вторглись и в отечественную практикуневзирая на систему ГОСТов. И если опытный специалист способен понятьзначение незнакомого символа, исходя из общего контекста схемы, то уначинающего любителя это может вызывать серьезные затруднения.
Кроме того, язык электронных схем периодическипретерпевает изменения и дополнения, начертание некоторых символовменяется. В этой книге мы будем опираться, в основном, на международнуюсистему обозначений, так как именно она используется в схемах кимпортной бытовой аппаратуре, в стандартных библиотеках символов дляпопулярных компьютерных программ и на страницах зарубежных веб-сайтов.Будут упомянуты и обозначения, официально устаревшие, но на практикевстречающиеся во многих схемах.
1. ОСНОВНЫЕ ТИПЫ СХЕМ
В радиотехнике наиболее часто применяются три основных типа схем:функциональные схемы, принципиальные электрические схемы и наглядныеизображения. При изучении схемы какого-либо электронного устройства, как правило, используют все три типа схем, причем именно в перечисленномпорядке. В некоторых случаях, для повышения наглядности и удобства,схемы могут частично комбинироваться.Функциональная схемадает наглядное представление обобщей структуре устройства. Каждый функционально законченный узелпредставляют на схеме в виде отдельного блока (прямоугольника,окружности и т. п.), с указанием выполняемой им функции. Блокисоединяются между собой линиями — сплошными или пунктирными, сострелками или без них, в соответствии с тем, как они влияют друг надруга в процессе работы.Принципиальная электрическая схемапоказывает, какиекомпоненты входят в схему и как они соединяются между собой. Напринципиальной схеме часто указывают осциллограммы сигналов и величинынапряжения и тока в контрольных точках. Эта разновидность схем наиболееинформативна, и ей мы уделим наибольшее внимание.Наглядные изображениясуществуют в нескольких вариантах и предназначены, как правило, для облегчения монтажа и ремонта. В ихчисло входят схемы размещения элементов на печатной плате; схемы укладки соединительных проводников; схемы соединения отдельных узлов друг сдругом; схемы размещения узлов в корпусе изделия и т. п.
1.1. ФУНКЦИОНАЛЬНЫЕ СХЕМЫ
Рис. 1-1. Пример функциональной схемы комплекса законченных устройств
Функциональные схемы могут применяться для нескольких различных целей. Иногда ониприменяются для того, чтобы показать, как взаимодействуют между собойразличные функционально законченные устройства. В качестве примера можно привести схему соединения телевизионной антенны, видеомагнитофона,телевизора и управляющего ими инфракрасного пульта ДУ (рис. 1-1).Подобную схему можно увидеть в любой инструкции к видеомагнитофону.Глядя на эту схему, мы понимаем, что антенну необходимо подключать квходу видеомагнитофона, чтобы иметь возможность записывать передачи, апульт ДУ универсальный и может управлять обоими устройствами. Обратитевнимание, что антенна показана при помощи символа, применяемого также и в принципиальных электрических схемах. Подобное «смешение» символовдопускается в случае, когда функционально законченный узел представляетсобой деталь, имеющую собственное графическое обозначение. Забегаявперед, скажем, что случаются и обратные ситуации, когда частьпринципиальной электрической схемы изображается в виде функциональногоблока.
Если при построении блок-схемы приоритет отдаетсяизображению структуры устройства или комплекса устройств, такую схемуназывают структурной.Если же блок-схема представляет собойизображение нескольких узлов, каждый из которых выполняет определеннуюфункцию, и показаны связи между блоками, то такую схему обычно называют функциональной.Этоделение является в некоторой степени условным. Например, рис. 1-1 одновременно показывает и структуру домашнего видеокомплекса и функции, выполняемые отдельными устройствами, и функциональные связи между ними.
При построении функциональных схем принято соблюдатьопределенные правила. Основное из них состоит в том, что направлениепрохождения сигнала (или порядок выполнения функций) отображается начертеже слева направо и сверху вниз. Исключения делаются лишь в случае,когда схема имеет сложные или двунаправленные функциональные связи.Постоянные соединения, по которым распространяются сигналы, выполняютсплошными линиями, при необходимости — со стрелками. Непостоянныесоединения, действующие в зависимости от какого-либо условия, иногдапоказывают пунктирными линиями. При разработке функциональной схемыважно правильно выбрать уровень детализации.Например, следуетподумать, изображать ли на схеме предварительный и оконечный усилителиразными блоками, или одним? Желательно, чтобы уровень детализации былодинаковым для всех компонентов схемы.
В качестве примера рассмотрим схему радиопередатчика с амплитудно-модулированным выходным сигналом на рис. 1-2а. Она состоитиз низкочастотной части и высокочастотной части.
Рис. 1-2а. Функциональная схема простейшего AM передатчика
Нас интересует направление передачи речевого сигнала, принимаем егонаправление за приоритетное, и НЧ-блоки рисуем вверху, откудамодулирующий сигнал, пройдя слева направо по НЧ-блокам, попадает вниз, в высокочастотные блоки.Главное достоинство функциональных схем состоит в том, что приусловии оптимальной детализации получаются универсальные схемы. В разных радиопередатчиках могут использоваться совершенно разные принципиальные схемы задающего генератора, модулятора и т. п., но схемы с невысокойстепенью детализации у них будут абсолютно одинаковы. Другое дело, если применяется глубокая детализация. Например, в одном радиопередатчике источник опорной частоты имеет транзисторныйумножитель, в другом применяется синтезатор частот, а в третьем -простейший кварцевый генератор. Тогда детализированные функциональныесхемы у этих передатчиков будут разными. Таким образом, некоторые узлына функциональной схеме, в свою очередь, тоже могут быть представлены ввиде функциональной схемы.Иногда, чтобы сделать акцент на какой-либо особенности схемы илиповысить ее наглядность, применяют комбинированные схемы (рис. 1-26 и 1- 2в), на которых изображение функциональных блоков сочетается сболее или менее подробным фрагментом принципиальной электрической схемы.
Рис. 1-2б. Пример комбинированной схемы
Рис. 1-2в. Пример комбинированной схемы
Блок-схема, изображенная на рис. 1-2а представляетсобой разновидность функциональной схемы. На ней не показано, как именно и сколькими проводниками блоки соединяются между собой. Для этой целислужит схема межблочных соединений(рис. 1-3).
Рис. 1-3. Пример схемы межблочных соединений
Иногда, особенно когда речь идет об устройствах на логических микросхемах илииных устройствах, действующих по определенному алгоритму, необходимосхематически изобразить этот алгоритм. Разумеется, алгоритм работы малоотражает особенности построения электрической схемы устройства, нобывает весьма полезен при его ремонте или настройке. При изображенииалгоритма обычно пользуются стандартными символами, применяемыми придокументировании программ. На рис. 1-4 показаны наиболее частоприменяемые символы.
Как правило, их достаточно для описания алгоритма работы электронного или электромеханического устройства.
В качестве примера рассмотрим фрагмент алгоритмаработы блока автоматики стиральной машины (рис. 1-5). После включенияпитания проверяется наличие воды в баке. Если бак пуст, открываетсявпускной клапан. Затем клапан удерживается открытым до тех пор, пока несработает датчик верхнего уровня.
Начало или конец алгоритма
Арифметическая операция выполняемая программой, или некое действие, выполняемое устройством
Комментарий, пояснение или описание
Операция ввода или вывода
Библиотечный модуль программы
Переход по условиюБезусловный переход
Межстраничный переход
Соединительные линии
Рис. 1-4. Основные символы описания алгоритмов
Рис. 1-5. Пример алгоритма работы блока автоматики
1.2. ПРИНЦИПИАЛЬНЫЕ
ЭЛЕКТРИЧЕСКИЕ СХЕМЫ
Достаточно давно, во временапервого радиоприемника Попова, не существовало четкого различия междунаглядными и принципиальными схемами. Простейшие устройства того времени вполне успешно изображали в виде слегка абстрагированного рисунка. Исейчас в учебниках можно встретить изображение простейших электрическихсхем в виде рисунков, на которых детали показаны примерно так, как онивыглядят на самом деле и как соединены между собой их выводы (рис.1-6).
Рис. 1-6. Пример различия между монтажной схемой (А)и принципиальной электрической схемой (В).
Но для четкого понимания того, что такое принципиальная электрическая схема, следует помнить: размещение символов на принципиальной электрической схеме не обязательносоответствует реальному размещению компонентов и соединительныхпроводников устройства.Более того, распространенной ошибкойначинающих радиолюбителей при самостоятельной разработке печатной платыявляется попытка размещения компонентов максимально близко к томупорядку, в каком они изображены на принципиальной схеме. Как правило,оптимальное размещение компонентов на плате значительно отличается отразмещения символов на принципиальной схеме.
Итак, на принципиальной электрической схеме мы видим лишь условныеграфические обозначения элементов схемы устройства с указанием ихключевых параметров (емкость, индуктивность и т. п.). Каждый компонентсхемы определенным образом пронумерован. В национальных стандартахразных стран относительно нумерации элементов существуют еще большиерасхождения, чем в случае с графической символикой. Поскольку мы ставимсебе задачу обучить читателя пониманию схем, изображенных по «западным»стандартам, приведем краткий перечень основных буквенных обозначенийкомпонентов:
Буквенное обозначениеЗначениеЗначениеANTAntennaАнтеннаВBatteryБатареяСCapacitorКонденсаторСВCircuit BoardМонтажная платаCRZener DiodeСтабилитронDDiodeДиодЕР или EarphoneРНГоловные телефоныFFuseПредохранительILampЛампа накаливанияIСIntegrated CircuitИнтегральная схемаJReceptacle, Jack, Теrminal StripГнездо, патрон, клеммникКRelayРелеLInductor, chokeКатушка, дроссельLEDLight-emitting diodeСветодиодМMeterИзмеритель(обобщенный)NNeon LampНеоновая лампаРPlugШтепсельная вилкаPCPhotocellФотоэлементQTransistorТранзисторRResistorРезисторRFCRadio frequency chokeВысокочастотный дроссельRYRelayРелеSSwitchПереключатель, выключательSPKSpeakerГромкоговорительTTransformerТрансформаторUIntegrated CircuitИнтегральная схемаVVacuum tubeРадиолампаVRVoltage regulatorРегулятор (стабилизатор) напр.XSolar cellСолнечный элементXTAL или CrystalКварцевый резонатор YZCircuit assemblyУзел схемы в сбореZDZener Diode (rare)Стабилитрон (устаревш.)
Многие компоненты схемы(резисторы, конденсаторы и т. п.) могут присутствовать на чертеже болееодного раза, поэтому к буквенному обозначению добавляется цифровойиндекс. Например, если в схеме имеются три резистора, то они будутобозначены, как R1, R2 и R3.Принципиальные схемы, как и блок-схемы, компонуют таким образом,чтобы вход схемы находился слева, а выход справа. Под входным сигналомподразумевают также источник энергии, если схема представляет собойпреобразователь или регулятор, а под выходом подразумевается потребитель энергии, индикатор или выходной каскад с выходными клеммами. Например,если мы рисуем схему импульсной лампы-вспышки, то изображаем слеванаправо по порядку сетевую вилку, трансформатор, выпрямитель, генераторимпульсов и импульсную лампу.Нумерация элементов производится слева направо и сверху вниз. Приэтом возможное размещение элементов на печатной плате не имеет никакогоотношения к порядку нумерации — принципиальная электрическая схема имеет высший приоритет по отношению к другим типам схем. Исключение делается, когда для большей наглядности принципиальная электрическая схемаразбивается на блоки, соответствующие функциональной схеме. Тогда кобозначению элемента добавляется префикс, соответствующий номеру блокана функциональной схеме: 1-R1, 1-R2, 2L1, 2L2 и т. п.Кроме буквенно-цифрового индекса рядом с графическим обозначениемэлемента часто пишут его тип, марку или номинал, имеющие принципиальноезначение для работы схемы. Например, для резистора это величинасопротивления, для катушки — индуктивность, для микросхемы — маркировкапроизводителя. Иногда информацию о номиналах и маркировке компонентоввыносят в отдельную таблицу. Такой способ удобен тем, что позволяет дать расширенные сведения о каждом компоненте — намоточные данные катушек,особые требования к типу конденсаторов и т. п.
1.3. НАГЛЯДНЫЕ ИЗОБРАЖЕНИЯ
Принципиальные электрическиесхемы и функциональные блок-схемы удачно дополняют друг друга и легкидля понимания при наличии минимального опыта. Тем не менее, очень частодвух этих схем бывает недостаточно для полноценного пониманияконструкции устройства, особенно когда идет речь о его ремонте илисборке. В этом случае применяют несколько разновидностей наглядныхизображений.Мы уже знаем, что принципиальные электрические схемы не показываютфизической сущности монтажа, и эту задачу решают наглядные изображения.Но, в отличие от блок-схем, которые могут быть одинаковыми для разныхэлектрических схем, наглядные изображения неотделимы от соответствующихим принципиальных схем. Рассмотрим несколько примеров наглядных изображений. На рис. 1-7показана разновидность монтажной схемы — схема разводки соединительныхпроводников, собранных в экранированный жгут, причем рисунок максимально соответствует укладке проводников в реальном устройстве. Заметим, чтоиногда, для облегчения перехода от принципиальной схемы к монтажной, напринципиальной схеме также указывают цветовую маркировку проводников исимвол экранированного провода.
Рис. 1-7. Пример схемы разводки соединительных проводников
Следующим широко применяемым типом наглядных изображений являютсяразличные схемы размещения элементов. Иногда они сочетаются со схемойразводки проводников. Схема, изображенная на рис. 1-8, дает намдостаточную информацию о компонентах, из которых должна состоять схемамикрофонного усилителя, чтобы мы могли их приобрести, но ничего неговорит о физических размерах компонентов, платы и корпуса, а также оразмещении компонентов на плате. Но во многих случаях размещение компонентов наплате и/или в корпусе имеет принципиальное значение для надежной работы устройства.
Рис. 1-8. Схема простейшего микрофонного усилителя
Предыдущая схема удачно дополняется монтажной схемой рис. 1-9. Этодвумерная схема, на ней могут быть указаны длина и ширина корпуса илиплаты, но не высота. Если необходимо указать высоту, то отдельноприводят вид сбоку. Компоненты изображены в виде символов, но ихпиктограммы не имеют ничего общего с УГО, а тесно связаны с реальнымвнешним видом детали. Разумеется, дополнение столь простойпринципиальной схемы еще и схемой монтажа может показаться лишним, ноэтого нельзя сказать о более сложных устройствах, состоящих из десятков и сотен деталей.
Рис. 1-9. Наглядное изображение монтажа для предыдущей схемы
Важнейшей и наиболее распространенной разновидностью монтажных схемявляется схема размещения элементов на печатной плате.Назначение подобной схемы — указать порядок размещения электронных компонентов наплате при монтаже и облегчить их нахождение при ремонте (напомним, чторазмещение компонентов на плате не соответствует их расположению напринципиальной схеме). Один из вариантов наглядного изображения печатной платы приведен на рис. 1-10. В данном случае хотя и условно, нодостаточно точно показаны форма и размеры всех компонентов, а их символы снабжены нумерацией, совпадающей с нумерацией на принципиальнойэлектрической схеме. Пунктирными контурами показаны элементы, которыемогут отсутствовать на плате.
Рис. 1-10. Вариант изображения печатной платы
Такой вариант удобен при ремонте, особенно, когда работает специалист, посвоему опыту знающий характерный вид и размеры практически всехрадиодеталей. Если же схема состоит из множества мелких и похожих другна друга элементов, а для ремонта требуется найти на плате множествоконтрольных точек (например, для подключения осциллографа), то работасущественно усложняется даже для специалиста. В этом случае на помощьприходит координатная схема размещения элементов (рис. 1-1 1).
Рис. 1-11. Координатная схема размещения элементов
Применяемая система координат чем-то напоминает координаты нашахматной доске. В данном примере плата разделена на две, обозначенныебуквами А и В, продольные части (их может быть больше) и снабженныецифрами поперечные части. Изображение платы дополнено таблицей размещения элементов,пример которой приведен ниже:
Ref DesigGrid LocRef DesigGrid LocRef DesigGrid LocRef DesigGrid LocRef DesigGrid LocC1B2C45A6Q10R34A3R78B7C2B2C46A6Q11R35A4R79B7C3B2C47A7Q12B5R36A4R80B7C4B2C48B7Q13R37A4R81B8C5B3C49A7Q14A8R38B4R82B7C6B3C50A7Q15A8R39A4R83B7C7B3C51A7Q16B5R40A4R84B7C8B3C52A8Q17R41R85B7C9B3C53018R42R86B7C10B3C54Q19B8R43B3R87AlC11B4C54A4Q20A8R44A4R88A6C12B4C56A4RlB2R45A4R89B6C13B3C57B6R2B2R46A4R90B6С14B4С58B6R3B2К47R91А6C15A2CR1ВЗR4ВЗR48R92А6C16A2CR2B3R5ВЗR49В5R93А6C17A2CR3B4R6В4R50R94А6С18A2CR4R7В4R51В5R93А6С19A2CR5А2R8В4R52В5R94А6C20A2CR6А2R9В4R53A3R97А6C21A3CR7А2R10В4R54A3R98А6C22A3CR8А2R11В4R55A3R99А6C23A3CR9RI2R56A3R101А7C24B3CR10А2RI3R57ВЗR111А7C25A3CR11А4RI4А2R58ВЗR112А6C26A3CR12А4RI5А2R39ВЗR113А7C27A4CR13В8R16А2R60B5R104А7С28В6CR14А6R17A2R61В5R105А7С29В3CR15А6R18A2R62R106А7С30CR16А7R19A3R63В6R107А7С31В5L1В2R20A2R64В6R108А7С32В5L2В2R21A2R65В6R109А7СЗЗA3L3ВЗR22A2R66В6R110А7С34A3L4ВЗR23А4R67В6U1A1С35В6L5A3R24A3R6SВ6U2A5С36В7Q1ВЗR2SA3R69В6U3В6С37В7Q2В4R26A3R7UВ6U4В7C38В7Q3Q4R27В2R71В6U5А6С39В7Q4R28A2R72В7U6А7С40В7Q5В2R29R73В7C41В7Q6А2R30R74В7С42В7О7A3R31ВЗR75В7С43В7Q8A3R32A3R76В7С44В7Q9A3R33A3R77В7
При разработке печатной платы спомощью одной из конструкторских программ таблица размещения элементовможет быть сгенерирована автоматически. Применение таблицы значительнооблегчает поиск элементов и контрольных точек, но увеличивает объемконструкторской документации.
При изготовлении печатных плат в заводских условиях на них очень часто наносят обозначения, аналогичные рис. 1-10 или рис.1-11. также являетсяразновидностью наглядного изображения монтажа. Он может быть дополненфизическими контурами элементов, для облегчения монтажа схемы (рис.1-12).
Рис. 1-12. Рисунок проводников печатной платы.
Следует заметить, что разработка рисунка печатной платы начинается с размещения элементов на плате заданного размера. При размещении элементовучитывают их форму и размеры, возможность взаимного влияния,необходимость вентиляции или экранирования и т. д. Затем производятразводку соединительных проводников, при необходимости корректируютразмещение элементов и производят окончательную разводку.
2. УСЛОВНЫЕ ГРАФИЧЕСКИЕ ОБОЗНАЧЕНИЯ ЭЛЕМЕНТОВ ПРИНЦИПИАЛЬНЫХ СХЕМ
Как мы уже упоминали в главе 1, условныеграфические обозначения (УГО) радиоэлектронных компонентов, применяемые в современной схемотехнике, имеют достаточно отдаленное отношение кфизической сущности конкретной радиодетали. В качестве примера можнопривести аналогию между принципиальной схемой устройства и картойгорода. На карте мы видим значок, обозначающий ресторан, и понимаем, как проехать к ресторану. Но этот значок ничего не говорит о меню ресторана и ценах на готовые блюда. В свою очередь, графический символ,обозначающий на схеме транзистор, ничего не говорит о размерах корпусаэтого транзистора, гибкие ли у него выводы, и какая фирма егоизготовила.
С другой стороны, на карте возле обозначения ресторана может быть указан распорядок его работы. Аналогично возле УГОкомпонентов на схеме обычно указывают важные технические параметрыдетали, имеющие принципиальное значение для правильного понимания схемы. Для резисторов это сопротивление, для конденсаторов — емкость, длятранзисторов и микросхем — буквенно-цифровое обозначение и т. д.
Со времени своего возникновения УГО электронныхкомпонентов претерпели значительные изменения и дополнения. Сначала этобыли довольно натуралистичные рисунки деталей, которые затем, с течением времени, упрощались и абстрагировались. Тем не менее, для облегченияработы с символами большинство из них и сейчас несут в себе некий намекна конструктивные особенности реальной детали. Рассказывая о графических обозначениях, мы постараемся по мере возможности показывать этувзаимосвязь.
Несмотря на кажущуюся сложность многих принципиальныхэлектрических схем, их понимание требует немногим более труда, чемпонимание дорожной карты. Существует два разных подхода к приобретениюнавыка чтения принципиальных схем. Сторонники первого подхода полагают,что УГО — это некий алфавит, и следует его сначала заучить как можнополнее, а затем приступать к работе со схемами. Сторонники второгометода считают, что к чтению схем необходимо приступать практическисразу, по ходу дела изучая незнакомые символы. Второй метод хорош длярадиолюбителя, но, увы, не приучает к определенной строгости мышления,необходимой для правильного изображения схем. Как вы увидите далее, одна и та же схема может быть изображена совершенно по-разному, причемнекоторые варианты чрезвычайно неудобочитаемы. Рано или поздно возникнет необходимость изобразить собственную схему, и сделать это следует так,чтобы она была понятна с первого взгляда не только автору. Мыпредоставляем читателю право самостоятельно решить, какой подход емуближе, и переходим к изучению наиболее часто распространенныхграфических обозначений.
2.1. ПРОВОДНИКИ
Большинство схем содержит значительное количество проводников. Поэтому линии,изображающие эти проводники, на схеме часто пересекаются, тогда какмежду физическими проводниками контакт отсутствует. Иногда, наоборот,необходимо показать соединение нескольких проводников между собой. Нарис. 2-1 изображены три варианта пересечения проводников.
Рис. 2-1. Варианты изображения пересечения проводников
Вариант (А) обозначает соединение пересекающихся проводников. В случае (В) и(С) проводники не соединяются, но обозначение (С) считается устаревшим, и следует избегать его применения на практике. Разумеется, пересечениевзаимно изолированных проводников на принципиальной схеме не означает их конструктивного пересечения.
Несколько проводников могут быть объединены в жгут или кабель. Если кабель не имеет оплетки (экрана), то, как правило, насхеме эти проводники никак особо не выделяют. Для экранированныхпроводов и кабелей существуют специальные символы (рис. 2-2 и 2-3).Примером экранированного проводника является коаксиальный антенныйкабель.
Рис. 2-2. Символы одиночного экранированного проводника с незаземленным (А) и заземленным (В) экраном
Рис. 2-3. Символы экранированного кабеля с незаземленным (А) и заземленным (В) экраном
Иногда соединение необходимо выполнить витой парой проводников.
Рис. 2-4. Два варианта обозначения витой пары проводов
На рисунках 2-2 и 2-3 кроме проводников мы видим два новых графическихэлемента, которые будут встречаться и далее. Пунктирный замкнутый контур обозначает экран, который конструктивно может быть выполнен в видеоплетки вокруг проводника, в виде закрытого металлического корпуса,разделительной металлической пластинки или сетки.
Экран препятствует проникновению помех вчувствительные к внешним наводкам цепи. Следующий символ — значок,обозначающий соединение с общим проводом, корпусом или заземлением. Всхемотехнике для этого используется несколько символов.
Рис. 2-5. Обозначения общего провода и различных заземлений
Термин «заземление» имеет давнюю историю и восходит к временам первыхтелеграфных линий, когда для экономии проводов в качестве одного изпроводников использовали Землю. При этом все телеграфные аппараты,независимо от соединения друг с другом, соединялись с Землей при помощизаземления. Иначе говоря, Земля была общим проводом.Всовременной схемотехнике термином «земля» (ground) обозначают общийпровод или провод с нулевым потенциалом, даже если его не соединяют склассическим заземлением (рис. 2-5). Общий провод может быть изолированот корпуса устройства.
Очень часто в качестве общего провода используюткорпус устройства или электрически соединяют общий провод с корпусом. Вэтом случае используют значки (А) и (В). Почему они разные? Существуютсхемы, в которых сочетаются аналоговые компоненты, например,операционные усилители и цифровые микросхемы. Во избежание взаимныхпомех, особенно от цифровых цепей в аналоговые, используют раздельнообщий провод для аналоговых и цифровых цепей. В обиходе их называют»аналоговая земля» и «цифровая земля». Аналогично разделяют общиепровода для слаботочных (сигнальных) и силовых цепей.
2.2. ПЕРЕКЛЮЧАТЕЛИ, РАЗЪЕМЫ
Переключатель — это устройство, механическое или электронное, позволяющее изменятьили разрывать существующее соединение. Переключатель позволяет,например, подать сигнал на какой-либо элемент схемы или пустить в обходэтого элемента (рис. 2-6).
Рис. 2-6. Выключатели и переключатели
Частным случаем переключателя является выключатель. На рис. 2-6 (А) и (В)показаны одинарный и сдвоенный выключатели, а на рис. 2-6 (С) и (D)соответственно одинарный и сдвоенный переключатели. Эти переключателиназывают двухпозиционными,так как у них всего два устойчивыхположения. Как нетрудно заметить, символы выключателя и переключателядостаточно подробно изображают соответствующие механические конструкции и почти не изменились со времени возникновения. В настоящее времяподобная конструкция используется только в силовых электрическихразмыкателях. В слаботочных электронных схемах применяют тумблерыи движковые переключатели.Для тумблеров обозначение остается прежним (рис. 2-7), а для движковыхпереключателей иногда используют особое обозначение (рис. 2-8).
Выключатель принято изображать на схеме в выключенномсостоянии, если особо не оговоренанеобходимость изобразить его включенным.
Часто требуется использовать многопозиционныепереключатели, позволяющие коммутировать большое число источниковсигнала. Они тоже могут быть одинарными и сдвоенными. Наиболее удобную и компактную конструкцию имеют поворотные многопозиционные переключатели(рис. 2-9). Такой переключатель часто называют «галетным», поскольку припереключении он издает звук, похожий на хруст разламываемой сухойгалеты. Пунктирная линия между отдельными символами (группами)переключателя означает жесткую механическую связь между ними. Если всилу особенностей схемы переключающие группы не удается разместитьрядом, то для их обозначения используют дополнительный групповой индекс, например, S1.1, S1.2, S1.3. В данном примере таким способом обозначенытри механически связанные группы одного переключателя S1. Изображаятакой переключатель на схеме, необходимо следить за тем, чтобы у всехгрупп движок переключателя был установлен в одинаковое положение.
Рис. 2-7. Условные обозначения разных вариантов тумблеров
Рис. 2-8. Условное обозначение движкового переключателя
Рис. 2-9. Многопозиционные круговые переключатели
Следующую группу механических переключателей представляют кнопочные выключатели ипереключатели.Эти устройства отличаются тем, что срабатывают не от сдвига или поворота, а от нажатия.
На рис. 2-10 приведены условные обозначения кнопочныхвыключателей. Различают кнопки с нормально разомкнутыми контактами,нормально замкнутыми, одинарные и сдвоенные, а также переключающиеодинарные и сдвоенные. Существует отдельное, хотя и редко применяемое,обозначение для телеграфного ключа (ручное формирование кода Морзе),показанное на рис. 2-11.
Рис. 2-10. Различные варианты кнопочных выключателей
Рис. 2-11. Специальный символ телеграфного ключа
Для непостоянного подключения к схеме внешних соединительных проводниковили компонентов используются разъемы (рис. 2-12).

Рис. 2-12. Распространенные обозначения разъемов
Разъемы делятся на две основные группы: гнезда и штекеры. Исключение составляют некоторые типы прижимных разъемов, например, контакты зарядногоустройства для трубки радиотелефона.
Но и в этом случае их обычно изображают в виде гнезда (зарядное устройство)и штекера (вставляемая в него трубка телефона).
На рис. 2-12 (А) изображены символы для сетевыхрозеток и вилок в западном стандарте. Символы с закрашеннымипрямоугольниками обозначают вилки, слева от них — символысоответствующих розеток.
Далее на рис. 2-12 изображены: (В) — аудиоразъем дляподключения головных телефонов, микрофона, маломощных динамиков и т. п.; (С) — разъем типа «тюльпан», обычно применяемый в видеотехнике дляподключения кабелей аудио- и видеоканалов; (D) — разъем для подключениявысокочастотного коаксиального кабеля. Закрашенный кружок в центресимвола означает штекер, а незакрашенный — гнездо.
Разъемы могут объединяться в контактные группы, когдаречь идет о многоконтактном разъеме. В этом случае символы одиночныхконтактов графически объединяют при помощи сплошной или пунктирнойлинии.
2.3. ЭЛЕКТРОМАГНИТНЫЕ РЕЛЕ
Электромагнитные реле такжеможно отнести к группе переключателей. Но, в отличие от кнопок илитумблеров, в реле контакты переключаются под воздействием силыпритяжения электромагнита.
Если при обесточенной обмотке контакты замкнуты, их называют нормально замкнутыми,в противномслучае — нормально разомкнутыми.
Бывают также переключающие контакты.
На схемах, как правило, показывают положение контактов при обесточенной обмотке,если это не упомянуто особо в описании схемы.
Рис. 2-13. Конструкция реле и его условное обозначение
Реле может иметь несколько контактных групп, действующих синхронно (рис.2-14). В сложных схемах контакты реле могут быть изображены отдельно отсимвола обмотки. Реле в комплексе либо его обмотка обозначается буквойК, а для обозначения контактных групп этого реле к буквенно-цифровомуобозначению добавляется цифровой индекс. Например, К2.1 обозначаетпервую контактную группу реле К2.
Рис. 2-14. Реле с одной и несколькими контактными группами
В современных зарубежных схемах обмотка реле все чаше обозначается в виде прямоугольника с двумя выводами, как это уже было давно принято вотечественной практике.
Кроме обычных электромагнитных иногда применяютполяризованные реле, отличительной особенностью которых является то, что переключение якоря из одного положения в другое происходит при сменеполярности напряжения, приложенного к обмотке. В отключенном состоянииякорь поляризованного реле остается в том, положении, в каком был доотключения питания. В настоящее время в распространенных схемахполяризованные реле практически не применяются.
2.4. ИСТОЧНИКИ ЭЛЕКТРИЧЕСКОЙ ЭНЕРГИИ
Источники электрической энергии подразделяются на первичные:генераторы,солнечные элементы, химические источники; и вторичные:преобразователи и выпрямители. И те, и другие могут либо изображаться на принципиальной схеме, либо нет. Это зависит от особенностей и назначения схемы.Например, в простейших схемах, очень часто вместо источника питанияпоказывают лишь разъемы для его подключения, с указанием номинальногонапряжения, и иногда — потребляемого схемой тока. В самом деле, дляпростой радиолюбительской конструкции не имеет особого значения, будетли она питаться от батарейки «Крона» или лабораторного выпрямителя. С другой стороны, в состав бытового прибора обычно входит встроенныйсетевой источник питания, и он обязательно будет изображен в видеразвернутой схемы, чтобы облегчить обслуживание и ремонт изделия. Но это будет вторичный источник электропитания, так как в качестве первичногоисточника нам пришлось бы указать генератор гидроэлектростанции ипромежуточные трансформаторные подстанции, что было бы достаточнобессмысленно. Поэтому на схемах приборов, имеющих питание отэлектросетей общего пользования, ограничиваются изображением сетевойвилки.
Напротив, если генератор является неотъемлемой частьюконструкции, его изображают на принципиальной схеме. В качестве примераможно привести схемы бортовой сети автомобиля или автономного генератора с приводом от двигателя внутреннего сгорания. Существует несколькораспространенных символов генератора (рис. 2-15). Прокомментируем этиобозначения.
(A) — наиболее общий символ генератора переменного тока.(B) — применяется, когда необходимо указать, чтонапряжение с обмотки генератора снимается при помощи пружинящихконтактов (щеток), прижимающихся к кольцевымвыводам ротора. Такие генераторы обычноприменяются в автомобилях.(C) — обобщенный символ конструкции, в которой щеткиприжимаются к сегментированным выводам ротора (коллектора), т. е. кконтактам в виде металлических площадок, расположенных по окружности.Этот символ также применяется для обозначения электродвигателейаналогичной конструкции.(D) — закрашенные элементы символа указывают на то,что применяются щетки, выполненные из графита. Буква А указывает насокращение от слова Alternator— генератор переменного тока, в отличиеот возможного обозначения D — Direct Current— постоянный ток.(E) — указывает на то, что изображен именно генератор, а не электромотор, обозначаемый буквой М, если это не очевидно изконтекста схемы.
Рис. 2-15. Основные схематические обозначения генератора
Упомянутый выше сегментированный коллектор, используемый как в генераторах, так иэлектромоторах, имеет собственный символ (рис. 2-16).
Рис. 2-16. Символ сегментированного коллектора с графитовыми щетками
Конструктивно генераторпредставляет собой катушки ротора, вращающиеся в магнитном поле статора, либо катушки статора, находящиеся в переменном магнитном поле,создаваемом вращающимся магнитом ротора. В свою очередь, магнитное полеможет создаваться как постоянными магнитами, так и электромагнитами.
Для питания электромагнитов, называемых обмоткамивозбуждения, обычно используется часть электроэнергии, вырабатываемойсамим генератором (для начала работы такого генератора необходимдополнительный источник тока). Регулируя силу тока в обмоткевозбуждения, можно регулировать величину вырабатываемого генераторомнапряжения.
Рассмотрим три основных схемы включения обмотки возбуждения (рис. 2-17).
Разумеется, схемы упрощенные и лишь иллюстрируют основные принципы построения схемы генератора собмоткой подмагничивания.
Рис. 2-17. Варианты схемы генератора с обмоткой возбуждения
L1 и L2 — обмотки возбуждения, (А) — последовательная схема, в которойвеличина магнитного поля тем больше, чем больше потребляемый ток, (В) -параллельная схема, в которой величина тока возбуждения устанавливаетсярегулятором R1, (С) — комбинированная схема.
Значительно чаще, чем генератор, для питанияэлектронных схем в качестве первичного источника применяют химическиеисточники тока.
Независимо от того аккумулятор ли это, или расходуемый химический элемент, на схемеони обозначаются одинаково (рис. 2-18).
Рис. 2-18. Обозначение химических источников тока
Одиночная ячейка, примеромкоторой в быту может служить обычная пальчиковая батарейка,изображается, как показано на рис. 2-18 (А). Последовательное соединение нескольких таких ячеек изображено на рис. 2-18 (В).
И, наконец, если источник тока представляет собойконструктивно неразделимую батарею из нескольких ячеек, его изображают,как показано на рис. 2-18 (С). Количество условных ячеек в этом символене обязательно совпадает с реальным количеством ячеек. Иногда, еслинеобходимо особо подчеркнуть особенности химического источника, рядом сним помещают дополнительные надписи, например:
NaOH — щелочной аккумулятор; H2SO4 — сернокислотный аккумулятор; Lilon — литий-ионный аккумулятор; NiCd — никель-кадмиевый аккумулятор; NiMg — никель-металлгидридный аккумулятор; Rechargeableили Rech.— некий заряжаемый источник (аккумулятор);Non-Rechargeableили N-Rech.— незаряжаемый источник.
Для питания устройств с малым энергопотреблением часто применяют солнечные элементы.Напряжение, создаваемое одним элементом, невелико,поэтому обычно применяют батареи из последовательно соединенныхсолнечных элементов. Подобные батареи можно часто видеть вкалькуляторах.
Часто применяемый вариант обозначения солнечного элемента и солнечной батареи показан на рис. 2-19.
Рис. 2-19. Солнечный элемент и солнечная батарея
2.5. РЕЗИСТОРЫ
О резисторах можно суверенностью скачать, что это наиболее часто используемый компонентрадиоэлектронных схем. Резисторы имеют большое количество вариантовконструктивного исполнения, но основные условные обозначенияпредставлены в трех вариантах: постоянный резистор, постоянный сточечным отводом (дискретно-переменный) и переменный. Примеры внешнеговида и соответствующие условные обозначения изображены на рис. 2-20.
Резисторы могут быть изготовлены из материала,чувствительного к изменению температуры или освещения. Такие резисторыназывают соответственно терморезисторами и фоторезисторами, а ихусловные обозначения показаны на рис. 2-21.
Могут встречаться и несколько другие обозначения. Впоследние годы получили распространение магниторезистивные материалы,чувствительные к изменению магнитного поля. Как правило, их не применяют в виде отдельных резисторов, а используют в составе датчиков магнитного поля и, особенно часто, в качестве чувствительного элемента считывающих головок компьютерных дисководов.
В настоящее время номиналы практически всехмалогабаритных постоянных резисторов обозначаются при помощи цветовоймаркировки в виде колец.
Номиналы могут быть разными в очень широком диапазоне — от единиц Ом до сотен мегаОм (миллионов Ом), но их точные значения, тем не менее, строго стандартизированы и могут быть выбраны только из числа разрешенных значений.
Это сделано для того, чтобы избежать ситуации, когдаразличные производители начнут выпускать резисторы с произвольнымирядами номиналов, что значительно затруднило бы разработку и ремонтэлектронных устройств. Цветовая маркировка резисторов и ряд допустимыхзначений приведены в Приложении 2.
Рис. 2-20. Основные типы резисторов и их графические символы
Рис. 2-21. Терморезисторы и фоторезистор
2.6. КОНДЕНСАТОРЫ
Если резисторы мы назвалинаиболее часто используемым компонентом схем, то на втором месте почастоте использования стоят конденсаторы. Им присуще большее, чем урезисторов, разнообразие конструкций и условных обозначений (рис. 2-22).
Существует основное деление на конденсаторы постоянной и переменной емкости. Конденсаторы постоянной емкости, в свою очередь,делятся на группы в зависимости от типа диэлектрика, обкладок ифизической формы. Простейший конденсатор представляет собой обкладки изалюминиевой фольги в виде длинных лент, которые разделены диэлектрикомиз бумаги. Получившаяся слоистая комбинация свернута в рулон дляуменьшения объема. Такие конденсаторы называют бумажными. Им присущемножество недостатков — малая емкость, большие габариты, низкаянадежность, и в настоящее время они не применяются. Значительно чаще ввиде диэлектрика используют полимерную пленку, с напыленными по обе еестороны металлическими обкладками. Такие конденсаторы называютпленочными.
Рис. 2-22. Различные типы конденсаторов и их обозначения
В соответствии с законами электростатики емкостьконденсатора тем больше, чем меньше расстояние между обкладками (толщина диэлектрика). Наибольшей удельной емкостью обладают электролитическиеконденсаторы. В них одной из обкладок является металлическая фольга, покрытая тонкимслоем прочного непроводящего окисла. Этот окисел играет рольдиэлектрика. В качестве второй обкладки используют пористый материал,пропитанный специальной проводящей жидкостью — электролитом. Благодарятому, что слой диэлектрика очень тонок, емкость электролитическогоконденсатора велика.
Электролитический конденсатор чувствителен к полярности включения в схеме: при неправильном включениипоявляется ток утечки, приводящий к растворению окисла, разложениюэлектролита и выделению газов, могущих разорвать корпус конденсатора. На условном графическом обозначении электролитического конденсатора иногда указывают оба символа, «+» и «-«, но чаще обозначают только плюсовойвывод.
Переменные конденсаторытакже могут иметь разную конструкцию. Па рис. 2-22 изображеныварианты переменных конденсаторов с воздушным диэлектриком.Такие конденсаторы широко применялись в ламповых и транзисторных схемахпрошлых лет для настройки колебательных контуров приемников ипередатчиков. Бывают не только одинарные, но сдвоенные, строенные и даже счетверенные переменные конденсаторы. Недостатком переменныхконденсаторов с воздушным диэлектриком является громоздкая и сложнаяконструкция. После появления специальных полупроводниковых приборов -варикапов, способных менять внутреннюю емкость в зависимости отприложенного напряжения, механические конденсаторы почти исчезли изприменения. Сейчас они применяются, в основном, для настройки выходныхкаскадов передатчиков.
Малогабаритные подстроечные конденсаторы чащевыполняют в виде основания и ротора из керамики, на которые напыленыметаллические сегменты.
Для обозначения емкости конденсаторов часто применяютцветовую маркировку в виде точек и окраски корпуса, а такжецифробуквенную маркировку. Система маркировки конденсаторов описана вПриложении 2.
2.7. КАТУШКИ И ТРАНСФОРМАТОРЫ
Различные катушки индуктивности и трансформаторы, именуемые также намоточными изделиями, могут бытьсовершенно по-разному устроены конструктивно. Основные особенностиконструкции намоточных изделий отражают в условных графическихобозначениях. Катушки индуктивности, в том числе индуктивно связанныемежду собой, обозначают буквой L, а трансформаторы — буквой Т.
Способ, которым намотана катушка индуктивности, называется намоткойилиукладкойпровода. Различные варианты конструкции катушек изображены на рис. 2-23.
Рис. 2-23. Различные варианты конструкции катушек индуктивности
Если катушка выполнена из нескольких витков толстого провода и сохраняетсвою форму только за счет его жесткости, такую катушку называют бескаркасной.Иногда для увеличения механической прочности катушки и повышения стабильностирезонансной частоты контура катушку, даже выполненную из малого числавитков толстого провода, наматывают на немагнитном диэлектрическомкаркасе. Каркас обычно изготавливают из пластика.
Индуктивность катушки значительно повышается, есливнутрь намотки поместить сердечник из металла. Сердечник может иметьрезьбовую нарезку и перемещаться внутри каркаса (рис. 2-24). В этомслучае катушку называют настраиваемой. Попутно заметим, что введение вкатушку сердечника из немагнитного металла, такого, как медь илиалюминий, наоборот, уменьшает индуктивность катушки. Обычно винтовыесердечники используются лишь для точной подстройки колебательныхконтуров, рассчитанных на фиксированную частоту. Для быстрой настройкиконтуров используют упомянутые в предыдущем разделе конденсаторыпеременной емкости, или варикапы.
Рис. 2-24. Настраиваемые катушки индуктивности
Рис. 2-25. Катушки с ферритовыми сердечниками
Когда катушка работает вдиапазоне радиочастот, сердечники из трансформаторного железа или иногометалла обычно не применяют, так как возникающие в сердечнике вихревыетоки разогревают сердечник, что приводит к потерям энергии и значительно снижает добротность контура. В этом случае сердечники изготавливают изспециального материала — феррита. Феррит представляет собой прочную,схожую по свойствам с керамикой массу, состоящую из очень мелкогопорошка железа или его сплава, где каждая металлическая частичкаизолирована от других. Благодаря этому в сердечнике не возникаетвихревых токов. Ферритовый сердечник принято обозначать прерывистымилиниями.
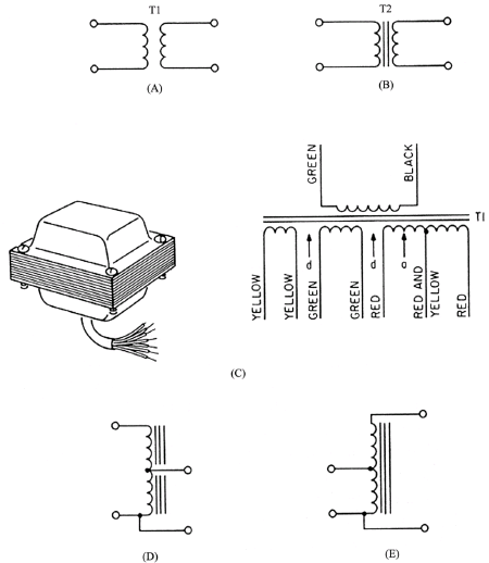
Следующим чрезвычайно распространенным намоточнымизделием является трансформатор. По сути своей трансформатор — это двеили более катушек индуктивности, расположенных в общем магнитном поле.Поэтому обмотки и сердечник трансформатора изображают по аналогии ссимволами катушек индуктивности (рис. 2-26). Переменное магнитное поле,создаваемое переменным током, протекающим через одну из катушек(первичную обмотку), приводит к возбуждению переменного напряжения востальных катушках (вторичных обмотках). Величина этого напряжениязависит от соотношения количества витков в первичной и вторичнойобмотках. Трансформатор может быть повышающим, понижающим илиразделительным, но это свойство обычно никак не отображают награфическом символе, подписывая рядом с выводами обмоток значениявходного или выходного напряжения. В соответствии с базовыми принципамипостроения схем, первичную (входную) обмотку трансформатора изображаютслева, а вторичные (выходные) — справа.
Иногда необходимо показать, какой вывод являетсяначалом обмотки. В этом случае возле него ставят точку. Обмотки нумеруют на схеме римскими цифрами, но нумерация обмоток применяется не всегда.Когда трансформатор имеет несколько обмоток, то для различения выводових нумеруют цифрами на корпусе трансформатора, возле соответствующихклемм, или выполняют из проводников разного цвета. На рис. 2-26 (С) дляпримера изображен внешний вид трансформатора сетевого источника питания и фрагмент схемы, в которой используется трансформатор с несколькимиобмотками.
На рис. 2-26 (D) и 2-26 (Е) изображены, соответственно, понижающий и повышающий автотрансформаторы.
Рис. 2-26. Условные графические обозначения трансформаторов
2.8. ДИОДЫ
Полупроводниковый диод являетсяпростейшим и одним из наиболее часто применяемых полупроводниковыхкомпонентов, называемых также твердотельными компонентами. Конструктивно диод представляет собой полупроводниковый переход с двумя выводами -катодом и анодом. Подробное рассмотрение принципа работыполупроводникового перехода выходит за рамки этой книги, поэтому мыограничимся лишь описанием взаимосвязи между устройством диода и егоусловным обозначением.
В зависимости от применяемого для изготовления диодаматериала, диод может быть германиевым, кремниевым, селеновым, а поконструкции точечным или плоскостным, но на схемах он обозначается одним и тем же символом (рис. 2-27).
Рис. 2-27. Некоторые варианты конструкции диодов
Иногда символ диода заключают в окружность, чтобы показать, что кристаллпомещен в корпус (бывают и бескорпусные диоды), но сейчас такоеобозначение применяется редко. В соответствии с отечественным стандартом диоды изображают с незакрашенным треугольником и проходящей через негосквозной линией, соединяющей выводы.
Графическое обозначение диода имеет давнюю историю. Впервых диодах полупроводниковый переход формировался в точкесоприкосновения металлического игольчатого контакта с плоской подложкойиз специального материала, например, сернистого свинца.
В этой конструкции треугольник изображает игольчатый контакт.
Впоследствии были разработаны плоскостные диоды, вкоторых полупроводниковый переход возникает на плоскости контактаполупроводников n — и p — типа, но обозначение диода осталось прежним.
Мы уже освоили достаточно много условных обозначений,чтобы без труда прочитать простую схему, изображенную на рис. 2-28, ипонять принцип ее работы.
Как и положено, схема построена в направлении слева направо.
Она начинается с изображения сетевой вилки в»западном» стандарте, далее идет сетевой трансформатор и диодныйвыпрямитель, построенный по мостовой схеме, в обиходе называемой диодным мостиком. Выпрямленное напряжение поступает на некоторую полезнуюнагрузку, условно обозначенную сопротивлением Rн.
Достаточно часто встречается вариант изображения того же диодного мостика, показанный нарис. 2-28 справа.
Какой вариант предпочтительнее использовать — определяется только удобством инаглядностью начертания конкретной схемы.
Рис. 2-28. Два варианта начертания схемы диодного моста
Рассматриваемая схема очень проста, поэтому понимание принципа ееработы не вызывает затруднений (рис. 2-29).
Рассмотрим, например, вариант начертания, изображенный слева.
Когда полуволна переменного напряжения со вторичнойобмотки трансформатора приложена таким образом, что верхний вывод имеетотрицательную полярность, а нижний положительную, электроны движутсяпоследовательно через диод D2, нагрузку и диод D3.
Когда полярность полуволны меняется на обратную,электроны движутся через диод D4, нагрузку и диод DI. Как видите,независимо от полярности действующей полуволны переменного токаэлектроны протекают через нагрузку в одном и том же направлении.
Такой выпрямитель называют двухполупериодным,потому что используются обаполупериода переменного напряжения.
Разумеется, ток через нагрузку будет пульсирующим, так как переменное напряжениеизменяется по синусоиде, проходя через ноль.
Поэтому на практике в большинстве выпрямителейприменяют сглаживающие электролитические конденсаторы большой емкости иэлектронные стабилизаторы.
Рис. 2-29. Движение электронов через диоды в мостовой схеме
В основу большинства стабилизаторов напряжения заложен другой полупроводниковый прибор, очень близкий по конструкции к диоду. В отечественной практике его называют стабилитрон,а в зарубежной схемотехникепринято другое название — диод Зенера(Zener Diode), по фамилииученого, открывшего эффект туннельного пробоя р-n перехода.Важнейшее свойство стабилитрона состоит в том, что при достижении наего выводах обратного напряжения определенной величины, стабилитроноткрывается, и через него начинает протекать ток.Попытка дальнейшего увеличения напряжения приводит лишь к возрастанию тока через стабилитрон, но напряжение на его выводах остаетсяпостоянным. Это напряжение называют напряжением стабилизации.Чтобы ток через стабилитронне превысил допустимого значения, последовательно с ним включают гасящий резистор.Существуют также туннельные диоды,которые, наоборот, обладают свойством поддерживатьпостоянным протекающий через них ток.В распространенной бытовой технике туннельные диоды встречаютсяредко, в основном в узлах стабилизации тока, протекающего черезполупроводниковый лазер, например, в дисководах CD-ROM.Но подобные узлы, как правило, не подлежат ремонту и обслуживанию.Значительно чаще в обиходе встречаются так называемые варикапы или варакторы.Когда к полупроводниковому переходу приложено обратное напряжение ион закрыт, то переход обладает некоторой емкостью, наподобиеконденсатора. Замечательное свойство р-n перехода состоит в том, что при изменении приложенного к переходу напряжения меняется и емкость.Изготавливая переход по определенной технологии, добиваются того, что он имеет достаточно большую начальную емкость, которая может изменяться в широких пределах. Вот почему в современной портативной электронике не применяют механических переменных конденсаторов.Чрезвычайно распространенными являются оптоэлектронныеполупроводниковые приборы. Они могут быть довольно сложными поконструкции, но по сути — основаны на двух свойствах некоторыхполупроводниковых переходов. Светодиодыспособны излучать свет при протеканиитока через переход, а фотодиоды— менять свое сопротивление при изменении освещенности перехода.Светодиоды классифицируют по длине волны (цвету) светового излучения.Цвет свечения светодиода практически не зависит от величины тока,протекающего через переход, а определяется химическим составом добавок в материалы, образующие переход. Светодиоды могут излучать как видимыйсвет, так и невидимый, инфракрасный. В последнее время разработаныультрафиолетовые светодиоды.Фотодиоды также подразделяются на чувствительные к видимому свету и работающие в невидимом человеческому глазу диапазоне.Всем известным примером пары светодиод-фотодиод является системадистанционного управления телевизором. В пульте расположен инфракрасныйсветодиод, а в телевизоре фотодиод того же диапазона.Независимо от диапазона излучения, светодиоды и фотодиодыобозначаются двумя обобщенными символами (рис. 2-30). Эти символы близки к действующему российскому стандарту, очень наглядны и не вызываютзатруднений.
Рис. 2-30. Обозначения основных оптоэлектронных приборов
Если объединить в одном корпусе светодиод и фотодиод, получится оптопара.Это полупроводниковый прибор, идеально подходящий для гальваническойразвязки цепей. С его помощью можно передавать управляющие сигналы, несвязывая цепи электрически. Иногда это бывает очень важно, например, вимпульсных источниках питания, где необходимо гальванически разделитьчувствительную управляющую схему и высоковольтные импульсные цепи.
2.9. ТРАНЗИСТОРЫ
Без сомнения, транзисторы являются наиболее часто применяемыми активнымикомпонентами электронных схем. Условное обозначение транзистора не слишком буквально отражает его внутреннее строение, но некоторая взаимосвязьприсутствует. Мы не будем подробно разбирать принцип работы транзистора, этому посвящено множество учебников. Транзисторы бывают биполярнымии полевыми.Рассмотрим структуру биполярного транзистора (рис. 2-31). Транзистор, как и диод,состоит из полупроводниковых материалов со специальными добавками п-и p-типа, но имееттри слоя. Тонкий разделительный слой именуется базой,остальныедва — эмиттероми коллектором.Заменательное свойство транзистора состоит в том, что если выводы эмиттера иколлектора последовательно включить в электрическую цепь, содержащуюисточник питания и нагрузку, то небольшие изменения тока в цепибаза-эмиттер приводят к значительным, в сотни раз большим, изменениямтока в цепи нагрузки. Современные транзисторы способны управлятьнапряжениями и токами нагрузки, в тысячи раз превышающими напряжения или токи в цепи базы.В зависимости от того, в каком порядке располагаются слои полупроводниковых материалов,различают биполярные транзисторы типа рпри npn. В графическом изображении транзистора это различие отражаетсянаправлением стрелки эмиттерного вывода (рис. 2-32). Окружность говорит о том, что транзистор имеет корпус. Если необходимо указать, чтоиспользуется бескорпусный транзистор, а также при изображении внутренней схемы транзисторных сборок, гибридных сборок или микросхем -транзисторы изображают без окружности.
Рис. 2-32. Графическое обозначение биполярных транзисторов
При начертании схем, содержащих транзисторы, также стараются соблюдатьпринцип «вход слева — выход справа».
На рис. 2-33 в соответствии с этим принципом упрощенно изображены три стандартных схемы включения биполярных транзистора: (А) — с общейбазой, (В) — с общим эмиттером, (С) — с общим коллектором. В изображении транзистора использован один из вариантов начертания символа,используемых в зарубежной практике.
Рис. 2-33. Варианты включения транзистора в схеме
Существенным недостатком биполярного транзистора является его низкое входноесопротивление. Маломощный источник сигнала, имеющий высокое внутреннеесопротивление, не всегда может обеспечить базовый ток, необходимый длянормальной работы биполярного транзистора. Этого недостатка лишеныполевые транзисторы. Их устройство таково, что ток, протекающий черезнагрузку, зависит не от входного тока через управляющий электрод, а отпотенциала на нем. Благодаря этому входной ток настолько мал, что непревышает утечек в изолирующих материалах монтажа, поэтому им можнопренебречь.
Существуют два основных варианта конструкции полевого транзистора: с управляющим pn-переходом (JFET) и канальный полевой транзистор со структурой»металл-окисел-полупроводник» (MOSFET, в русском сокращенииМОП-транзистор). Эти транзисторы имеют разные обозначения. Сначалапознакомимся с обозначением JFET-транзистора. В зависимости отматериала, из которого изготовлен проводящий канал, различают полевыетранзисторы п-и p-типа.
Па рис. 2-34 изображена структура полевого транзистора типа иусловные обозначения полевых транзисторов с обеими типами проводимости.
Па этом рисунке показано, что затвор,изготовленный изматериала р-типа, находится над очень тонким каналом из полупроводникаw-типа, а с двух сторон канала находятся зоны «-типа, к которымподключены выводы истокаи стока.Материалы для канала изатвора, а также рабочие напряжения транзистора подбираются такимобразом, что в нормальных условиях образующийся рп-переход закрыт и затвор изолирован от канала Ток в нагрузке, последовательнопротекающий в транзисторе через вывод истока, канал и вывод стока,зависит от потенциала на затворе.
Рис. 2-34. Структура и обозначение канального полевого транзистора
Обычный полевой транзистор, в котором затвор изолирован от каналазакрытым /w-переходом, прост по конструкции и очень распространен, но впоследние 10-12 лет его место постепенно занимают полевые транзисторы, в которых затвор выполнен из металла и изолирован от канала тончайшимслоем окисла. Такие транзисторы принято обозначать за рубежомсокращением MOSFET (Metal-Oxide-Silicon Field Effect Transistor), а внашей стране — сокращением МОП (Металл-Окисел-Полупроводник). Слой окиси металла является очень хорошим диэлектриком.
Поэтому в МОП-транзисторах ток затвора практически отсутствует, тогда как в обычном полевом транзисторе он хоть и очень мал, но в некоторыхприменениях заметен.
Стоит особо отметить, что МОП-транзисторы крайне чувствительны квоздействию статического электричества на затвор, так как слой окисиочень тонок и превышение допустимого напряжения приводит к пробоюизолятора и порче транзистора. При монтаже или ремонте устройств,содержащих МОП-транзисторы, необходимо принимать специальные меры. Одним из популярных у радиолюбителей методов является такой: перед монтажомвыводы транзистора обматывают несколькими витками тонкой оголенноймедной жилки, которую удаляют пинцетом после окончания пайки.
Паяльник должен быть обязательно заземлен. Некоторые транзисторызащищены встроенными диодами Шотки, через которые протекает зарядстатического электричества.
Рис. 2-35. Структура и обозначение обогащенного МОП-транзистора
В зависимости от типа полупроводника, из которого изготовлен проводящий канал,различают МОП-транзисторы п-и р-типа.В обозначении на схеме они отличаются направлением стрелки на выводеподложки. В большинстве случаев подложка не имеет собственного вывода исоединяется с истоком и корпусом транзистора.Кроме того, МОП-транзисторы бывают обогащенногои обедненноготипа. На рис. 2-35 изображена структура обогащенного МОП-транзистора n-типа.Для транзистора p-типа материалы канала и подложки меняются местами.Характерной особенностью такого транзистора является то, что проводящийn-канал возникает только тогда, когда положительное напряжение назатворе достигнет необходимого значения. Непостоянство проводящегоканала на графическом символе отражено прерывистой линией.Строение обедненного МОП-транзистора и его графический символ показанына рис. 2-36. Различие состоит в том, что п-канал присутствует постоянно, даже когда напряжение не приложено к затвору,поэтому линия между выводами истока и стока сплошная. Подложка такжечаще всего соединяется с истоком и корпусом и не имеет собственноговывода.На практике применяются также двухзатворныеМОП-транзисторы обедненного типа,конструкция и обозначение которых показаны на рис. 2-37.Такие транзисторы очень полезны, когда возникает необходимостьобъединить сигналы от двух разных источников, например, в смесителях или демодуляторах.
Рис. 2-36. Структура и обозначение обедненного МОП-транзистора
Рис. 2-37. Структура и обозначение двухзатворного МОП-транзистора
2.10. ДИНИСТОРЫ, ТИРИСТОРЫ, СИМИСТОРЫ
Теперь, когда мы обсудили обозначения наиболеепопулярных полупроводниковых приборов, диодов и транзисторов,познакомимся с обозначениями некоторых других полупроводниковыхприборов, которые также часто встречаются на практике. Один из них — диакили двунаправленныйдиодный тиристор(рис. 2-38).
По своей структуре он похож на два включенныхвстречно-последовательно диода, за исключением того, что n-область общая и формируется рпрструктура с двумя переходами. Но, в отличие от транзистора, в данном случае оба перехода имеют абсолютно одинаковыехарактеристики, благодаря чему данный прибор электрически симметричен.
Нарастающее напряжение любой полярности встречается с относительновысоким сопротивлением перехода, включенного в обратной полярности дотех пор, пока обратносмещенный переход не перейдет в состояние лавинного пробоя. Вследствие этого сопротивление обратного перехода резко падает, протекающий через структуру ток возрастает, а напряжение на выводахснижается, образуя отрицательную вольт-амперную характеристику.
Диаки применяют для управления какими-либо приборами в зависимости от напряжения, например, для переключения тиристоров, включения ламп и т.п.
Рис. 2-38. Двунаправленный диодный тиристор (diac)
Следующий прибор за рубежом именуется как управляемый кремниевый диод (SCR,Silicon Controlled Rectifier), а в отечественной практике — триодный тиристор,или тринистор(рис. 2-39). По своему внутреннему строению триодный тиристор представляетсобой структуру из четырех чередующихся слоев с разным типомпроводимости. Эту структуру можно условно представить в виде двухбиполярных транзисторов разной проводимости.
Рис. 2-39. Триодный тиристор (SCR) и его обозначение
Тринистор работает следующим образом. При правильном включении тринистор включают последовательно с нагрузкой так, что положительный потенциал источникапитания приложен к аноду, а отрицательный к катоду. При этом ток черезтринистор не протекает.
Когда к управляющему переходу относительно катода приложеноположительное напряжение и оно достигает порогового значения, тринисторскачкообразно переключается в проводящее состояние с низким внутреннимсопротивлением. Далее, даже если управляющее напряжение снято, тринистор остается в проводящем состоянии. Тиристор переходит в закрытоесостояние, лишь если напряжение анод-катод становится близким к нулю.
На рис. 2-39 показан тринистор, управляемый напряжением относительно катода.
Если тринистор управляется напряжением относительно анода, линия,изображающая управляющий электрод, отходит от треугольника,изображающего анод.
Благодаря своей способности оставаться открытым после отключенияуправляющего напряжения и способности коммутировать большие токи,тринисторы очень широко применяются в силовых цепях, таких какуправление электромоторами, осветительными лампами, мощныепреобразователи напряжения и т.д.
Недостатком триодных тиристоров является зависимость от правильнойполярности приложенного напряжения, из-за чего они не могут работать вцепях переменного тока.
От этого недостатка свободны симметричные триодные тиристоры или симисторы,имеющие зарубежом название triac(рис. 2-40).
Графический символ симистора очень похож на символ диака, но имеетвывод управляющего электрода. Симисторы работают при любой полярностипитающего напряжения, приложенного к главным выводам, и применяются вомножестве конструкций, где необходимо управлять нагрузкой, питаемойпеременным током.
Рис. 2-40. Симистор (triac) и его обозначение
Несколько реже применяются двунаправленные переключатели (симметричные ключи),имеющие, как и тринистор, структуру из четырех чередующихся слоев сразной проводимостью, но два управляющих электрода. Симметричный ключпереходит в проводящее состояние в двух случаях: когда напряжениеанод-катод достигает уровня лавинного пробоя или когда напряжениеанод-катод меньше уровня пробоя, но приложено напряжение к одному изуправляющих электродов.
Рис. 2-41. Двунаправленный переключатель (симметричный ключ)
Как ни странно, но для обозначения диака, тринистора,си-мистора и двунаправленного переключателя за рубежом не существуетобщепринятых буквенных обозначений, и на схемах рядом с графическимобозначением часто пишут номер, которым этот компонент обозначаетконкретный производитель (что бывает весьма неудобно, посколькупорождает путаницу, когда одинаковых деталей несколько).
2.11. ВАКУУМНЫЕ ЭЛЕКТРОННЫЕ ЛАМПЫ
На первый взгляд, при современном уровнеразвития электроники вести разговор о вакуумных электронных лампах (вобиходе — радиолампах) просто неуместно.
Но это не так. В ряде случаев электронные лампы применяются до сихпор. Например, некоторые звуковые усилители класса Hi-Fi изготавливаются с применением электронных ламп, поскольку считается, что такиеусилители имеют особое, мягкое и чистое звучание, недостижимое припомощи транзисторных схем. Но этот вопрос очень сложен — так же, каксложны схемы подобных усилителей. Начинающему радиолюбителю такойуровень, увы, недоступен.
Значительно чаще радиолюбители сталкиваются с применением радиоламп в усилителях мощности радиопередатчиков. Добиться большой выходноймощности можно двумя способами.
Во-первых, используя высокое напряжение при малых токах, что довольно просто с точки зрения построения источника питания — достаточно лишьиспользовать повышающий трансформатор и простой выпрямитель, содержащийдиоды и сглаживающие конденсаторы.
И, во-вторых, оперируя низкими напряжениями, но при больших токах вцепях выходного каскада. Для такого варианта требуется мощныйстабилизированный источник питания, достаточно сложный, рассеивающиймного тепла, громоздкий и весьма дорогой.
Разумеется, существуют специализированные мощные высокочастотныетранзисторы, работающие при повышенных напряжениях, но они очень дороги и редко встречаются.
Кроме того, они все равно существенно ограничивают допустимуювыходную мощность, а каскадные схемы включения нескольких транзисторовсложны в изготовлении и отладке.
Поэтому транзисторные выходные каскады в радиопередатчиках мощностьюболее 15…20 ватт обычно применяются только в аппаратуре промышленногоизготовления или в изделиях опытных радиолюбителей.
На рис. 2-42 показаны элементы, из которых «собирают» обозначенияразличных вариантов электронных ламп. Кратко ознакомимся с назначениемэтих элементов:
(1) — Нить подогрева катода.Если используется катод с прямым подогревом, то одновременно обозначает и катод.(2) — Катод с косвенным подогревом.Нагревается при помощи нити, обозначаемой символом (1).(3) — Анод.(4) — Сетка.(5) — Отражающий анод индикаторной лампы.Такой анод покрыт специальным люминофором и светится под воздействием потока электронов. В настоящее время практически не применяется.(6) — Формирующие электроды.Предназначены для формирования потока электронов нужной формы.(7) — Холодный катод.Используется в лампах специального типа и может испускать электроны без подогрева, под воздействием электрического поля.(8) — Фотокатод, покрытый слоем специального вещества, значительно увеличивающего эмиссию электронов под действием света.(9) — Газ-наполнитель в газонаполненных вакуумных приборах.(10) — Корпус. Очевидно, что не бывает обозначения вакуумной электронной лампы, не содержащего символа корпуса.
Рис. 2-42. Обозначения различных элементов радиоламп
Названия большинства радиоламп происходят от количества основных элементов. Так, например, диод имеет только анод и катод (нить подогрева не считаетсяотдельным элементом, так как в первых радиолампах нить подогрева былапокрыта слоем специального вещества и одновременно являлась катодом;такие радиолампы встречаются и сейчас). Применение вакуумных диодов влюбительской практике оправдано очень редко, в основном, приизготовлении высоковольтных выпрямителей для питания уже упоминавшихсямощных выходных каскадов передатчиков. Да и то в большинстве случаев они могут быть заменены высоковольтными полупроводниковыми диодами.
На рис. 2-43 изображены основные варианты конструкции радиоламп,которые могут встретиться при изготовлении любительской конструкции.Кроме диода это триод, тетрод и пентод. Часто встречаются сдвоенныерадиолампы, например, двойной триод или двойной тетрод (рис. 2-44).Существуют также радиолампы, в одном корпусе сочетающие два разныхварианта конструкции, например, триод-пентод. Может случиться так, чторазные части подобной радиолампы должны быть изображены в разных частяхпринципиальной схемы. Тогда символ корпуса изображают не полностью, ачастично. Иногда одну половину символа корпуса изображают сплошнойлинией, а вторую половину пунктирной. Все выводы у радиоламп нумеруютсяпо часовой стрелке, если смотреть на лампу со стороны выводов.Соответствующие номера выводов проставляют на схеме возле графическогообозначения.
Рис. 2-43. Обозначения основных типов радиоламп
Рис. 2-44. Пример обозначения составных радиоламп
И, наконец, упомянем самый распространенный электронный вакуумный прибор,который все мы видим в быту практически каждый день. Этоэлектронно-лучевая трубка (ЭЛТ), которую, когда речь идет о телевизореили компьютерном мониторе, принято называть кинескопом. Отклонять потокэлектронов можно двумя способами: при помощи магнитного поля,создаваемого специальными отклоняющими катушками, или при помощиэлектростатического поля, создаваемого отклоняющими пластинами. Первыйспособ применяется в телевизорах и дисплеях, так как позволяет отклонять луч на большой угол с хорошей точностью, а второй — в осциллографах ипрочей измерительной технике, так как гораздо лучше работает на высокихчастотах и не имеет выраженной резонансной частоты. Пример обозначенияэлектронно-лучевой трубки с электростатическим отклонением приведен нарис. 2-45. ЭЛТ с электромагнитным отклонением изображается практическитак же, только вместо расположенных внутритрубки отклоняющих пластин рядом снаружиизображают отклоняющие катушки. Очень часто на схемах обозначения отклоняющихкатушек располагают не рядом с обозначением ЭЛТ, а там, где удобнее,например, возле выходного каскада строчной или кадровой развертки. Втаком случае назначение катушки обозначают расположенной рядом надписьюHorizontal Deflection. Horizontal Yoke (строчная развертка) или Vertical Deflection, Vertical Yoke (кадровая развертка).
Рис. 2-45. Обозначение электронно-лучевой трубки
2.12. ГАЗОРАЗРЯДНЫЕ ЛАМПЫ
Газоразрядные лампы получили свое название всоответствии с принципом работы. Давно известно, что между двумяэлектродами, помешенными в среду разреженного газа, при достаточномнапряжении между ними возникает тлеющий разряд, и газ начинаетсветиться. Примером газоразрядных ламп могут служить и лампы рекламныхвывесок, и индикаторные лампочки бытовых приборов. В качественаполняющего газа чаще всего используется неон, поэтому очень часто зарубежом газоразрядные лампы обозначают словом «Neon», сделав названиегаза именем нарицательным. На самом деле, газы могут быть разными,вплоть до паров ртути, дающих невидимое глазу ультрафиолетовое излучение («кварцевые лампы»).
Некоторые самые распространенные обозначения газоразрядных лампизображены на рис. 2-46. Вариант (I) очень часто используется дляобозначения индикаторных лампочек, показывающих включение сетевогопитания. Вариант (2) более сложен, но аналогичен предыдущему.
Если газоразрядная лампа чувствительна к полярности подключения,применяют обозначение (3). Иногда колбу лампы покрывают изнутрилюминофором, который светится под воздействием ультрафиолетовогоизлучения, возникающего при тлеющем разряде. Подбирая состав люминофора, можно изготовить очень долговечные индикаторные лампы с разным цветомсвечения, которые до сих пор применяются в промышленном оборудовании иобозначаются символом (4).
2-46. Распространенные обозначения газоразрядных ламп
2.13. ЛАМПЫ НАКАЛИВАНИЯ И СИГНАЛЬНЫЕ ЛАМПЫ
Обозначение лампы (рис. 2-47) зависит не только от конструкции, но и от ее назначения. Так, например, лампы накаливания вообще, осветительные лампы накаливания и лампы накаливания,индицирующие включение в сеть, могут обозначаться символами (А) и (В).Сигнальные лампы, сигнализирующие о каких-либо режимах или ситуациях вработе устройства, чаще всего обозначают символами (D) и (Е). Причем невсегда это может быть лампа накаливания, поэтому следует обращатьвнимание на общий контекст схемы. Для обозначения мигающей сигнальнойлампы существует специальный символ (F). Такой символ можно встретить,например, в схеме электрооборудования автомобиля, где он применяется для обозначения ламп указателя поворота.
Рис. 2-47. Обозначения ламп накаливания и сигнальных ламп
2.14. МИКРОФОНЫ, ЗВУКОИЗЛУЧАТЕЛИ
Звукоизлучающие приборы могут иметь самуюразнообразную конструкцию, основанную на различных физических эффектах. В бытовой технике наиболее распространены динамические громкоговорители и пъезоизлучатели.
Обобщенное изображение громкоговорителя в зарубежной схемотехникесовпадает с отечественным УГО (рис. 2-48, символ 1). Таким символомпринято по умолчанию обозначать динамические громкоговорители, т. е.наиболее распространенные громкоговорители, в которых катушкаперемещается в постоянном магнитном поле и приводит в движение диффузор. Иногда возникает необходимость подчеркнуть особенности конструкции, ииспользуются иные обозначения. Так, например, символ (2) обозначаетдинамик, в котором магнитное поле создается постоянным магнитом, асимвол (3) — динамик со специальным электромагнитом. Такиеэлектромагниты использовались в очень мощных динамическихгромкоговорителях. В настоящее время громкоговорители с подмагничиванием постоянным током почти не применяются, потому что промышленновыпускаются относительно недорогие, мощные и большие постоянные магниты.
Рис. 2-48. Распространенные обозначения громкоговорителей
К широко распространенным звукоизлучателям относятся также звонки и зуммеры (биперы). Звонокнезависимо от назначения изображается символом (1) на рис. 2-49. Зуммеробычно представляет собой электромеханическую систему, издающую звуквысокой тональности, и в настоящее время применяется очень редко.Напротив, так называемые биперы («пищалки») применяются очень часто. Они установлены в сотовых телефонах, карманных электронных играх,электронных часах и т. д. В подавляющем большинстве случаев работабиперов основана на пъезомеханическом эффекте. Кристалл специальногопъезове-щества сжимается и расширяется под воздействием переменногоэлектрического поля. Иногда используются биперы, по принципу действияблизкие к динамическим громкоговорителям, только очень малогабаритные. В последнее время не редкость биперы, в которые встроена миниатюрная электронная схема, генерирующаязвук. На такой бипер достаточно лишь подать постоянное напряжение, чтобы он начал звучать. Независимо от конструктивных особенностей вбольшинстве зарубежных схем биперы обозначают символом (2), рис. 2-49.Если важна полярность включения, ее указывают возле выводов.
Рис. 2-49. Обозначения звонков, зуммеров и биперов
Головные телефоны (в просторечии — наушники) имеют в зарубежной схемотехнике разные вариантыобозначений, не всегда совпадающие с отечественным стандартом (рис.2-50).
Рис. 2-50. Обозначения головных телефонов
Если мы рассматриваем принципиальную схему магнитофона, музыкального центраили кассетного плеера, то обязательно встретим условное обозначениемагнитной головки (рис. 2-51). Показанные на рисунке УГО абсолютноравнозначны и представляют собой обобщенное обозначение.
Если необходимо подчеркнуть, что речь идет о воспроизводящей головке, то рядом с символом изображают стрелку, направленную к головке.
Если головка записывающая, то стрелка направлена от головки, еслиголовка универсальная, то стрелка двунаправленная, либо не изображается.
Рис. 2-51. Обозначения магнитных головок
Распространенные обозначения микрофонов приведены на рис. 2-52. Подобными символамиобозначают либо микрофоны вообще, либо динамические микрофоны,конструктивно устроенные наподобие динамических громкоговорителей. Еслимикрофон злектретный, когда звуковые колебания воздуха воспринимаетподвижная обкладка пленочного конденсатора, то внутри символа микрофонаможет быть изображен символ неполярного конденсатора.
Очень часто встречаются электретные микрофоны со встроеннымпредварительным усилителем. Такие микрофоны имеют три вывода, через один из которых подается питание, и требуют соблюдения полярностиподключения. Если необходимо подчеркнуть, что микрофон имеет встроенныйусилительный каскад, внутрь обозначения микрофона иногда помещают символ транзистора.
Рис. 2-52. Графические обозначения микрофонов
2.15. ПРЕДОХРАНИТЕЛИ И РАЗМЫКАТЕЛИ
Очевидное предназначение предохранителей и размыкателей состоит втом, чтобы защитить остальные компоненты схемы от порчи в случаеперегрузки или выхода из строя одного из компонентов. При этомпредохранители перегорают и требуют замены при ремонте. Защитныеразмыкатели при превышении порогового значения протекающего через нихтока переходят в разомкнутое состояние, но чаще всего могут бытьвозвращены в исходное состояние нажатием на специальную кнопку.
При ремонте устройства, которое «не подает признаков жизни», в первую очередь проверяют сетевые предохранители и предохранители на выходеисточника питания (редко, но встречаются). Если после заменыпредохранителя устройство нормально работает, значит, причинойперегорания предохранителя стал скачок сетевого напряжения или инаяперегрузка. В противном случае предстоит более серьезный ремонт.
Современные импульсные источники питания, особенно в компьютерах,очень часто содержат самовосстанавливающиеся полупроводниковыевыпрямители. Таким предохранителям обычно требуется некоторое время длявосстановления проводимости. Это время несколько больше, чем времяпростого остывания. Ситуация, когда компьютер, который даже невключался, через 15-20 минут вдруг начинает нормально работать,объясняется именно восстановлением предохранителя.
Рис. 2-53. Предохранители и размыкатели
Рис. 2-54. Размыкатель с кнопкой сброса
2.16. АНТЕННЫ
Расположение символа антенны на схеме зависит от того, является лиантенна приемной или передающей. Приемная антенна — это входноеустройство, поэтому располагается слева, с символа антенны начинаетсячтение схемы приемника. Передающую антенну радиопередатчика располагаютсправа, и она завершает схему. Если строят схему трансмиттера -устройства, объединяющего в себе функции приемника и передатчика, то,согласно правилам, схему изображают в режиме приема и антенну чаще всего помещают слева. Если в устройстве используется внешняя антенна,подключаемая через разъем, то очень часто изображают только разъем,опуская символ антенны.
Очень часто используют обобщенные символы антенны, рис. 2-55 (А) и(В). Эти символы применяют не только в принципиальных, но ифункциональных схемах. Некоторые графические обозначения отражаютконструктивные особенности антенны. Так, например, на рис. 2-55 символ(С) обозначает направленную антенну, символ (D) — диполь с симметричнымфидером, символ (Е) — диполь с несимметричным фидером.
Большое разнообразие обозначений антенн, применяемых в зарубежнойпрактике, не позволяет рассмотреть их подробно, но большинствообозначений интуитивно понятны и не вызывают затруднений даже уначинающих радиолюбителей.
Рис. 2-55. Примеры обозначений внешних антенн
3. САМОСТОЯТЕЛЬНОЕ ПРИМЕНЕНИЕ ПРИНЦИПИАЛЬНЫХ СХЕМ ШАГ ЗА ШАГОМ
Итак, мы кратко ознакомились с основными графическими обозначениями элементов схем.Этого вполне достаточно, чтобы приступить к чтению принципиальныхэлектрических схем, сначала простейших, а затем более сложных.Неподготовленный читатель может возразить: «Возможно, я смогуразобраться в схеме, состоящей из нескольких резисторов и конденсаторов и одного-двух транзисторов. Но я не смогу достаточно быстро понять болеесложную схему, например, схему радиоприемника». Это ошибочноеутверждение.
Да, действительно, многие электронные схемы выглядят очень сложными и пугающими. Но, на самом деле они состоят из нескольких функциональныхблоков, каждый из которых представляет собой менее сложную схему. Умение расчленить сложную схему на структурные единицы — первый и главныйнавык, который должен приобрести читатель. Далее следует объективнооцепить уровень собственных знаний. Вот два примера. Допустим, речь идет о ремонте видеомагнитофона. Очевидно, что начинающему радиолюбителю вэтой ситуации вполне по силам найти неисправность на уровне обрыва вцепях питания и даже обнаружить пропадающие контакты в разъемахленточных кабелей межплатных соединений. Для этого потребуется хотя быприблизительное представление о функциональной схеме видеомагнитофона иумение читать принципиальную схему. Ремонт более сложных узлов будет посилам только опытному мастеру и от попыток наобум устранитьнеисправность лучше сразу отказаться, так как велика вероятностьусугубить неисправность неквалифицированными действиями.
Другое дело, когда вы собираетесь повторить относительно несложнуюрадиолюбительскую конструкцию. Как правило, такие электронные схемысопровождают подробными описаниями и схемами монтажа. Если вы знаетесистему условных обозначений, то без особого труда сможете повторитьконструкцию. Наверняка впоследствии вы захотите внести в нее изменения,усовершенствовать или подогнать под имеющиеся в наличии компоненты. Иумение расчленять схему на составляющие функциональные блоки сыграетогромную роль. Например, вы сможете взять схему, изначально рассчитанную на батарейное питание, и подключить к ней сетевой источник,»позаимствованный» из другой схемы. Или применить другой усилительнизкой частоты в радиоприемнике — вариантов может быть множество.
3.1. ПОСТРОЕНИЕ И АНАЛИЗ ПРОСТОЙ СХЕМЫ
Чтобы понять принцип, по которому готовую схему мысленно разделяют на функциональные узлы, мы проделаем обратнуюработу: из функциональных узлов построим схему простого детекторногоприемника. Радиочастотная часть схемы, выделяющая низкочастотныймодулирующий сигнал из входного радиосигнала, состоит из антенны,катушки, конденсатора переменной емкости и диода (рис. 3-1). Этотфрагмент схемы можно назвать простым, не так ли? Кроме антенны, онсостоит всего из трех деталей. Катушка L1 и конденсатор С1 образуютколебательный контур, который, из множества электромагнитных колебании,принимаемых антенной, выделяет колебания только нужной частоты.Детектирование колебаний (выделение низкочастотной составляющей)происходит при помощи диода D1.
Рис. 3-1. Радиочастотная часть схемы приемника
Чтобы начать слушать радиопередачи, к схеме достаточно добавитьвысокоомные головные телефоны, подключенные к выходным клеммам. Но насэто не устраивает. Мы хотим слушать радиопередачи черезгромкоговоритель. Сигнал непосредственно на выходе детектора имеет очень маленькую мощность, поэтому в большинстве случаев недостаточно одногоусилительного каскада. Мы принимаем решение использовать предварительный усилитель, схема которого показана на рис. 3-2. Это еще одинфункциональный блок нашего радиоприемника. Обратите внимание, что всхеме появился источник питания — батарея В1. Если мы хотим питатьприемник от сетевого источника, то должны изобразить либо клеммы для его подключения, либо схему самого источника. Для простоты ограничимсябатареей.
Схема предварительного усилителя очень проста, ее можно изобразить за пару минут, а смонтировать примерно за десять.
После объединения двух функциональных узлов получается схема рис.3-3. На первый взгляд, она стала сложнее. По так ли это? Она составленаиз двух фрагментов, которые вовсе не казались сложными по отдельности.Пунктирная линия показывает, где проходит воображаемая линия разделамежду функциональными узлами. Если вам понятны схемы двух предыдущихузлов, значит, не составит труда и понимание общей схемы. Обратитевнимание, что в схеме на рис. 3-3 изменилась нумерация некоторыхэлементов предварительного усилителя. Теперь они входят в состав обшейсхемы и пронумерованы в общем порядке именно для этой схемы.
Рис. 3-2. Предварительный усилитель приемника
Сигнал на выходе предварительного усилителя мощнее, чем на выходедетектора, но недостаточен для подключения громкоговорителя. В схемунеобходимо добавить еще один усилительный каскад, благодаря которомузвук в динамике будет достаточно громким. Один из возможных вариантовфункционального узла показан на рис. 3-4.
Рис. 3-3. Промежуточный вариант схемы приемника
Рис. 3-4. Выходной усилительный каскад приемника
Добавим выходной усилительный каскад к остальной схеме (рис. 3-5).
Выход предварительного усилителя подключим ко входу оконечногокаскада. (Мы не можем подать сигнал непосредственно с детектора навыходной каскад, потому что без предварительного усиления этот сигналслишком слаб.)
Вероятно, вы заметили, что питающая батарея была изображена как насхеме предварительного, так и оконечного усилителя, а в окончательнойсхеме она встречается лишь единожды.
В данной схеме нет никакой потребности в раздельных источникахпитания, поэтому оба усилительных каскада в окончательной схемеподключены к одному источнику.
Разумеется, в том виде, в каком схема изображена на рис. 3-5, онанепригодна к практическому применению. Не указаны номиналы резисторов иконденсаторов, цифробуквенные обозначения диода и транзисторов,намоточные данные катушки, отсутствует регулятор громкости.
Тем не менее, эта схема очень близка к применяющимся на практике.Со сборки радиоприемника по аналогичной схеме начинают свою практику многие радиолюбители.
Рис. 3-5. Окончательная схема радиоприемника
Можно сказать, что основным процессом в разработке схем является комбинирование.Сначала, на уровне общей идеи, комбинируются блоки функциональной схемы.Затем комбинируются отдельные электронные компоненты, из которых получаются простые функциональные узлы схемы.Они, в свою очередь, комбинируются в более сложную общую схему.Схемы могут быть скомбинированы между собой для построения функционально законченного изделия.И, наконец, изделия могут быть скомбинированы для построения аппаратной системы, например, домашнего кинотеатра.
3.2. АНАЛИЗ СЛОЖНОЙ СХЕМЫ
При наличии некоторого опыта анализ и комбинирование вполне доступныдаже начинающему радиолюбителю или домашнему мастеру, если речь идет осборке или ремонте несложных схем бытового назначения.
Нужно лишь помнить, что умение и понимание приходит только спрактикой. Попробуем проанализировать более сложную схему, изображеннуюна рис. 3-6. В качестве примера используем схему радиолюбительскогоAM-передатчика на диапазон 27 МГц.
Это вполне реальная схема, такую или подобную схему можно часто встретить на радиолюбительских сайтах.
Она преднамеренно оставлена в том виде, в каком приводится взарубежных источниках, с сохранением исходных обозначений и терминов.Для облегчения понимания схемы начинающими радиолюбителями она ужеразделена сплошными линиями на функциональные блоки.
Как и полагается, рассмотрение схемы начнем с левого верхнего угла.
Расположенная там первая секция содержит предварительный микрофонныйусилитель. Его простая схема содержит один полевой транзистор с каналомp-типа, входное сопротивление которого хорошо согласуется с выходнымсопротивлением электретного микрофона.
Сам микрофон не изображен на схеме, показан только разъем для егоподключения, а рядом текстом указан тип микрофона. Таким образом,микрофон может быть от любого производителя, с любым цифробуквеннымобозначением, лишь бы он был электретным и не имел встроенногоусилительного каскада. Кроме транзистора на схеме предусилителяприсутствуют несколько резисторов и конденсаторов.
Назначение этой схемы — усилить слабый выходной сигнал микрофона до уровня, достаточного для дальнейшей обработки.
Следующей секцией является УНЧ, который состоит из интегральноймикросхемы и нескольких внешних деталей. УНЧ усиливает сигнал звуковойчастоты, поступающий с выхода предварительного усилителя, как это было в случае с простым радиоприемником.
Усиленный звуковой сигнал поступает в третью секцию, являющуюсясогласующей схемой и содержащую модулирующий трансформатор Т1. Этоттрансформатор является согласующим элементом между низкочастотной ивысокочастотной частями схемы передатчика.
Низкочастотный ток, протекающий в первичной обмотке, вызываетизменения коллекторного тока высокочастотного транзистора, протекающегочерез вторичную обмотку.
Далее перейдем к рассмотрению высокочастотной части схемы, начиная слевого нижнего угла чертежа. Первая высокочастотная секция представляетсобой кварцевый опорный генератор, который благодаря наличию кварцевогорезонатора вырабатывает радиочастотные колебания с хорошей стабильностью частоты.
Эта несложная схема содержит всего один транзистор, несколькорезисторов и конденсаторов и высокочастотный трансформатор, состоящий из катушек L1 и L2, помещенных на один каркас с подстраиваемым сердечником (он изображен стрелкой). С выхода катушки L2 высокочастотный сигналпоступает на усилитель мощности высокой частоты. Сигнал, вырабатываемыйкварцевым генератором, слишком слаб, чтобы подавать его в антенну.
И, наконец, с выхода ВЧ-усилителя сигнал поступает на согласующуюсхему, задача которой — отфильтровать побочные гармонические частоты,которые возникают при усилении ВЧ-сигнала, и согласовать выходноесопротивление усилителя с входным сопротивлением антенны. Антенна, как и микрофон, на схеме не показана.
Она может быть любой конструкции, предназначенной для этого диапазона и уровня выходной мощности.
Рис. 3-6. Схема любительского АМ — передатчика
Взгляните на эту схему еще раз. Наверное, она больше не кажется вам сложной? Изшести сегментов только четыре содержат активные компоненты (транзисторы и микросхему). Эта якобы трудная для понимания схема на самом делепредставляет собой комбинацию шести различных простых схем, каждая изкоторых легка для понимания.
Правильный порядок изображения и чтения схем имеет очень глубокийсмысл. Оказывается, собирать и настраивать устройство очень удобноименно в том порядке, в каком удобно читать схему. Например, если у васпочти нет опыта в сборке электронных устройств, рассмотренный только что передатчик лучше всего собирать, начиная с микрофонного усилителя, идалее — поэтапно, проверяя работу схемы на каждом этапе. Это избавит вас от утомительного поиска ошибки в монтаже или неисправной детали.
Что касается нашего передатчика, то все фрагменты его схемы приусловии исправных деталей и правильного монтажа должны начинать работать сразу. Настройки требует только высокочастотная часть, и то послеокончательной сборки.
В первую очередь собираем микрофонный усилитель. Проверяемправильность монтажа. Подключаем к разъему электретный микрофон и подаем питание. При помощи осциллографа убеждаемся в том, что на выводе истока транзистора присутствуют неискаженные усиленные звуковые колебания,когда что-то произносят в микрофон.
Если это не так, необходимо заменить транзистор, оберегая его от пробоя статическим электричеством.
Кстати, если у вас есть микрофон со встроенным усилителем, то этоткаскад не нужен. Можно использовать разъем с тремя контактами (дляподачи питания на микрофон) и сигнал с микрофона через разделительныйконденсатор подать сразу на второй каскад.
Если для питания микрофона напряжение 12 вольт слишком велико,добавьте в схему простейший источник питания микрофона изпоследовательно соединенных резистора и стабилитрона, рассчитанного нанужное напряжение (обычно от 5 до 9 вольт).
Как видите, даже на первых шагах есть простор для творчества.
Далее собираем по порядку вторую и третью секцию передатчика. Послетого, как мы убедились, что на вторичной обмотке трансформатора Т1присутствуют усиленные звуковые колебания, можно считать сборку НЧ-части законченной.
Сборку высокочастотной части схемы начинают с задающего генератора.Если нет ВЧ вольтметра, частотомера или осциллографа, в наличиигенерации можно убедиться при помощи приемника, настроенного на нужнуючастоту. Можно также подключить простейший индикатор наличияВЧ-колебаний к выводу катушки L2.
Затем собирают выходной каскад, согласующую схему, подключают кантенному разъему эквивалент антенны и производят окончательнуюнастройку.
Порядок настройки ВЧ-каскадов. особенно выходных, обычно подробноописывается авторами схем. Для разных схем он может быть разным ивыходит за рамки этой книги.
Мы рассмотрели взаимосвязь между структурой схемы и порядком еесборки. Разумеется, не всегда схемы так четко структурированы. Тем неменее, всегда следует стараться разбить сложную схему на функциональныеузлы, даже если в явном виде они не выделены.
3.4. РЕМОНТ ЭЛЕКТРОННЫХ УСТРОЙСТВ
Как вы уже заметили, мы рассматривали сборкупередатчика в порядке»от входа к выходу». Так удобнее отлаживать схему.
Но поиск неисправностипри ремонте принято вести в обратномпорядке, «от выхода ко входу». Это связано с тем, что выходные каскадыбольшинства схем оперируют относительно большими токами или напряжениями и значительно чаще выходят из строя. Например, в том же передатчикеопорный кварцевый генератор практически не подвержен неисправностям,тогда как выходной транзистор легко может выйти из строя от перегревапри обрыве или коротком замыкании в цепи антенны. Поэтому, если пропалоизлучение передатчика, прежде всего проверяют выходной каскад.Аналогично поступают и с усилителями ПЧ в магнитофонах и т. п.
Но прежде чем проверять компоненты схемы, необходимо убедиться висправности источника питания и в том, что питающие напряжения поступают на основную плату. Простые, так называемые линейные, источники питанияможно проверять и «от входа к выходу», начиная с сетевой вилки ипредохранителя. Любой опытный радиомастер расскажет вам, как многобытовой аппаратуры приносят в мастерскую из-за неисправности сетевогошнура или перегорания предохранителя. Ситуация с импульсными источниками намного сложнее. Даже простейшие схемы импульсных источников питаниямогут содержать очень специфические радиокомпоненты и, как правило,охвачены цепями обратных связей и взаимовлияющих регулировок. Одиночнаянеисправность в таком источнике часто приводит к выходу из строя многихкомпонентов. Неумелые действия могут усугубить ситуацию. Поэтому ремонтимпульсного источника должен выполнять квалифицированный специалист. Пи в коем случае не следует пренебрегать требованиями техники безопасностипри работе с электроприборами. Они просты, общеизвестны и многократноописаны в литературе.
ГОСТ 19880-74
Электротехника. Основные понятия.
ГОСТ 1494-77
Буквенные обозначения.
ГОСТ 2.004-79
Правила выполнения конструкторских документов на печатающих и графических устройствах вывода ЭВМ.
ГОСТ 2.102-68
Виды и комплектность конструкторских документов.
ГОСТ 2.103-68
Стадии разработки.
ГОСТ 2.104-68
Основные надписи.
ГОСТ 2.105-79
Общие требования к текстовым документам.
ГОСТ 2.106-68
Текстовые документы.
ГОСТ 2.109-73
Основные требования к чертежам.
ГОСТ 2.201-80
Обозначения изделий и конструкторских документов.
ГОСТ 2.301-68
Форматы.
ГОСТ 2.302-68
Масштабы.
ГОСТ 2.303-68
Линии.
ГОСТ 2.304-81
Шрифты чертежные.
ГОСТ 2.701-84
Схемы. Виды и типы. Общие требования к выполнению.
ГОСТ 2.702-75
Правила выполнения электрических схем.
ГОСТ 2.705-70
Правила выполнения электрических схем, обмоток и изделий с обмотками.
ГОСТ 2.708-81
Правила выполнения электрических схем цифровой вычислительной техники.
ГОСТ 2.709-72
Система обозначения цепей в электрических схемах.
ГОСТ 2.710-81
Обозначения буквенно-цифровые в электрических схемах.
ГОСТ 2.721-74
Обозначения общего применения.
ГОСТ 2.723-68
Катушки индуктивности, дроссели, трансформаторы, автотрансформаторы и магнитные усилители.
ГОСТ 2.727-68
Разрядники, предохранители.
ГОСТ 2.728-74
Резисторы, конденсаторы.
ГОСТ 2.729-68
Приборы электроизмерительные.
ГОСТ 2.730-73
Приборы полупроводниковые.
ГОСТ 2.731-81
Приборы электровакуумные.
ГОСТ 2.732-68
Источники света.
Содержание:
Начинающие радиолюбители нередко сталкиваются с такой проблемой, как обозначение на схемах радиодеталей и правильное прочтение их маркировки. Основная трудность заключается в большом количестве наименований элементов, которые представлены транзисторами, резисторами, конденсаторами, диодами и другими деталями. От того, насколько правильно прочитана схема, во многом зависит ее практическое воплощение и нормальная работа готового изделия.
Резисторы
К резисторам относятся радиодетали, обладающие строго определенным сопротивление протекающему через них электрическому току. Данная функция предназначена для понижения тока в цепи. Например, чтобы лампа светила менее ярко, питание на нее подается через резистор. Чем выше сопротивление резистора, тем меньше будет свечение лампы. У постоянных резисторов сопротивление остается неизменным, а переменные резисторы могут изменять свое сопротивление от нулевого значения до максимально возможной величины.
Каждый постоянный резистор обладает двумя основными параметрами — мощностью и сопротивлением. Значение мощности указывается на схеме не буквенными или цифровыми символами, а с помощью специальных линий. Сама мощность определяется по формуле: P = U x I, то есть равна произведению напряжения и силы тока. Данный параметр имеет важное значение, поскольку тот или иной резистор может выдержать лишь определенное значение мощности. Если это значение будет превышено, элемент просто сгорит, так как во время прохождения тока по сопротивлению происходит выделение тепла. Поэтому на рисунке каждые линии, нанесенные на резистор, соответствуют определенной мощности.

Существуют и другие способы обозначения резисторов на схемах:

- На принципиальных схемах обозначается порядковый номер в соответствии с расположением (R1) и значение сопротивления, равное 12К. Буква «К» является кратной приставкой и обозначает 1000. То есть, 12К соответствует 12000 Ом или 12 килоом. Если в маркировке присутствует буква «М», это указывает на 12000000 Ом или 12 мегаом.
- В маркировке с помощью букв и цифр, буквенные символы Е, К и М соответствуют определенным кратным приставкам. Так буква Е = 1, К = 1000, М = 1000000. Расшифровка обозначений будет выглядеть следующим образом: 15Е — 15 Ом; К15 — 0,15 Ом — 150 Ом; 1К5 — 1,5 кОм; 15К — 15 кОм; М15 — 0,15М — 150 кОм; 1М2 — 1,5 мОм; 15М — 15мОм.
- В данном случае используются только цифровые обозначения. Каждое включает в себя три цифры. Первые две из них соответствуют значению, а третья — множителю. Таким образом, к множителям относятся: 0, 1, 2, 3 и 4. Они означают количество нулей, добавляемых к основному значению. Например, 150 — 15 Ом; 151 — 150 Ом; 152 — 1500 Ом; 153 — 15000 Ом; 154 — 120000 Ом.
Постоянные резисторы
Название постоянных резисторов связано с их номинальным сопротивлением, которое остается неизменным в течение всего периода эксплуатации. Они различаются между собой в зависимости от конструкции и материалов.

Проволочные элементы состоят из металлических проводов. В некоторых случаях могут использоваться сплавы с высоким удельным сопротивлением. Основой для намотки проволоки служит керамический каркас. Данные резисторы обладают высокой точностью номинала, а серьезным недостатком считается наличие большой собственной индуктивности. При изготовлении пленочных металлических резисторов, на керамическое основание напыляется металл, обладающий высоким удельным сопротивлением. Благодаря своим качествам, такие элементы получили наиболее широкое распространение.
Конструкция угольных постоянных резисторов может быть пленочной или объемной. В данном случае используются качества графита, как материала с высоким удельным сопротивлением. Существуют и другие резисторы, например, интегральные. Они применяются в специфических интегральных схемах, где использование других элементов не представляется возможным.
Переменные резисторы
Начинающие радиолюбители нередко путают переменный резистор с конденсатором переменной емкости, поскольку внешне они очень похожи друг на друга. Тем не менее, у них совершенно разные функции, а также имеются существенные отличия в отображении на принципиальных схемах.

В конструкцию переменного резистора входит ползунок, вращающийся по резистивной поверхности. Его основной функцией является подстройка параметров, заключающаяся в изменении внутреннего сопротивления до нужного значения. На этом принципе основана работа регулятора звука в аудиотехнике и других аналогичных устройствах. Все регулировки осуществляются за счет плавного изменения напряжения и тока в электронных устройствах.
Основным параметром переменного резистора является сопротивление, способное изменяться в определенных пределах. Кроме того, он обладает установленной мощностью, которую должен выдерживать. Этими качествами обладают все типы резисторов.

На отечественных принципиальных схемах элементы переменного типа обозначаются в виде прямоугольника, на котором отмечены два основных и один дополнительный вывод, располагающийся вертикально или проходящих сквозь значок по диагонали.
На зарубежных схемах прямоугольник заменен изогнутой линией с обозначением дополнительного вывода. Рядом с обозначением ставится английская буква R с порядковым номером того или иного элемента. Рядом проставляется значение номинального сопротивления.
Соединение резисторов
В электронике и электротехнике довольно часто используются соединения резисторов в различных комбинациях и конфигурациях. Для большей наглядности следует рассматривать отдельный участок цепи с последовательным, параллельным и .

При последовательном соединении конец одного резистора соединяется с началом следующего элемента. Таким образом, все резисторы подключаются друг за другом, и по ним протекает общий ток одинакового значения. Между начальной и конечной точкой существует только один путь для протекания тока. С возрастанием количества резисторов, соединенных в общую цепь, происходит соответствующий рост общего сопротивления.

Параллельным считается такое соединение, когда начальные концы всех резисторов объединяются в одной точке, а конечные выходы — в другой точке. Течение тока происходит по каждому, отдельно взятому резистору. В результате параллельного соединения с увеличением числа подключенных резисторов, возрастает и количество путей для протекания тока. Общее сопротивление на таком участке уменьшается пропорционально количеству подключенных резисторов. Оно всегда будет меньше, чем сопротивление любого резистора, подключенного параллельно.

Чаще всего в радиоэлектронике используется смешанное соединение, представляющее собой комбинацию параллельного и последовательного вариантов.
На представленной схеме параллельно соединяются резисторы R2 и R3. Последовательное соединение включает в себя резистор R1, комбинацию R2 и R3 и резистор R4. Для того чтобы рассчитать сопротивление такого соединения, вся цепь разбивается на несколько простейших участков. После этого значения сопротивлений суммируются и получается общий результат.
Полупроводники
Стандартный полупроводниковый диод состоит из двух выводов и одного выпрямляющего электрического перехода. Все элементы системы объединяются в общем корпусе из керамики, стекла, металла или пластмассы. Одна часть кристалла называется эмиттером, в связи с высокой концентрацией примесей, а другая часть, с низкой концентрацией, именуется базой. Маркировка полупроводников на схемах отражает их конструктивные особенности и технические характеристики.

Для изготовления полупроводников используется германий или кремний. В первом случае удается добиться более высокого коэффициента передачи. Элементы из германия отличаются повышенной проводимостью, для которой достаточно даже невысокого напряжения.
В зависимости от конструкции, полупроводники могут быть точечными или плоскостными, а по технологическим признакам они бывают выпрямительными, импульсными или универсальными.
Конденсаторы
Конденсатор представляет собой систему, включающую два и более электродов, выполненных в виде пластин — обкладок. Они разделяются диэлектриком, который значительно тоньше, чем обкладки конденсатора. Все устройство имеет взаимную емкость и обладает способностью к сохранению электрического заряда. На простейшей схеме конденсатор представлен в виде двух параллельных металлических пластин, разделенных каким-либо диэлектрическим материалом.

На принципиальной схеме рядом с изображением конденсатора указывается его номинальная емкость в микрофарадах (мкФ) или пикофарадах (пФ). При обозначении электролитических и высоковольтных конденсаторов, после номинальной емкости указывается значение максимального рабочего напряжения, измеряемого в вольтах (В) или киловольтах (кВ).
Переменные конденсаторы
Для обозначения конденсаторов с переменной емкостью используются два параллельных отрезка, которые пересекает наклонная стрелка. Подвижные пластины, подключаемые в определенной точке схемы, изображаются в виде короткой дуги. Возле нее проставляется обозначение минимальной и максимальной емкости. Блок конденсаторов, состоящий из нескольких секций, объединяется с помощью штриховой линии, пересекающей знаки регулировки (стрелки).

Обозначение подстроечного конденсатора включает в себя наклонную линию со штрихом на конце вместо стрелки. Ротор отображается в виде короткой дуги. Другие элементы — термоконденсаторы обозначаются буквами СК. В его графическом изображении возле знака нелинейной регулировки проставляется температурный символ.
Постоянные конденсаторы
Широко используются графические обозначения конденсаторов с постоянной емкостью. Они изображаются в виде двух параллельных отрезков и выводов из середины каждого из них. Возле значка проставляется буква С, после нее — порядковый номер элемента и с небольшим интервалом — числовое обозначение номинальной емкости.


При использовании в схеме конденсатора с , вместо его порядкового номера наносится звездочка. Значение номинального напряжения указывается лишь для цепей с высоким напряжением. Это касается всех конденсаторов, кроме электролитических. Цифровой символ напряжения проставляется после обозначения емкости.
Соединение многих электролитических конденсаторов требует соблюдения полярности. На схемах для обозначения положительной обкладки используется значок «+» либо узкий прямоугольник. При отсутствии полярности узкими прямоугольниками помечаются обе обкладки.
Диоды и стабилитроны
Диоды относятся к простейшим полупроводниковым приборам, функционирующим на основе электронно-дырочного перехода, известного как p-n-переход. Свойство односторонней проводимости наглядно передается на графических обозначениях. Стандартный диод изображается в виде треугольника, символизирующего анод. Вершина треугольника указывает направление проводимости и упирается в поперечную черту, обозначающую катод. Все изображение пересекается по центру линией электрической цепи.

Для используется буквенное обозначение VD. Оно отображает не только отдельные элементы, но и целые группы, например, . Тип того или иного диода указывается возле его позиционного обозначения.
Базовый символ применяется и для обозначения стабилитронов, представляющих собой полупроводниковые диоды с особыми свойствами. В катоде присутствует короткий штрих, направленный в сторону треугольника, символизирующего анод. Данный штрих располагается неизменно, независимо от положения значка стабилитрона на принципиальной схеме.
Транзисторы
У большинства радиоэлектронных компонентов имеется лишь два вывода. Однако такие элементы как транзисторы оборудованы тремя выводами. Их конструкции отличаются разнообразными типами, формами и размерами. Общие принципы работы у них одинаковые, а небольшие отличия связаны с техническими характеристиками конкретного элемента.

Транзисторы используются преимущественно в качестве электронных коммутаторов для включения и выключения различных устройств. Основное удобство таких приборов заключается в возможности коммутировать большое напряжение с помощью источника малого напряжения.
По своей сути каждый транзистор является полупроводниковым прибором, с помощью которого генерируются, усиливаются и преобразуются электрические колебания. Наибольшее распространение получили биполярные транзисторы с одинаковой электропроводностью эмиттера и коллектора.
На схемах они обозначаются буквенным кодом VT. Графическое изображение представляет собой короткую черточку, от середины которой отходит линия. Данный символ обозначает базу. К ее краям проводятся две наклонные линии под углом 60 0 , отображающие эмиттер и коллектор.

Электропроводность базы зависит от направления стрелки эмиттера. Если она направлена в сторону базы, то электропроводность эмиттера — р, а у базы — n. При направлении стрелки в противоположную сторону, эмиттер и база меняют электропроводность на противоположное значение. Знание электропроводности необходимо для правильного подключения транзистора к источнику питания.
Для того чтобы обозначение на схемах радиодеталей транзистора было более наглядным, оно помещается в кружок, означающий корпус. В некоторых случаях выполняется соединение металлического корпуса с одним из выводов элемента. Такое место на схеме отображается в виде точки, проставляемой там, где вывод пересекается с символом корпуса. Если же на корпусе имеется отдельный вывод, то линия, обозначающая вывод, может подсоединяться к кружку без точки. Возле позиционного обозначения транзистора указывается его тип, что позволяет существенно повысить информативность схемы.
Буквенные обозначение на схемах радиодеталей
Основное обозначение
Наименование элемента
Дополнительное обозначение
Вид устройства
Устройство
Регулятор тока
Блок реле
Устройство
Преобразователи
Громкоговоритель
Датчик тепловой
Фотоэлемент
Микрофон
Звукосниматель
Конденсаторы
Батарея конденсаторов силовая
Блок конденсаторов зарядный
Интегральные схемы, микросборки
ИС аналоговая
ИС цифровая, логический элемент
Элементы разные
Теплоэлектронагреватель
Лампа осветительная
Разрядники, предохранители, устройства защитные
Дискретный элемент защиты по току мгновенного действия
То же, по току инерционного действия
Предохранитель плавкий
Разрядник
Генераторы, источники питания
Батарея аккумуляторов
Синхронный компенсатор
Возбудитель генератора
Устройства индикационные и сигнальные
Прибор звуковой сигнализации
Индикатор
Прибор световой сигнализации
Табло сигнальное
Лампа сигнальная с зеленой линзой
Лампа сигнальная с красной линзой
Лампа сигнальная с белой линзой
Индикаторы ионные и полупроводниковые
Реле, контакторы, пускатели
Реле токовое
Реле указательное
Реле электротепловое
Контактор, магнитный пускатель
Реле времени
Реле напряжения
Реле команды включения
Реле команды отключения
Реле промежуточное
Катушки индуктивности, дроссели
Дроссель люминесцентного освещения
Измеритель времени действия, часы
Вольтметр
Ваттметр
Выключатели и разъединители силовые
Выключатель автоматический
Резисторы
Терморезистор
Потенциометр
Шунт измерительный
Варистор
Устройство коммутации в цепях управления, сигнализации и измерительных цепях
Выключатель или переключатель
Выключатель кнопочный
Выключатель автоматический
Автотрансформаторы
Трансформатор тока
Трансформаторы напряжения
Преобразователи
Модулятор
Демодулятор
Блок питания
Преобразователь частоты
Приборы электровакуумные и полупроводниковые
Диод, стабилитрон
Прибор электровакуумный
Транзистор
Тиристор
Соединители контактные
Токосъемник
Соединитель высокочастотный
Устройства механические с электромагнитным приводом
Электромагнит
Замок электромагнитный
