Самой рациональной системой отопления является та, в которой теплоноситель становится горячим благодаря работе двух или трех котлов. При этом они могут быть одинаковыми по мощности и типу. Такая рациональность объясняется тем, что один теплогенератор работает на полную мощность лишь несколько недель в году. В другое время нужно уменьшать его производительность. А это приводит к падению его КПД и увеличению расходов на отопление.
Несколько объединенных в одну систему отопления котлов позволяют более гибко управлять работой обвязки без потери КПД, так как достаточно отключить одно или два устройства. Кроме этого, в случае поломки одного из них, система продолжает поднимать температуру в доме.
Виды подключения двух и более котлов
Использование большего количества одинаковых котлов требует особой схемы их подключения. Объединить их в одну систему можно:
- Параллельно.
- Каскадно или последовательно.
- По схеме первично-вторичных колец.
Особенности параллельного подключения
Существуют следующие особенности:
- Контуры подачи горячего теплоносителя обоих котлов присоединяются к одной линии. На этих контурах обязательно стоят группы безопасности и вентили. Последние могут перекрываться вручную или автоматически. Второй случай возможен только тогда, когда используются автоматика и сервоприводы.
- Контуры обратки двух котлов отопления присоединяются к другой линии. На этих контурах также имеются вентили, которыми может управлять вышеупомянутая автоматика.
- Циркуляционный насос расположен на обратной линии перед местом объединения труб обратки двух котлов.
- Обе магистрали всегда присоединяются к гидроколлекторам. На одном из коллекторов находится расширительный бачок. При этом к концу трубы, к которой подключен бачок, присоединена труба подпитки. Конечно, на месте соединения стоят обратный клапан и запорный вентиль. Первый не позволяет горячему теплоносителю попадать в трубу подпитки.
- От коллекторов отходят ветви к радиаторам, теплым полам, бойлеру косвенного нагрева. Каждая из них оснащена своим циркуляционным насосом и клапаном слива теплоносителя.
Использование такой схемы организации обвязки без автоматики является весьма проблематичным, поскольку надо вручную перекрывать вентили, размещенные на трубах подачи, и обратки одного котла. Если этого не делать, то теплоноситель будет двигаться через теплообменник выключенного котла. А это оборачивается:
- дополнительным гидравлическим сопротивлением в водогрейном контуре аппарата;
- увеличением «аппетита» циркуляционных насосов (они же должны преодолеть это сопротивление). Соответственно, растут расходы на электроэнергию;
- потерями тепла на нагрев теплообменника выключенного котла.
Поэтому необходимо правильно устанавливать автоматику, которая будет отсекать выключенный аппарат от системы отопления.
Каскадное подсоединение котлов
Концепция каскадирования котлов предусматривает распределение тепловой нагрузки между несколькими агрегатами, которые могут работать независимо и нагревать теплоноситель настолько, насколько этого требует ситуация.
Каскадировать можно как котлы со ступенчатыми газовыми горелками, так и с модулируемыми. Последние, в отличие от первых, позволяют плавно менять мощность нагрева. Стоит добавить, что если котлы имеют более двух ступеней регулировки подачи газа, то третья и остальные ступени делают их производительность меньше. Поэтому лучше пользоваться агрегатами с модулируемой горелкой.
При каскадном подключении основная нагрузка ложится на один из двух или трех котлов. Дополнительные два или три устройства включаются только тогда, когда нужно.
Особенности этого подключения следующие:
- Подводка и контроллеры выполнены так, что в каждом агрегате можно управлять циркуляцией теплоносителя. Это позволяет прекратить поток воды в отключенных котлах и избежать потерь тепла через их теплообменники или кожухи.
- Присоединение линий подачи воды всех котлов к одной трубе, а линий возврата теплоносителя – ко второй. По сути, присоединение котлов к магистралям происходит параллельно. Благодаря такому подходу теплоноситель на входе каждого агрегата имеет одинаковую температуру. Также это позволяет избежать движения нагретой жидкости между отключенными контурами.
Плюсом параллельного подключения является предварительный нагрев теплообменника перед включением горелки. Правда, такое преимущество имеет место тогда, когда используются горелки, которые зажигают газ с задержкой после включения насоса. Такой нагрев минимизирует перепад температуры в котле и позволяет избежать образования конденсата на стенках теплообменника. Это касается ситуации, когда один или два котла были выключены в течение длительного времени и успели остыть. Если же они недавно выключились, то движение теплоносителя перед включением горелки позволяет впитать остаточное тепло, которое сохранилось в топке.
Обвязка котлов при каскадном подключении
Ее схема такова:
- 2–3 пары труб, отходящих от 2–3 котлов.
- Циркуляционные насосы, обратные и запорные клапаны. Они находятся на тех трубках, которые предназначены для возвращения теплоносителя в котел. Насосы могут не использоваться, если конструкция агрегата включает их.
- Запорные краны на трубках подачи горячей воды.
- 2 толстые трубы. Одна предназначена для подачи теплоносителя в сеть, другая – для возврата. К ним присоединены соответственные трубки, отходящие от котельных устройств.
- Группа безопасности на магистрали подачи теплоносителя. Она состоит из термометра, гильзы поверочного термометра, термостата с ручной разблокировкой, манометра, прессостата с ручной разблокировкой, резервной заглушки.
- Гидравлический разделитель низкого давления. Благодаря ему насосы могут создавать надлежащую циркуляцию теплоносителя через теплообменники их котлов независимо от того, каков расход отопительной системы.
- Контуры отопительной сети с запорной арматурой и насосом на каждом из них.
- Многоступенчатый каскадный контроллер. Его задача заключается в измерении показателей теплоносителя на выходе каскада (часто термодатчики стоят в зоне группы безопасности). На основе полученной информации контроллер определяет, нужно ли включать/отключать и как должны работать котлы, объединенные в одну каскадную схему.

Без подключения такого контроллера к обвязке работа котлов в каскаде невозможна, потому что они должны работать как единое целое.
Особенности схемы первично-вторичных колец
Такая схема предусматривает организацию первичного кольца, по которому должен постоянно циркулировать теплоноситель. К этому кольцу подключаются котлы отопления и отопительные контуры. Каждый контур и каждый котел является вторичным кольцом.
Еще одной особенностью этой схемы является наличие циркуляционного насоса в каждом кольце. Работа отдельного насоса создает определенное давление в том кольце, в котором он установлен. Также узел оказывает определенное влияние на давление в первичном кольце. Так, когда он включается, вода выходит из трубы подачи воды, попадая в первичный круг и меняя гидросопротивление в нем. В итоге появляется своеобразный барьер на пути движения теплоносителя.
Поскольку к кругу сначала подключается труба обратки, а после нее – труба подачи, теплоноситель, получив немалое сопротивление у трубы подачи, начинает течь в трубку обратки. Если же насос выключается, гидросопротивление в первичном кольце становится очень малым и теплоноситель не может заплыть в теплообменник котла. Обвязка продолжает работать так, как будто отключенного агрегата вообще не было.
По этой причине не нужно использовать одну сложную автоматику для отключения котла. Единственное, что нужно, так это установить между насосом и патрубком возвращения воды обратный клапан. Аналогичная ситуация с контурами отопления. Только линии подачи и обратки присоединяют к первичной цепи в противоположном порядке: сначала первую, затем вторую.
В такую схему целесообразно включать не более 4 котлов. Использование дополнительных устройств нецелесообразно.
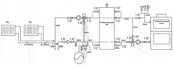
Универсальная комбинированная схема
Эта система имеет такую обвязку:
- Два общих коллектора или гидроколлектора. К первому подключены подающие линии котлов. Ко второму – линии обратки. На всех линиях находится запорная арматура. На трубах возврата теплоносителя находятся циркуляционные насосы.
- Мембранный бак подключен к большому коллектору обратной линии.
- Бойлер косвенного нагрева является связующим звеном между двумя коллекторами. На трубе, которая соединяет бойлер с коллектором подачи, стоят циркуляционный насос и запорный клапан. На трубе, соединяющей бойлер с коллектором обратки, также имеет клапан.
- Группа безопасности установлена на коллекторе подачи теплоносителя.
- Труба подпитки присоединена к коллектору, который находится на линии подачи горячей воды. Во избежание утечки горячего теплоносителя через эту трубу, на нее ставят обратный клапан.
- Определенное количество малых гидроколлекторов (их может быть два, три и более). Каждый из них соединен с вышеупомянутыми общими коллекторами. Эти гидроколлекторы и крупные коллекторы образуют первичные кольца. Количество таких колец равно количеству малых гидроколлекторов.
- Контуры отопления отходят от малых гидроколлекторов. Каждый контур имеет миниатюрный смеситель и циркуляционный насос.
(6 голосов, рейтинг: 4,33 из 5) Загрузка…
poluchi-teplo.ru
Как правильно подключить два котла в одну систему параллельно
Модернизация системы отопления в частном доме может потребовать установить сразу два котла, соединив их в общую сеть. Какой последовательности необходимо придерживаться при этом? Как подключить два котла в одну систему, что необходимо учитывать, если есть необходимость совместного использования газового с твердотопливным, электрическим котлом или отопительным оборудованием, работающим на жидком топливе.
Как подключить два котла вместе?
Сразу хочется уточнить, что просто подключить два котла на разных видах топлива в одну систему является одним из возможных решений проблемы недостатка мощности установленного оборудования. Также возможно соединения в одну сеть более чем двух моделей.Для каких целей может понадобиться подключить два котла в одну систему? Существует несколько весомых причин объясняющих целесообразность этого.
- Недостаток мощности. Неправильный расчет оборудования или дополнительно пристраиваемая жилая площадь может привести к тому, что мощности котла может попросту не хватить для поддержания нормальной температуры теплоносителя.
- Увеличение функциональных возможностей. Подключить два котла в одну систему может понадобиться чтобы, к примеру, увеличить время автономной работы оборудования. Например, если основным источником тепла является твердотопливный котёл, то для его работы необходимо постоянно подкладывать дрова, что не всегда является удобным, а тем более практичным. Установив после него электрокотел или газовый отопительный прибор, можно решить данную ситуацию следующим образом. Как только дрова или уголь перегорели, и теплоноситель начал остывать, в процесс включается дополнительное обогревающее оборудование и продолжает отапливать помещение, до тех пор, пока утром хозяин не подбросит новую партию дров.

Как видно подключить два отопительных котла на разных видах топлива, это практично, кроме того может быть обусловлено острой необходимостью, связанной с недостатком производительности оборудования.
Как параллельно подключить два газовых котла
Существует две схемы подключения газового и любого другого водонагревательного оборудования. Подключить два котла к одной системе отопления можно:
- Последовательно – в таком случае один агрегат будет установлен за другим. Нагрузка в таком случае будет распределять неравномерно, так как основной котел будет постоянно работать в полную мощность, что может привести к его быстрому выходу из строя.
- Параллельно. В таком случае отапливаемая площадь будет условно разделена на две части. Нагрев будет осуществляться сразу двумя установленными котлами. Параллельное подключение двух котлов на газе обычно используется в коттеджных домах и зданиях с большой отапливаемой площадью.
Для параллельного подключения обязательным является установка контроллера и также разработки каскадной схемы управления. Ответить на вопрос как соединить два газовых котла может только грамотный специалист в каждом конкретном случае.
Как соединить два котла — газовый и твердотопливный?
Объединение в одну систему газового и твердотопливного котлов является более простой задачей, для выполнения которой необходимо учитывать основные особенности отличающие работу этих двух видов оборудования. Модели газового и твердотопливного оборудования можно устанавливать в одну сеть последовательно. В таком случае ТТ котлы будут играть роль основного источника теплоснабжения.Принцип их работы будет заключаться в том, что газовое оборудование будет включаться на обогрев только в том случае, если работа основного узла по каким либо причинам станет невозможной. Также обычно на газовый котёл возлагается задача нагрева воды, конечно если такая функция предусмотрена. Во время проектирования такой системы необходимо учитывать эти особенности. Также обязательно потребуется согласовать выбранную схему в газовом хозяйстве и получить там все необходимые разрешения, включая технические условия и проект подключения.
Как объединить газовый и жидкотопливный котлы
Из соображений безопасности для такого подключения необходимо создать условия, при которых возможно безопасная работа сразу двух типов оборудования. Для этого необходимо сделать следующее:
- Осуществить монтаж общей системы контроля над работой водогрейного оборудования. Совместное использование жидко-топливного и газового котла подразумевает установку общей автоматики. Она в свою очередь соединена с контролирующими датчиками, которые подают сигнал на включение в случае прекращения работы основного источника тепла.
- Установить регулирующие вентили. Могут использоваться и отсекающие краны, работающие в автоматическом режиме.
Подключение выполняется последовательным или параллельным способом в зависимости от потребностей заказчика. План и принципиальную схему составляют в проектном отделе, после чего она согласовывается в службе газового хозяйства.
Преимущества установки нескольких котлов в одну сеть
Подключить два котла одновременно: напольный и настенный котлы может понадобиться в случае, если площадь помещения в результате строительных работ, резко возросла. Даже если изначально оборудование приобреталось с запасом мощности, его может не хватить для обогрева дополнительных помещений большей площадью. В таком случае устанавливается дополнительный котел, связанный с общей системой отопления. Преимуществом такого решения является:
- Возможность одновременного контроля над работой всего оборудования.
- Экономия за счет выбора основного вида топлива.
- Возможность более длительной эксплуатации оборудования.
Практика показывает, что возможна одновременная установка двух и более котлов в одну сеть. С каждым дополнительным элементом общая производительность и КПД существенно падает. Поэтому целесообразность одновременного монтажа четырех и более, единиц водонагревательной техники полностью отсутствует.
avtonomnoeteplo.ru
Как устроены два котла в системе отопления?
Создание контура обогрева, в котором два котла в системе отопления работают как по одному, так и вместе, связано со стремлением обеспечить резервирование или уменьшить затраты на отопление. Совместная работа котлов в объединенной системе имеет ряд особенностей подключения, которые следует учитывать.
Возможные варианты — два котла в одной системе отопления:
- газ и электричество;
- твердое топливо и электричество;
- твердое топливо и газ.
Совместная работа газового и электрокотла
Объединение в одном контуре газового котла с электрокотлом, в результате которого создается система отопления с двумя котлами, может быть реализована достаточно просто. Возможно как последовательное, так и параллельное включение. При этом параллельное подключение предпочтительнее, т.к. можно оставить один котел работающим, а другой полностью остановить, отключить или заменить. Такая система может быть полностью закрытой, а в качестве теплоносителя можно применить этиленгликоль для систем отопления или обычную воду.
Совместная работа газового и твердотопливного котла
Это самый сложный вариант для технического воплощения. В твердотопливном котле чрезвычайно трудно контролировать нагрев теплоносителя. Обычно такие котлы работают в открытых системах, и избыточное давление в контуре при перегреве компенсируется в расширительном баке. Поэтому напрямую подключать твердотопливный котел к закрытому контуру нельзя.
Для совместной работы газового и твердотопливного котла разработана многоконтурная система отопления, представляющая собой два независимых контура.
Контур газового котла работает на батареи отопления и на общий теплообменник с котлом на твердом топливе и с открытым расширительным баком. Для помещения, в котором установлены оба котла необходимо выполнение требований, как для газовых, так и для твердотопливных котлов
Совместная работа твердотопливного и электрокотла
Для такой системы отопления принцип работы зависит от типа электрического котла. Если он предназначен для открытых систем отопления, то его можно запросто подключить к действующему открытому контуру. Если же электрический котел предназначен только для закрытых систем, то лучшим вариантом будет – совместная работа на общий теплообменник.
Двухтопливные отопительные котлы
Для увеличения надежности отопления и для исключения перебоев в работе системы обогрева применяют котлы отопления двухтопливные, работающие на разных видах топлива. Изготовляются комбинированные котлы только в напольном исполнении из-за достаточно большого веса агрегата. Универсальный агрегат может иметь одну или две камеры сгорания и один теплообменник (котел).
Наиболее популярная схема – применение газа и дров для нагрева теплоносителя. Следует учитывать, что твердотопливные котлы могут работать только в открытых системах отопления. Для реализации преимуществ закрытой системы в бак универсального котла иногда устанавливается дополнительный контур для системы обогрева.
Существует несколько видов двухтопливных комбинированных котлов:
- газ + жидкое топливо;
- газ + твердое топливо;
- твердое топливо + электричество.
Твердотопливный котел и электричество
Один из популярных комбинированных котлов – твердотопливный котел с установленным электрическим нагревателем. Этот агрегат позволяет стабилизировать температуру в помещении. Такой комбинированный котел благодаря применению ТЭНов приобрел массу положительных качеств. Рассмотрим, как работает система отопления в такой комбинации.
При зажигании топлива в котле и при подключении котла к электрической сети сразу же начинают работать ТЭНы, которые греют воду. Как только разгорается твердое топливо, теплоноситель быстро нагревается и достигает температуры срабатывания термостата, который отключает электрические нагреватели.
Комбинированный котел работает только на твердом топливе. После прогорания топлива вода начинает остывать в контуре отопления. Как только ее температура достигнет порога срабатывания термостата, то он снова включит ТЭНы для нагрева воды. Такой циклический процесс позволит поддержать равномерную температуру в помещениях.
Для оптимизации контуров обогрева были придуманы аккумуляторы тепла в системах отопления, которые представляют собой емкость большого объема от 1,5 до 2,0 м3. Во время работы котла большой объем воды нагревается от проходящих через аккумуляторную емкость труб контура, а после прекращения работы котла нагретая вода медленно отдает тепловую энергию в систему отопления.
Аккумуляторы тепла позволяют поддерживать комфортную температуру довольно продолжительное время.
Чтобы в зимнее время избежать критических ситуаций, снизить расходы на отопление и обеспечить его надежность, многие владельцы предпочитают либо монтаж системы с двумя котлами на разном топливе, либо устанавливают универсальный двухтопливный котел. Эти варианты отопления имеют определенные преимущества и недостатки, но свою главную задачу – стабильное и комфортное отопление — они обеспечивают в полной мере.
spetsotoplenie.ru
Что такое подключение твердотопливного и газового котла в одну систему
Подключение твердотопливного и газового котла в одну систему решает для владельца вопрос с топливом. Котел на одном топливе неудобен тем, что если своевременно не пополнить запасы, можно остаться без отопления. Комбинированные котлы дороги, а если такой агрегат сломается всерьез, станут неосуществимы все предусмотренные в нем варианты отопления.
Возможно, у вас уже есть твердотопливный котел, но вы хотите перейти на другой, более удобный в использовании. Или имеющемуся котлу не хватает мощности, нужен еще один. В любом из этих случаев потребуется подключение твердотопливного и газового котла в одну систему.
Особенности подключения двух котлов
Подключение двух котлов в одну систему отопления создает трудность при их совмещении: газовые агрегаты эксплуатируются в закрытой системе, твердотопливные – в открытой. Открытая обвязка ТД котла позволяет нагреть воду до температуры свыше 100 градусов, при критически высоком значении давления (что такое обвязка котла твердотопливного).
Для сброса давления такой котел оснащают расширительным баком открытого типа, а с повышенными температурами справляются, спуская из этого бака часть горячего теплоносителя в канализацию. При использовании открытого бачка неизбежно завоздушивание системы, свободный кислород в теплоносителе приводит к коррозии металлических частей.
Два котла в одной системе – как их правильно подключить?
Есть два варианта:
- последовательная схема подключения двух котлов в одну систему отопления: сочетание открытого (ТД котел) и закрытого (газовый) сектора системы с использованием теплоаккумулятора;
- установка твердотопливного котла параллельно с газовым, с приборами безопасности.
Параллельная система отопления с двумя котлами, газовым и дровяным, оптимальна, например, для коттеджа с большой площадью: каждый агрегат отвечает за свою половину дома.

В этом случае необходим контроллер и возможность каскадного управления. При последовательной схеме подключения газового и твердотопливного котлов в одну систему получается как бы два независимых контура, соединенных теплоаккумулятором (что такое теплоаккумулятор для котлов отопления).
Особенностью твердотопливных котлов является необходимость загрузки дров для поддержания тепла в приборах отопления, для этого со стороны жильцов требуется постоянное внимание. Решением проблемы в такой ситуации можно назвать подключение теплоаккумулятора, установка дополнительного котла в систему отопления или использование одновременно двух котлов: твердотопливного и газового.
В этом случае тепло в батареи подается, если дрова в топке уже закончились, но есть газ в баллоне. В качестве альтернативного варианта можно установить агрегат дрова-газ, который не требует особых затрат и усилий на монтажные работы. Но практическое применение показало, что подключение двух котлов в одну систему намного эффективнее и выгоднее. При подключении газового и твердотопливного котла одновременно система находится в режиме постоянной работы даже при выходе из строя одного из устройств. Поломка котла, работающего на газе и дровах, приводит к остановке работы всей системы и в помещениях становится холодно.
В чем заключается сложность подключения двух котлов
Основной сложностью использования двух котлов в одной отопительной системе является необходимость обустройства разных типов обвязки. Два газовых котла в одном доме могут устанавливаться только при закрытой системе отопления. То есть, подключение газового котла к системе отопления не доставит проблем. А для твердотопливных агрегатов нужна открытая система. Дело в том, что второй вариант котла способен нагревать воду до очень высокой температуры, что приводит к повышению давления в системе. Даже при слабом горении углей теплоноситель продолжает нагреваться.
В такой ситуации требуется сброс давления в отопительной сети, для чего в контур врезают расширительный бак открытого типа. При недостаточном объеме этого элемента системы можно вывести отдельную трубу в канализацию для отвода излишков теплоносителя. Однако установка такого бачка может стать причиной попадания воздуха в теплоноситель, от чего могут пострадать внутренние элементы газового котла, труб и приборов отопления.

Избежать всех перечисленных сложностей подключения двух котлов в одну систему отопления одновременно можно с помощью двух вариантов:
- Использовать теплоаккумулятор — устройство, позволяющее совместить закрытую и открытую отопительную систему.
- Организовать закрытую схему отопления для твердотопливного и пеллетного котла, применив специальную группу безопасности. В этом случае агрегаты могут работать автономно и параллельно.
Обустройство системы отопления с теплоаккумулятором
Применение такого элемента в схеме с двумя котлами в одной системе отопления имеет несколько особенностей в зависимости от установленных агрегатов:
- Теплоаккумулятор, газовый котел и приборы отопления образуют единую закрытую систему.
- Твердотопливные котлы, работающие на дровах, пеллетах или угле, нагревают воду, тепловая энергия передается теплоаккумулятору. Он в свою очередь греет теплоноситель, циркулирующий по закрытому контуру отопления.

Для самостоятельного создания схемы отопления с двумя котлами необходимо приобрести следующее:
- Отопительный котел.
- Теплоаккумулятор.
- Расширительный бачок соответствующего объема.
- Шланг для дополнительного отвода теплоносителя.
- Отсекающие краны в количестве 13 штук.
- Насос для принудительной циркуляции теплоносителя в количестве 2 штуки.
- Трехходовой клапан.
- Водяной фильтр.
- Стальные или полипропиленовые трубы.

Для подобной схемы характерна работа в нескольких режимах:
- Передача тепловой энергии от твердотопливного котла посредством теплоаккумулятора.
- Нагревание воды твердотопливным котлом без использования этого устройства.
- Получение тепла от газового котла, подключенного к газовому баллону.
- Подключение двух котлов одновременно.
Сборка системы открытого типа с аккумулятором тепла
Организация такого типа отопительной системы выполняется по следующей схеме:
- На два штуцера твердотопливного котла устанавливают отсекающие краны.
- Подключают расширительный бак. При этом место его размещения должно находиться на самом высоком уровне относительно других элементов отопительного контура.
- На патрубки аккумулятора тепла также устанавливают краны.
- Соединяют котел и теплоаккумулятор посредством двух труб.
- Врезают две трубки в контур между теплоаккумулятором и котлом, отступив небольшое расстояние от кранов. На этих трубках также устанавливают запорную арматуру. Дополнительные трубки позволят нагревать теплоноситель от твердотопливного котла, не используя аккумулятор тепла.

- Далее врезают перемычку для соединения подающей и обратной трубы в промежутке между теплоаккумулятором и котлом. Для крепления перемычки к подаче можно использовать сварку или фитинги, на обратной трубе перемычка закрепляется посредством трехходового клапана. По образованному малому кругу происходит циркуляция теплоносителя, пока его температура не достигнет 60 градусов. При более сильном нагревании вода начинает двигаться по большому кругу, захватывая аккумулятор тепла.
- Подключают фильтр для очистки воды и циркуляционный насос. Оба устройства необходимо установить на обратной трубе контура отопления, оптимальным местом считается промежуток между котлом и трехходовым клапаном. Здесь располагают отвод с насосом и фильтром. Следует помнить, что перед этими элементами и после них в обязательном порядке монтируются краны. Преимуществом П-образного отвода является возможность установки байпаса, по нему будет осуществляться движение теплоносителя при отсутствии электроэнергии. Естественно, газовая котельная в частном доме должна иметь достаточно места для размещения всего необходимого оборудования.
Система закрытого типа с аккумулятором тепла
Закрытая система отопления не требует установки расширительного бачка, поэтому монтажный процесс значительно упрощается. Чаще всего газовые котлы оснащены расширительным баком и предохранительным клапаном.

Для правильной сборки такого отопительного контура необходимо следовать определенной инструкции:
- К подающему штуцеру газового котла подключается кран и труба, идущая к приборам отопления.
- На этой трубе устанавливается насос для принудительной циркуляции теплоносителя. Его следует расположить перед радиаторами.
- Последовательно подключается каждый радиатор.
- От них отводится труба, идущая к отопительному котлу. В конце трубы на небольшом расстоянии от агрегата, питающегося от газового баллона, выполняется установка отсекающего крана.
- К трубам подачи и обратки подключаются трубы, идущие к аккумулятору тепла. Одна из трубок подсоединяется перед насосом, вторая трубка – за приборами отопления. Каждая трубка оснащается краном, также сюда следует подключить трубки, которые предварительно были врезаны перед теплоаккумулятором и после него.
Монтаж закрытой системы с двумя котлами – газовым и твердотопливным
При обустройстве такой отопительной системы твердотопливный и газовый котел в одном контуре подключаются параллельно с обязательной установкой группы безопасности. Открытый расширительный бак заменяют закрытым мембранным бачком, который располагают в специальном помещении.
В составе группы безопасности отмечаются следующие элементы:
- Клапан для удаления скопившегося воздуха.
- Предохранительный клапан, с помощью которого можно снижать давление в системе.
- Манометр.

Вопрос, как подключить два котла, газовый и твердый, решается в следующем порядке:
- На трубах, идущих от теплообменников газового и твердотопливного котла в одной системе, устанавливаются отсекающие краны.
- На подающей трубе, идущей от твердотопливного агрегата, располагают группу безопасности. При этом она может размещаться вблизи клапана.
- Трубы подачи обоих котлов соединяются. Предварительно на линии, идущей от твердотопливного котла, врезается перемычка, по которой будет организовано движение теплоносителя по малому кругу. Расстояние от котла до места врезки может составлять до 2 метров. Рядом с перемычкой устанавливают лепестковый клапан. При отключении котла, работающего на дровах, такая схема не позволяет теплоносителю поступать в котел, несмотря на сильное давление, которое создает газовый котел.
- Выполняют соединение подающей линии с приборами отопления, которые располагаются в разных комнатах и на разном расстоянии друг от друга.
- Между котлами и отопительными приборами выполняют монтаж обратной линии. В определенном месте ее разделяют на две трубы: одну направляют к газовому котлу, другую – к твердотопливному агрегату. Перед устройством, работающим от газового баллона, устанавливают пружинный клапан. К другой трубе подключается перемычка и трехходовой клапан.
- Мембранный расширительный бачок и насос для принудительной циркуляции теплоносителя монтируют на участке перед разделением обратной линии.
Схема подключения двух котлов в одну систему вполне может использоваться при установке универсального комбинированного котла отопления.
Собираем котельную от А до Я…
Любая котельная это сердце системы и . В данной статье я расскажу, как собрать котельную так чтобы она, по крайней мере, имела хорошо работающую систему отопления и водоснабжения. С помощью указанных алгоритмов, можно максимально усилить эффект системы .
Видео:
Я научу Вас делать расчет и собирать такую систему отопления.
В этой статье вы узнаете:
Кто планирует подводить природный газ в котельное помещение, тому необходимо ознакомиться с требованиями для котельных с газовыми котлами.
Любой проект отопления, где планируется отопление дома, начинается с расчета тепловых потерь данного дома. О том, как посчитать дома разработаны СНиПы, Госты и различная литература для расчета тепловых потерь. Одним из СНиПов является СНиП II-3-79 «Строительная теплотехника».
Хочу немного рассказать по поводу тепловых расчетов. На самом деле расчет тепла осуществляется не какими-то приборами, как некоторые могут предположить. Любые инженеры на стадии проектирования пользуются чистой или теоретической наукой, которая позволяет за счет только известных материалов из которых сделан дом, произвести расчет теряемого тепла. Многие инженеры, чтобы ускорить используют специальные программы, одним из которых пользуюсь сам лично.
Программа называется: «Комплекс Valtec»
Данная программа абсолютно бесплатна и скачивается в интернете. Чтобы найти эту программу просто воспользуйтесь поиском в Яндекс и введите поисковую строчку: «Программа Комплекс Valtec». Если Вы не найдете в инете эту программу, то обратитесь ко мне и я подскажу Вам прямой адрес. Просто напишите в комментарии на этой странице и я отвечу там же.
Решение.
Для решения используется универсальная формула:
W — энергия, (Вт)
С — теплоемкость воды, С=1163 Вт/(м 3 °С)
Q — расход, (м 3)
t1 — Температура холодной воды
t2 — Температура горячей воды
Просто вставляем наши значения, не забывайте учитывать единицы измерения.
Ответ: На каждого человека необходимо 322 Вт/час.

Такой фильтр фильтрует крупную крошку, для того, чтобы исключить засор в котла. Котел при таком фильтре прослужит гораздо дольше, чем без него.
Также на обратную линию устанавливают . Но часто ставят его на подающую линию.

Первая причина, почему ставим обратный клапан на обратную линию системы отопления.
Обратный клапан служит для того, чтобы исключить обратное движение теплоносителя в случаях, если установлены параллельно два котла. Но это не означает, что его не нужно ставить на линию обратки когда установлен один котел.
По второй причине обратный клапан ставиться на подающую линию , для того, чтобы исключить обратное движения теплоносителя с целью исключить попадания мусора с системы отопления через подающую линию.
Как подключить два котла

Максимальный уровень подключения двух котлов с вентилями

Преимущества работы двух котлов в паре
При выходе одно котла из строя система отопления будет продолжать работать.
Не нужно покупать один мощный котел, можно купить два слабеньких котла.
Два слабеньких котла работающих вместе выдают гораздо больше нагретого теплоносителя, так как некоторые мощные котлы имеют малый диаметр прохода. Из-за малого проходного диаметра расход теплоносителя через котел, мягко говоря, остается недостаточным для большого дома. Хотя существуют схемы, которые позволяют увеличить расход. Об этом поговорим ниже.
Недостатки двух работающих котлов в паре
Стоимость двух слабеньких котлов, гораздо выше, чем одного мощного котла.
Будут не оправдано работать два насоса. Хотя два насоса могут работать вполне в экономичном режиме, чем один настроенный на большие обороты.
Что касается подбора диаметра трубы
Насколько я знаю, существуют три способа, как определить :
Обывательский способ — это подбор диаметра за счет определения скорости движения воды в трубопроводе. То есть подбирается диаметр, таким образом, чтобы скорость движения воды не превышала 1 метр в секунду для отопления. А для водоснабжения можно и побольше. Короче где-то повидали и скопировали, повторили диаметр. Также находят всякие рекомендации специалистов. Учитывается кокой-то средний показатель. Короче обывательский метод самый не экономический и в нем допускаются самые злостные ошибки и нарушения.
Практико-наработанный — это способ, при котором уже известны схемы и разработаны специальные таблицы, в которых уже имеются все диаметры и указаны дополнительные параметры по расходу и скорости движения воды. Такой способ подходит обычно для чайников, которые не разбираются в расчетах.
Научный способ самый идеальный расчет
Этот способ является универсальным и дает возможность определять диаметр для любой задачи.
Я много смотрел обучающих видео, и пытался найти расчеты по определению диаметров трубопровода. Но в инете толкового объяснения не находил. Поэтому уже более 1 года в инете существует моя статья по определению диаметра трубопровода:
А кто-то вообще пользуется специальными программами, по расчетам гидравлики. Мало того я даже находил неправильные и неквалифицированные расчеты по гидравлике. Которые до сих пор гуляют в интернете и многие продолжают использовать не разумный метод . В особенности не правильно считают гидравлику систем отопления.
Для точного определения диаметра нужно понять следующее:
А теперь внимание!
Насос толкает жидкость по трубе, а труба со всеми поворотами дает сопротивление движению.
Сила насоса и сила сопротивления измеряется только одной единицей измерения — это метры. (метры водяного столба).
Чтобы протолкнуть жидкость в трубе насос должен справиться с силой сопротивления.
Я разработал статью, где подробно описывается :
Любой насос обладает двумя параметрами: Силой напора и расходом. Поэтому все насосы обладают напорно-расходными графиками, на которых по кривой показано как меняется расход в зависимости от сопротивления движения жидкости в трубе.
Для подбора насоса необходимо знать сопротивление, создаваемое в трубе при определенном расходе. Необходимо знать сначала, сколько потребуется перекачивать жидкости в единицу времени (расход). При указанном расходе найти сопротивление в трубопроводе. Далее напорно-расходная характеристика насоса покажет, подходит Вам такой насос или нет.
Для того, чтобы находить сопротивления в трубопроводе разработаны следующие статьи:
На стадии проектирования можно найти расход всей системы , достаточно знать тепловые потери определенного здания. В этой статье описан алгоритм расчета расхода теплоносителя при определенных теплопотерях:
Рассмотрим простенькую задачу
Имеется один котел и двухтрубная тупиковая . Смотри изображение.

Обратите внимание на тройники, они обозначены цифрами… При пояснении буду указывать так: Тройник1, тройник2, тройник3 и т.д. Также обратите внимание, что обозначены расходы и сопротивления в каждых ветках.
Дано:
Найти:
Диаметры трубопроводов каждой веткиПодобрать напор и расход насоса.
Решение.
Находим общий расход системы отопления.
Примем, что температура подающей линии 60 градусов, а обратной линии 50 градусов.
тогда, согласно формуле

1,163 — теплоемкость воды, Вт/(литр °С)
W — мощность, Вт.
где Т 3 =Т 1 -Т 2 — разница температур между подающим и обратным трубопроводом.
Разница температур задается от 5 до 20 градусов. Чем меньше разница, тем больше расход и соответственно для этого увеличивается диаметр . Если разница температур больше, то расход уменьшается, и диаметр трубы может быть меньше. То есть если вы зададите разницу температур равной 20 градусам, то расход будет меньше.
Находим диаметр трубопровода.
Для наглядности необходимо схему привести в блочный вид

Поскольку, сопротивление в тройниках очень мало, его не стоит брать в расчет при расчете сопротивления в системе . Так как сопротивление протяженности трубы будет многократно превышать сопротивление в тройниках. Ну, если Вы педант и хотите посчитать сопротивление в тройнике, то рекомендую в случаях, если расход больше идет на поворот в 90 градусов, то используйте угла. Если меньше, то можно закрыть на это глаза. Если движение теплоносителя по прямой, то сопротивление очень мало.
Сопротивление1 = ветка 1 от тройника2 до тройника7Сопротивление2 = ветка радиатора2 от тройника3 до тройника8Сопротивление3 = ветка радиатора3 от тройника3 до тройника8Сопротивление4 = ветка 4 от тройника4 до тройника9Сопротивление5 = ветка радиатора5 от тройника5 до тройника10Сопротивление6 = ветка радиатора6 от тройника5 до тройника10Сопротивление7 = путь от тройника1 до тройника2Сопротивление8 = путь трубы от тройника6 до тройника7Сопротивление9 = путь трубы от тройника1 до тройника4Сопротивление10 = путь от тройника6 до тройника9Сопротивление11 = путь трубы от тройника2 до тройника3Сопротивление12= путь трубы от тройника8 до тройника7Сопротивление13 = путь от тройника4 до тройника5Сопротивление14= путь трубы от тройника10 до тройника9Сопротивление главной ветки = от трайника1 до трайника6 по линии котла
На каждое сопротивление необходимо подобрать диаметр. В каждом участке сопротивления свой расход. На каждое сопротивление необходимо установить заявленный расход в зависимости от тепловых потерь.

Находим расходы на каждом сопротивлении.
Чтобы найти расход в сопротивление1 необходимо найти расход в радиаторе1.

Расчет подбора диаметра производится циклично:
Дальнейшие расчеты по этой задаче уложены в другую статью:
Ответ: Оптимальный минимальный расход равен: 20л/м. При расходе в 20 л/м сопротивление системы отопление составляет: 1м.
Конечно, еще необходимо учитывать сопротивление котла, которое можно принять примерно 0,5 м. В зависимости от диаметров прохода самого котла. Вообще если быть точнее, то необходимо в самом котле по трубкам рассчитать . Как это сделать описано тут:
Как обвязать систему водяного отопления очень большого дома
Существует универсальная схема для систем водяного отопления, которая позволяет сделать систему более совершенной, функциональной и очень производительной.
Выше я уже объяснял, для чего нужны такие элементы:
Гидрострелка — это на самом деле гидравлический разделитель, подробное объяснения и расчет гидрострелок объясняется тут:
Но я немного повторюсь и поясню еще кое-какие детали. Рассмотрим схему с гидравлическим разделителем и коллектором вместе.

V1 и V2 не должны превышать скорость 1 м/с при увеличении скорости наступают не оправданные сопротивления на входе и выходе патрубков.
V3 не должен превышать скорость 0,5м/с при увеличение скорости наступает влияние сопротивления от одного контура к другому.
F — Расстояние между патрубками не регламентируется и принимается минимально возможным для того, чтобы комфортно присоединить различные элементы (100-500мм)
R- Вертикальное расстояние также не регламентируется и принимается минимально 100мм. Максимальным до 3метров. Но правильнее будет расстояние(R) диаметров четырех патрубков(D2).
Основная цель гидрострелки — это получение независимого расхода, который не будет влиять на расход котла.
Основная цель коллектора разделить один поток на множество потоков так, чтобы потоки друг на друга не влияли. То есть, чтобы изменение одного из потоков коллектора не влияло на другие потоки. То есть в коллекторе возникает очень медленное движение теплоносителя. Медленная скорость в коллекторе меньше влияет на потоки, выходящие из него.
Разбираем входной диаметр от котла D1
Одним из расчетов диаметра является вот такая формула:

Нужно стремиться к минимальной скорости движения теплоносителя. Чем быстрее движется теплоноситель, тем выше сопротивление движению. Чем больше сопротивление, тем медленнее движется теплоноситель и слабее греет система .
Задача.
А давайте еще попробуем увеличить диаметр до 32мм.
Тогда график будет таков.

Максимальный расход 29 л/м. Разница от первоначального на 4л/м.
Решать Вам стоит ли овчинка выделки… Дальнейшее увеличение приведет к бессмысленной трате денег на большого диаметра.
Далее я принимаю в расчет, что с каждого котла будет расход 29 л/м. расход от двух котлов будет равен 58л/м. Теперь я хочу посчитать какой диаметр выбрать для трубы объединяющий два котла и входящий в гидрострелку.

Находим диаметр после тройника
Дано:
При расходе 58 л/м сопротивление составило: 0,85 м, в основном сопротивление создает около 0,7м. Чтобы уменьшить сопротивление фильтра грязевика, достаточно увеличить его диаметр или резьбу на нем. Чем больше проходимость фильтра грязевика, тем меньше сопротивления в нем.
Поэтому принимаем решение: Не увеличивать диаметр, а увеличить фильтр грязевик, с резьбой до 1,5 дюйма.
С этим эффектом мы значительно увеличим общий тепловой расход от котла в гидрострелку.
Также этим эффектом увеличения расхода через котел мы увеличиваем КПД котлов.
Также, если мы хотим снизить сопротивление обратного клапана, то резьбу на нем следует увеличить. Поэтому принимаем с резьбой на 1,25 дюйма.
Шаровые краны следует подобрать таким образом, чтобы внутренний проход не заужался и не увеличивался, а точно повторял проход самой . Выбирайте проход в сторону увеличения диаметра.
Подробнее о гидрострелках:
По условию задачи:

Расход теплых полов: 3439 л/ч при температурном напоре 10 градусов.
400м 2 х 100Вт/м 2 = 40000 Вт
Что касается радиаторного отопления, принципа работы различных схем. Я пока не приготовил статьи на эту тему, так как большинство знают, как это делать, хотя бы приблизительно. Но в планах есть затронуть эту тему, и прописать строгие законы и расчеты по разработке схем в пространстве.
Что касается теплых водяных полов
На схеме видно, что теплые водяные полы подключены через . Схема через трехходовой клапан образует .
Смесительный узел — это специальная цепь трубопроводов, которая образует смешивание двух разных потоков. В данном случае для идет смешивание двух потоков: Нагретого теплоносителя из коллектора и остывшего возвращенного из теплых полов. Такое смешение, во-первых, дает пониженную температуру, а во-вторых, добавляет расход в теплые полы. Дополнительный расход ускоряет течение теплоносителя по трубам.
Инженерный расчет диаметров для необходимого расхода
Для этих расчетов я разработал раздел:
Как избавляться от воздуха в системе отопления в постоянном режиме?
Самым идеальным способом от избавления воздуха в автоматическом режиме служит элемент: Автоматический воздухоотводчик. Но для эффективного его использования его нужно установить на самый высокий подающий трубопровод систем отопления. Кроме того нужно создать область пространства, в котором будет отделяться воздух.
Смотри схему:

То есть выходящий теплоноситель из котла должен первым делом устремляться вверх на систему отделения воздуха. Система отделения воздуха состоит из бака толщиной больше диаметра в 6-10 раз входящего в него патрубка. Сам бак воздухоотделителя должен находиться в самой наивысшей точке . Вверху бака должен быть .
Входящий патрубок должен находиться вверху, а уходящий из него внизу.
Когда теплоноситель имеет низкое давление, то и газы в нем начинают выделяться. Также самый горячий теплоноситель имеет более интенсивное газовыделение.
То есть, загоняя теплоноситель в самый верх, мы уменьшаем ему давление и тем самым воздух начинает выделяться более интенсивно. Так как теплоноситель, сразу идущий в бак воздухоотделителя имеет самую высокую температуру и соответственно газовыделение будет интенсивным.
Поэтому для идеального воздуховыделения в системе отопления необходимо выполнить два условия: Это высокая температура и низкое давление. А низкое давление находиться в самой высокой точке.
Для примера можно попробовать установить насос после бака воздухоотделителя, тем самым уменьшив давление в баке.
И почему такой метод выделения воздуха не используется повсеместно?
Такой метод выделения воздуха давно известен!!! К тому же на порядок снимает хлопоты по выделению воздуха.
Как подключить твердотопливный котел
Как известно твердотопливные котлы подвержены риску перегрева из-за сбоя механизмов перекрывания воздуха. Для безопасного использования твердотопливных котлов для систем отопления от высоких температур используют два основных элемента.
Как работает емкостный гидравлический разделитель описано тут:
Чем опасны высокие температуры для систем отопления?
Если у вас имеются пластиковые трубы типа полипропилена, металлопластика и , то вам противопоказаны прямые подключения таких труб к твердотопливному котлу.
Твердотопливный котел подключается только стальными и медными трубами, которые способны выдерживать температуры свыше 100 градусов.
Трубами, выдерживающими высокие температуры собирается с ограничением по температуре.
Трехходовые клапаны в основном используются с большим проходным сечением и сервоприводами. с механическим передвижением клапанов имеют сильно зауженое проходное сечение, поэтому ознакомьтесь с графиками расходов данных трехходовых клапанов.
Трехходовой клапан в контуре котла служит для того, чтобы не пустить низкую температуру с . Такой трехходовой должен пропустить теплоноситель в котел не меньше 50 градусов.
То есть если в системе отопления ниже 30 градусов, то начинает открывать контур котла внутри самого котла. То есть выходящий теплоноситель из котла сразу заходит в котел на обратную линию. Если температура котла выше 50 градусов, начинается в пуск холодного теплоносителя из (с бака). Это нужно для того, чтобы не вызвать сильную перегрузку по температуре в контуре котла так как большой температурный напор вызывает конденсат на стенках теплообменника, а также уменьшает благоприятный отжиг дров. В таком режиме котел прослужит больше. Также розжиг котла будет быстрым и эффективным чем, если бы в котел поступал постоянно ледяной теплоноситель.
Температура твердотопливного котла должна быть не ниже 50 градусов. В противном случае нужно уменьшать температуру трехходового клапана не 50, а ниже градусов до 30.
При низком температурном отоплении в 50 градусов нужно учесть понижение температур трехходовых клапанов. Если на котле выставить 50 градусов, то на трехходовом клапане контура котла выставить 20-30 градусов, а на выходе градусов 50. Также учтите, чем выше температурный напор в котле, тем выше КПД котла. То есть в котле должен поступать более остывший теплоноситель. Также чем больше расход через котел, тем выше КПД котла. Об этом свидетельствует теплотехника.
Расход через котел должен быть максимально возможным для эффективного теплообмена (КПД выше.).
Трехходовой клапан на выходе к потребителю тепла нужен для того, чтобы стабилизировать температуру потребителю и не допустить попадания высокой температуры.
К примеру, из реального объекта:




На этом статья закончена, пишите комментарии.
Этот материал относиться к разделу: Конструктор водяного отопления
Если Вы желаете получать уведомленияо новых полезных статьях из раздела:Сантехника, водоснабжение, отопление,то оставте Ваше Имя и Email.
Давайте, начнем с того, что в современном доме, расположенном с средней полосе, должно быть 2 котла. Даже не обязательно 2 котла, но два независимых источника тепловой энергии – это точно.
О том, какие это могут быть котлы или источники энергии, мы уже писали в статье « ». Там более чем подробно описано, к какому котлу, какой дублер нужно и можно подбирать.
Сегодня же рассмотрим, как подключить 2 и более теплогенератора в единую систему отопления и как их связать. Почему пишу про 2 и более единицы теплового оборудования? Потому что может быть более 1 основного котла, например, два газовых котла. А также может быть более 1 резервного котла, например, на разных видах топлива.
Подключение двух и более основных теплогенераторов
Рассмотрим сначала схему, при которой у нас имеется два и более теплогенератора, которые являются основными и, отапливая дом, работают на одинаковом топливе.
Это, обычно, которые соединяют в каскад для того, чтобы отапливать помещения от 500 кв.м. общей площади. Достаточно редко соединяют вместе для основного отопления или твердотопливные котлы.

Речь идет именно про основные теплогенераторы, и про отопление жилых помещений. Ибо каскадные и модульные котельные для отопления больших промышленных помещений могут включать в себя «батареи» угольных котлов или мазутных в количестве до одного десятка.
Итак, как уже говорилось выше, подключаются в каскад, когда второй идентичный котел или чуть меньшей мощности дополняет собой первый теплогенератор.
Обычно в межсезонье и небольшие морозы работает первый в каскаде котел. В морозы или при необходимости быстрого догрева помещений к нему в помощь подключается второй котел в каскаде.
В каскаде основные котлы подключаются последовательно, чтобы , нагретую первым теплегенератором. При этом, естественно, в этой связке есть возможность изолировать каждый котел и байпас, позволяющий пустить воду в обход изолированного котла.
В случае неполадок любой из теплогенераторов можно отключить и ремонтировать, в то время как второй котел будет исправно греть воду в системе отопления.
Системе этой особенной альтернативы нет. Как показывает практика, лучше и надежнее иметь 2 котла мощностью по 40 квт, чем один котел мощностью в 80 квт. Это позволяет проводить ремонт каждого отдельного котла без остановки системы отопления.
А также позволяет каждому из котлов работать на своей полной мощности при необходимости. В то время как 1 котел большой мощности работал бы только в половину мощности и повышенным тактованием.
Параллельное подключение котлов – плюсы и минусы
Основные котлы мы рассмотрели выше. Теперь рассмотрим подключение резервных котлов, которые должны быть в системе любого современного дома.
Если резервные котлы подключены параллельно, то у этого варианта есть свои плюсы и минусы.

Плюсы параллельного подключения резервных котлов следующие:
- Каждый котел можно независимо друг от друга подключать и отключать от .
- Можно заменять каждый теплогенератор на любое другое оборудование. Можно экспериментировать с настройками котлов.
Минусы параллельного подключения резервных котлов:
- Придется больше работать с обвязкой котлов, больше паять полипропиленовые трубы, больше варить стальные трубы.
- Как результат, больше уйдет материалов, труб и фитингов, и запорной арматуры.
- Котлы не смогут работать вместе, в единой системе, без использования дополнительного оборудования – гидрострелки.
- Даже после использования гидрострелки остается необходимость сложной настройки и согласования такой системы котлов по температуре подачи воды в систему, и .
Указанные плюсы и минусы параллельного подключения можно применять как к соединению основного и резервного теплогенератора, так и к соединению двух или более резервных теплогенераторов на любом виде топлива.
Последовательное подключение котлов – плюсы и минусы
В случае последовательного подключения двух и более котлов, они будут работать так же, как основные котлы, подключенные в каскад. Первый котел будет нагревать воду, второй котел будет ее догревать.

В этом случае первым стоит поставить котел на самом дешевом для вас виде топлива. Это может быть дровяной, угольный или котел на отработанном масле. А за ним может в каскаде стоять любой резервный котел – хоть дизельный, хоть пеллетный.
Основные плюсы параллельного подключения котлов:
- В случае работы первым , теплообменники второго котла будут играть роль своеобразного гидравлического разделителя, смягчая воздействие на всю систему отопления.
- Второй резервный котел можно включать для догрева воды в системе отопления в самые морозы.
Минусы при использовании параллельного способа подключения резервных теплогенераторов в котельной:
- Более длинный путь воды через систему с большим количеством поворотов и заужений в соединениях и фитингах.
Естественно, нельзя напрямую пускать подачу от одного котла во вход другого. В этом случае вы не сможете отсоединить ни первый, ни второй котел, в случае необходимости.

Хотя с точки зрения согласованного нагрева котловой воды этот способ как раз будет самым эффективным. Его можно реализовать, если смонтировать обходные байпасные петли для каждого котла.
Параллельное и последовательное подключение котлов – отзывы
А вот и пара отзывов про параллельное и последовательное подключение теплогенераторов в системе отопления от пользователей:
Антон Кривозванцев, Хабаровский край: У меня стоит , он основной и греет всю систему отопления. Руснитом я доволен, нормальный котел, за 4 года эксплуатации сгорел 1 ТЭН, я сам его поменял, там всех делов на 30 минут с перекуром.
К нему в пару подключен котел КЧМ-5, в который я встроил . Знатный получился паровоз, отлично греет и самое главное, автоматизация процесса почти такая же, как у автоматического пеллетного котла.
Эти 2 котла работают у меня в паре, один за другим. Ту воду, что не нагрел Руснит, за ним греет КЧМ-5 и горелка Пеллетрон-15 на пеллетах. Система получилась такая, какая надо.
Есть еще один отзыв, теперь уже про параллельное подключение 2 котлов в котельной:
Евгений Скоморохов, Москва: Мой основной котел – , работает в основном на дровах. Мой резервный котел – самый обычный ДОН, который включен в систему с первым параллельно. Он редко когда разжигается, да и вообще, достался мне в наследство вместе с купленным домом.
Но 1 или 2 раза в году, в январе, приходится затапливать и старый ДОН, когда вода в системе почти закипает, а в доме все равно холодновато. Это все по причине плохого утепления, не до конца еще закончил утеплять стены, да и перекрытия чердачные хорошо бы получше утеплить.
Когда до конца будет сделано утепление, думаю, старый котел ДОН вообще не буду растапливать, но оставлю его как резервный.
Если у вас есть комментарии к этому материалу, прошу вас писать их в форму комментариев, размещенную внизу.
Еще по этой теме на нашем сайте:
- Слова «газовые котлы отопления одноконтурные напольные» неискушенному человеку незнакомы и звучат до безобразия непонятно. Тем временем, интенсивное загородное строительство популяризирует…
- Котлы Buderus Logano G-125, работающие на жидком топливе, выпускаются в трех мощностях – 25, 32 и 40 киловатт. Основное их…
- Принцип работы любого газового котла заключается в том, что в результате сгорания газового топлива, образуется тепловая энергия, которая передается теплоносителю…
- Конвекторы отопления водяные напольные равномерно и в короткий промежуток времени обогревают помещение любого размера. С точки зрения эстетики интерьера, такие…
