Этот бытовой прибор помогает сушить волосы уже более 75 лет — первый образец этого электрического изделия появился в начале 40-х годов прошлого столетия. Сегодня фен есть практически в каждом доме, и любой человек знает правила его эксплуатации. А вот внутреннее устройство фена знакомо лишь некоторым — мы постараемся восполнить этот пробел в знаниях.
Конструкция фена не отличается сложностью: корпус из прочного пластика, внутри расположен миниатюрный вентилятор с мощным электрическим двигателем и нагревательные элементы из нихрома. Принцип работы также прост: с тыльной стороны изделия в результате работы вентилятора поступает воздушный поток, который нагревается до оптимальной температуры, а потом покидает устройство через сужающееся сопло.
На сопло фена для сушки волос можно одевать различные насадки типа расчески или круглой щетки для обработки длинных волос, как это сделано на изделии от компании Rowenta. Применяются и другие насадки — в виде мелких и крупных расчесок разной конструкции. С торца прибора установлена защитная решетка с мелкоячеистой сеткой, чтобы внутрь не попадали мелкие предметы и длинные волосы.
Для регулировки скорости прохождения воздуха, а также степени его нагревания разные модели фена для волос имеют переключатели, установленные на пистолетной рукоятке для удобства пользователей.

Стандартные схемы изделий практически одинаковые, за исключением небольших нюансов. На рисунке представлены основные детали фена:
- пропеллер вентилятора;
- электрический моторчик;
- нагревательный элемент в виде спирали;
- основа с термозащитой;
- кнопка пуска и переключатель режимов;
- шнур подвода питания.
Как видно из схемы, фен устроен довольно просто: основные узлы — это нагреватель и вентилятор, который построен на базе коллекторного типа миниатюрных электрических двигателей на 12-18 В. На его вал жестко посажен пластмассовый пропеллер, конструкция которого различается у разных производителей. Элемент нагревания — это основа из несгораемого материала, с намотанными на ее корпус проволочными нитями или специальными спиралями. Обмоток может быть несколько, что зависит от режимов, по которым работает фен, но одна из них обязательно понижающая.

Нагреватель фена

Вентилятор фена
На фото показаны мини-двигатель и вентилятор, а ниже блок нагревательного элемента с двумя обмотками.

Спирали должны постоянно охлаждаться воздушным потоком, чтобы не перегревались. Если по какой-то причине этого не происходит, то сразу срабатывает встроенная защита от перегрева — этим отличаются фены самых известных брендов, например, Филипс или Ровента.
Система защиты от перегрева
Основное назначение фена — это сушка и быстрая укладка волос в прическу, при этом температура выходящего воздуха доходит иногда до 60 градусов. Многие устройства оборудованы переключателями, регулирующими скорость истечения воздуха и его теплоту. Для защиты внутренних деталей от высоких температур установлена система защиты, которая отключает подачу электроэнергии работающему изделию в экстренных случаях.
Мало кто из пользователей знает, откуда произошло такое наименование изделия для сушки волос, как фен — иногда с гор в долины приходит сухой, горячий, сильный и довольно порывистый ветер, которому местные жители дали название фён.
В устройстве любой современной модели обязательно присутствуют два особо чувствительных элемента:

Фенов не такая сложная, как кажется: минимум основных составляющих, поэтому, при наличии базовых знаний по электротехники, разобраться в ней можно, если будет такая необходимость. Полное описание есть в инструкции по эксплуатации конкретного изделия.

Типичные неисправности
Рассмотрим причины отказа основных деталей, потому что поломка любой из них гарантирует отказ всего изделия от работы, т. к. далее его использовать без ремонта не получится. Простую диагностику можно провести самостоятельно, если знать самые типичные проблемы этих бытовых приборов.

Если ваш домашний мастер легко разбирается в электрических бытовых приборах, то услуги профессиональных мастеров вам не понадобятся — все перечисленные отказы можно устранить самостоятельно.
Безопасная эксплуатация
Чтобы не посещать часто центр сервиса и экономить время и семейный бюджет, необходимо четко выполнять все требования по эксплуатации:
- Используйте только стандартные, заводского изготовления удлинители.
- Осматривайте шнур перед каждым использованием изделия и не наматывайте его на рукоять при хранении.
- Можно пользоваться только прилагаемыми насадками, которые идут в комплекте.
- Не пользуйтесь изделием в помещении с повышенной влажностью и не допускайте попадания на него воды.
- Установите в воздухозаборник специальный мелкоячеистый фильтр, исключающий засасывание волос внутрь устройства.
- В случае проявления любой неисправности — немедленно отключайте изделие от электрической сети.
- Не дергайте провод из розетки и не носите прибор за шнур. Помните, что внутри его провода не стальные, а медные, которые от механического воздействия могут повредиться.
- Не перегревайте фен, если вам нужен прибор для длительного использования — приобретите профессиональное устройство, рассчитанное на долгую работу.
- Перед укладкой прибора на хранение надо дать ему время на остывание не менее получаса.
- Хранить изделие нужно в сухом месте, ящик должен запираться.
При точном исполнении всем рекомендаций ваш фен будет работать без ремонта, а ваша прическа будет выглядеть безупречно и стильно.
Сегодня все женщины, а нередко и мужчины, пользуются феном для быстрой сушки волос. Существует много разновидностей этих изделий, но принцип работы и конструкция у них одинаковая, только иногда встречаются небольшие технические нюансы. Если вы задумались, например, о том, как разобрать фен Rowenta Studio Dry 2000, то сразу должны предупредить, что его конструкция ничем не отличается от других аналогов, за исключением моделей Rowenta CF 9320 или 9000, которые считаются фенами-щетками.
Любая модель фена Ровента имеет в наличии основные элементы, без которых она не может функционировать. Эти узлы и детали совместно выполняют основную работу по сушке волос любой длины с отличным эффектом, а некоторые, со значкомION — делают ионизацию воздуха для лучшей укладки.
У каждого изделия есть переключатели, внешний вид и количество которых отличается, но принцип действия идентичен.
По заверению специалистов, самая сложная деталь устройства — тиристор, поэтому осуществить ремонт фена для сушки волос своими руками не составляет особого труда для пользователей.
На рисунке ниже показаны основные составляющие любого фена:

- вентилятор;
- электрический двигатель;
- защитная решетка воздухозаборника;
- основа фена — нагревательный элемент;
- термостойкая основа;
- кнопка пуска;
- выключатель термостата;
- шнур подвода питания;
- фиксатор торца рукояти;
- колодка контактов.
Алгоритм демонтажа и поиска неисправностей
Ремонт фена любой сложности начинается с визуального осмотра изделия — здесь нет особой разницы, делает это специалист или пользователь, который отважился все сделать своими руками. Расскажем поэтапно, как следует проводить диагностику изделия.
Вначале следует внимательно осмотреть розетку на предмет подгорания контактов или их разболтанность. При обнаружении неисправностей, контакты зачистить или подтянуть, вилка должна входить в них с некоторым усилием и не болтаться при этом.

Силовой провод
Осматривать его надо с места входа в рукоять изделия: здесь расположена колодка контактов, а потом осмотр продолжается до самой вилки — искать надо повреждения изоляции, внутренних пригаров и излом.

Корпус
Как правило, разборка фена начинается с демонтажа корпуса, который состоит из двух половинок, соединяющихся винтами, а в передней части у сопла специальными защелками. Эти защелки можно сломать, поэтому действовать надо осторожно, кроме этого, существуют скрытые винты, которые закрывают наклейки, пластмассовые вставки и съемные крышки.
Модели фенов Rowenta довольно похожи по внешнему виду, например, модель Rowenta Pro 2300 разбирается аналогично другим стандартным фенам, а вот фены-расчески разбираются немного по-другому — у них есть свои конструктивные особенности. Это надо учитывать, когда вы собрались отремонтировать изделие самостоятельно — надо внимательно прочитать инструкцию и посмотреть видео по разборке именно вашей модели.

Перед ним ставят защитную решетку и фильтр, который препятствует попаданию внутрь волос и пыли. Довольно часто она забивается, и ее надо прочищать при помощи небольшой кисточки. В бюджетных вариантах стоит только решетка, поэтому вентилятор может снизить свои обороты из-за присутствия на валу волос и пыли. Лопасти устройства очищают с помощью старой зубной щетки, а с вала надо осторожно снять пропеллер и удалить намотанные волосы.

Электродвигатель
Если он некорректно работает, то и все устройство барахлит, что происходит при пробое обмотки или перегорании диодного моста. В некоторых случаях виноваты щетки — произошла их предельная выработка.
Ось движка должна вращаться без биения и в свободном режиме, после любого ремонта все трущиеся части надо смазывать, а проблемные места подгонять вручную.
Спираль
Многие модели имеют несколько спиралей, с помощью которых осуществляется работа разных режимов нагревания воздушного потока. Целостность их восстанавливается пайкой, а все дефекты легко обнаружить визуально. Иногда спирали следует сменить на аналогичные изделия из нихромовой нити с идентичными параметрами.

Микросхемы
Разберем типичные виды неисправности:
- основа из гетинакса может потрескаться, при этом дорожка из олова разрывается, ремонт производится по следующей технологии — поврежденные участки залудить, покрыть припоем;
- конденсаторы раздуваются — их выпаивают и устанавливают новые;
- неисправные резисторы сразу же темнеют — их необходимо менять.
Здесь пригодятся навыки по работе с паяльником, а тем пользователям, кто этого не умеет — советуем идти к мастерам, разбирать фен самостоятельно в этом случае не стоит.
Мы кратко постарались разъяснить, как можно разобрать некоторые модели фена от немецкой компании Rowenta, но хотим предупредить, что ремонт этих изделий отличается сложностью для непосвященных пользователей. Внутри таятся такие доработки, как регуляторы плавного действия типа кнопки Care, что в переводе означает «Уход»; спирали делаются из специальных сплавов, обрыв их трудно соединить надежно в домашней обстановке. Кроме этого, производители вставляют специальные ионизаторы воздушного потока и прочие новшества.
Прежде чем начинать разборку фена, необходимо найти принципиальную электрическую схему изделия, если ее нет в прилагаемой инструкции, проконсультироваться со знакомыми специалистами. Помните — разобрать любой бытовой прибор гораздо проще, чем затем собрать и не нарушить при этом взаимодействие всех основных узлов и деталей.
Сложно найти девушку или женщину, которая для сушки волос не использовала бы фен, особенно в холодное время года. И это понятно, так как, чтобы длинные волосы хорошо высохли при комнатной температуре, необходимо несколько часов, а с нынешним темпом жизни – это роскошь.
Поэтому, эти приборы были, есть и будут востребованы всегда. И это доказывает статистика по продажам фенов в качестве подарка женщинам по разным случаям. Именно эти приборы занимают одно из лидирующих мест, так как вещь нужная и недорогая.Но каким бы качественным не было изделие – повышенная температура, большой ток потребления, и, как правило, неправильная эксплуатация, часто приводят к поломкам бытовых фенов.
Рис. 1. Ремонтируемый фен «Startex»
И прежде чем покупать новый прибор, можно попробовать вернуть к «жизни» старого друга. Тем более что поломка может оказаться незначительной и легко устранимой.
Ниже, будет подробно описана одна из часто встречающихся поломок фенов и способ ее устранения (на примере фена «Startex»).
Из инструментов понадобятся только те, которые есть практически в каждом доме. Единственное, чего может не быть – это мультиметра или какого-нибудь другого прибора, показывающего цепь. Но наверняка, он есть у знакомого, или соседа, и его можно попросить на время ремонта. Если все-таки рядом не окажется доброго соседа или друга-электрика, можно купить самый дешевый мультиметр, тем более, их сейчас на рынке хватает. В будущем он обязательно пригодится, например, для проверки лампочки, батарейки или напряжения в сети.
На фото (рисунок 1) фен, имеющий проблему в работе.
Она заключается в том, что при включении на максимальную мощность, он никак не реагирует.
Рис.2. Заглянули во внутрь
Сам фен имеет три положения переключателя:
- Самое нижнее – «ВЫКЛ».
- Среднее – половина мощности нагрева.
- Верхнее – максимальная мощность нагрева.
Рис. 3. Три положения фена
Чаще всего в верхнем положении и используется фен, так как дает максимально быструю сушку. Поэтому игнорировать такую поломку недопустимо.
Итак, чтобы найти причину неисправности, необходимо разобрать прибор. Начать следует с ручки.
Рис. 4. Откручиваете ручку фена
На ней расположен переключатель положений и два крепежных винта под крестовую отвертку.
Кладем фен на бок, и откручиваем эти два винта.
Рис. 5. Снимаем боковую часть ручки
После снятия крышки можно увидеть ее начинку.
Рис. 6. Электроника фена
Здесь располагаются: переключатель, диод, конденсатор, нулевой (общий) зажим и хомут для фиксации шнура.
Рис. 7. Общий зажим
Нулевой зажим располагается внутри диэлектрического колпака (рисунок 7).
В нем соединяются: провод со шнура питания – синего цвета, черный провод, который уходит дальше на нагреватель, и один вывод конденсатора.
Переключатель положений имеет три вывода. Один общий, на который приходит фазный коричневый провод со шнура питания.С другой стороны, на выводы припаян диод.
Если посмотреть на принципиальную схему (рисунок 8), то можно увидеть, что в одном из положений переключателя, ток поступает на нагреватель через диод. Это уменьшает мощность нагрева и соответствует среднему положению переключателя.

Когда замкнут второй, или оба контакта, ток проходит на спираль нагревателя, минуя диод, что соответствует максимальной мощности – третье положение.
Конденсатор служит для гашения помех выдаваемых двигателем в сеть. Этот конденсатор можно вообще демонтировать. Тогда появится больше места в ручке, и он не взорвется при повышении напряжения в сети.
При осмотре этих компонентов, следует обратить внимание на их внешнее состояние. Не должно быть повреждений, нагара, обрыва проводников и деформации корпуса от температурного режима.
Если все провода на своих местах, нужно обратить внимание на переключатель. Это слабое звено в цепи, так как в нем происходит механическое движение контактов и при их размыкании электродуга, образующая нагар на их поверхности.
Можно проверить целостность диода, но в этом случае нет необходимости это делать, так как в половину мощности, фен работает, а значит диод цел.
Рис. 9. Проверяем внешнее состояние компонентов
Проверить нужно прохождение тока через переключатель.
Для этого соединяем один конец прибора для проверки цепи к общему выводу, а другой, к выводам на противоположной стороне.Но делать это нужно при определенном положении переключателя.
Вначале, соединяем прибор там, где припаян только диод, и ставим рычаг переключателя в среднее положение.
Рис. 10. Переключатель в крайнем нижнем положении
Рис. 11. Проверка тока через переключатель
Индикатор показывает цепь. Значит, контакты внутри корпуса замыкаются и это хорошо.
Переключатель необходимо поставить в крайнее верхнее положение (рисунок 12).
Рис. 12. Переключатель в крайнем верхнем положении
Рис. 13. Проверка второго вывода
Прибор не показывает цепь, значит, что-то произошло с контактами. Благо дело переключатель оказался разборной. Верхнюю и нижнюю его части, скрепляют два винта.
Их необходимо осторожно выкрутить. Тут поможет отвертка, и необязательно крестовая. Подойдет обычная прямая, с мелким наконечником, например, часовая.
Винты закручены довольно сильно, поэтому придется приложить некоторые усилия. Нужно быть предельно осторожным, отвертка тонкая и может нанести глубокую травму при соскальзывании. Поэтому пальцы под переключатель лучше не подкладывать.Для удобства можно вынуть всю начинку, открутив хомут крепления кабеля.
Теперь можно упереть нижнюю часть корпуса о стол и надавить отверткой на винт (рисунок 14).
Рис. 14. Разбираем переключатель
Таким способом довольно легко выкручиваются небольшие винтики. Когда оба винта будут выкручены, осторожно двумя пальцами снимаем верхнюю крышку переключателя.
Рис. 15. Снимаем крышку переключателя
Под ней располагается ручка переключателя, с обратной стороны которого вырезан специальный рельеф, благодаря ему, происходит нажим или поднятие контактов при определенном положении рычага переключателя.
Рис. 16. Внутреннее устройство переключателя фена
В центре ручки сделано отверстие под пружину, которая вместе с металлическим шариком (рисунок 16), обеспечивает ступенчатое переключение режимов. При разборке необходимо следить за тем, чтобы пружинка и шарик не потерялись. Их сразу лучше положить, например, в спичечный коробок.
Неподвижные, находятся вверху, а подвижные имеют пружинистую структуру, благодаря которой, контакты замыкаются, если на них ничего не воздействует. При переключении режимов «кулачки» рычага надавливают на эти контакты, и они под их воздействием, опускаются вниз и размыкаются.
Рис. 17. Контакты переключателя фена
Если посмотреть сбоку на контакты (рисунок 18), то можно увидеть, что ближний, не возвратился в исходное положение для замыкания цепи.
Рис. 18. Смотрим на контакты сбоку
Как раз этот контакт, отвечает за включение максимальной мощности нагрева, который не работал.
Ниже на фото, можно увидеть, как работают контакты. При нажатии на дальний контакт, он прогибается.
Рис. 19. Так работают контакты
Если его отпустить, то он возвращается обратно и замыкает цепь.
Рис. 20. Контакт возвратился обратно
То же самое проделываем с другим контактом.
Рис. 21. Нажимаем на другой контакт
Вниз, он нажимается, а обратно уже не возвращается (рисунок 22).
Рис. 22. Контакт не возвратился обратно
Скорее всего, гибкий проводник с контактом, трется о боковую внутреннюю стенку корпуса переключателя и блокируется в нижнем положении. Это и есть причина некорректной работы прибора в одном из режимов.
Чтобы вернуть нормальную работу переключателя, необходимо выполнить следующую последовательность действий:
- Аккуратно сжать блок контактов «утиночками» или небольшими плоскогубцами. Это даст контакту более свободный ход в канавке корпуса переключателя.
Рис. 23. Сжимаем блок контактов - Дополнительно нужно обработать края гибких проводников надфилем. Для этого, саму площадку контактов можно снять. Так будет удобнее их обработать.
Рис. 24. Чистим надфилем края проводников - Так же, надфилем — чистим контакты от нагара.
Рис. 25. Избавляемся от нагара - Ставим контактную площадку на место.
Рис. 26. Ставим площадку на место - Для лучшего скольжения, смазываем внутренние стенки корпуса литолом.
Рис. 27. Литол на кончике резца
Рис. 28. Смазываем литолом
Теперь можно проверить, как улучшился ход контакта. Нажимаем пальцем на контакт, и отпускаем его.
Рис. 29. Проверка контактов
Видно, что контакт теперь работает нормально, и ничего не мешает его ходу.
Рис. 30. Пружина
Металлический шарик, лучше вставить в одну из канавок на корпусе (рисунок 31). Так он не соскочит с пружины при установке ручки переключателя.
Важно то, какой стороной поставить ручку переключателя, так как от этого зависит корректность его работы.
Рис. 31. Собираем переключатель
Когда правильная сторона определена, переворачиваем рычаг так, чтобы центр пружины попал именно на шар, а не в сторону.
Рис. 32. Попадаем пружиной на шарик
Придерживая ручку, надеваем на нее верхнюю часть корпуса переключателя.
Не отпуская крышку, закручиваем два винта крепления (рис. 33). Теперь переключатель готов, и не собирая фен, можно проверить его работу в разных режимах.
Рис. 33. Закручиваем 2 винта обратно
Так, как токоведущие части открыты, переключение режимов необходимо делать при отключенной от сети вилке питания. И только сделав переключение, подавать питание.
Этот электроприбор очень популярен и часто незаменим в быту. Когда фен ломается, вы можете обратиться в сервисный центр, а можете попытаться починить фен самостоятельно. Накопленный опыт ремонта свидетельствует о том, что поломки чаще всего устраняются без серьёзных денежных затрат. Чтобы отремонтировать фен для волос своими руками, нужно знать, как он устроен и правильно разобрать.
Как устроен аппарат
Любой фен имеет двигатель с крыльчаткой и нагреватель. Крыльчатка засасывает воздух с одной стороны фена, после чего он обдувает нагреватель и выходит уже горячим с другой стороны. Также фен имеет переключатель режимов работы и элементы для защиты нагревателя от перегрева.
У бытовых фенов вентилятор собран на коллекторном электродвигателе постоянного тока, рассчитанном на напряжение 12, 18, 24 или 36 вольт (иногда встречаются электродвигатели, работающие на переменном напряжении 220 вольт). Для питания электродвигателя используется отдельная спираль. Постоянное напряжение получают с диодного моста, смонтированного на выводах электродвигателя.
Нагреватель фена представляет собой каркас, собранный из негорючих и непроводящих ток пластин, на котором намотана нихромовая спираль. Спираль состоит из нескольких участков, в зависимости от того, сколько режимов работы имеет фен.
Вот так он выглядит:
Горячий нагреватель должен постоянно охлаждаться проходящим потоком воздуха. Если спираль перегревается, она может перегореть или может случиться пожар. Поэтому фен сконструирован так, чтобы автоматически отключаться при перегреве. Для этого используется термостат. Это пара нормально замкнутых контактов, размещённых на биметаллической пластине. Термостат находится на нагревателе ближе к выходному отверстию фена и постоянно обдувается горячим воздухом. Если температура воздуха превышает допустимую, биметаллическая пластинка размыкает контакты и нагрев прекращается. Через несколько минут термостат остывает и снова замыкает цепь.
Иногда в качестве дополнительной защиты используется ещё и термопредохранитель. Он одноразовый и при превышении определённой температуры перегорает, после чего его нужно менять.
Чтобы лучше понять принцип работы фена, можете посмотреть эти два видео (смотрите первое видео с 6-й минуты):
Видео: как устроен фен
Видео: что внутри фена
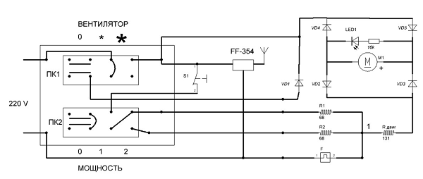
Принципиальная схема
Схема большинства бытовых фенов близка к вышеприведённой. Рассмотрим её подробнее. Нагреватель представляет собой три спирали: Н1, Н2 и Н3. Через спираль Н1 подаётся питание на двигатель, спирали Н2, Н3 служат только для нагрева. В данном случае у фена есть три режима работы. В верхнем положении SW1 схема обесточена. В положении > фен работает на минимальной мощности: питание подаётся через диод VD5, который отсекает одну полуволну переменного напряжения, включена только одна нагревательная спираль Н2(не на полную мощность), мотор вращается на низких оборотах. В положении > фен работает на средней мощности: диод VD5 закорочен, в схему поступают обе полуволны переменного напряжения, спираль Н2 работает на полную мощность, мотор вращается на номинальных оборотах. В положении > фен работает на максимально возможной мощности, так как подключается спираль Н3. При нажатии кнопки > нагревательные спирали Н2, Н3 отключаются, а мотор продолжает работать. Диоды VD1-VD4 представляют собой двухполупериодный выпрямитель. Катушки индуктивности L1, L2 и конденсаторы С2, С3 снижают уровень помех, которые неизбежно возникают при работе коллекторного электродвигателя. F1, F2 — это термопредохранитель и термостат.
Как разобрать фен для волос
Внимание! Перед разборкой вытащите вилку фена из розетки!
Части корпуса фена крепятся друг к другу с помощью винтов (шурупов) и специальных защёлок. Головки винтов часто имеют нестандартную форму: звёздочка, плюсик, вилы. Поэтому вам могут понадобиться соответствующие биты для отвёртки. Защёлки, в свою очередь, иногда очень сложно отсоединить и даже бывалые мастера порой их просто отламывают. Иногда углубления под крепёжные винты бывают закрыты наклейками, пластиковыми накладками или пластиковыми заглушками. Заглушки извлекаются с помощью острого предмета — например, ножа или иголки. При этом высока вероятность немного помять корпус и заглушки. Правда, фен от этого работать хуже не станет. Иногда половинки корпуса склеивают вместе. В таком случае приходится их разрезать ножом или скальпелем, а после ремонта склеить (например, эпоксидным клеем).
Пример разборки фена вы можете посмотреть в этом видео:
Видео: как разобрать и отремонтировать фен Scarlet
Типичные неисправности: ремонт своими руками
Рассмотрим наиболее часто встречающиеся неисправности фена:
Гонит холодный воздух
Возможные неисправности: перегорела спираль
Что делать:
Как правило, обрыв виден невооружённым глазом, даже без мультиметра. Есть несколько способов ремонта спирали:
- Можно поместить оборванные концы спирали в тонкую латунную или медную трубочку и обжать плоскогубцами.
- Спираль держится на каркасе из термостойких, не проводящих ток пластин. В такой пластине следует осторожно острым предметом сделать круглое отверстие диаметром примерно 2–3 миллиметра, вставить туда короткий болтик с шайбой, заправить под шайбу оборванные концы спирали и затянуть.
- Набросить один оборванный конец на другой.
- Оборванные концы можно просто скрутить вместе. Следует заметить, что третий и четвёртый способы менее надёжны, чем первые два. Дело в том, что при соединении оборванных концов набросом и скруткой отремонтированный участок спирали имеет повышенное сопротивление и поэтому перегревается и достаточно скоро перегорает в том же месте.
- Разобрать фен-донор (понятное дело, если он у вас есть) и взять оттуда.
- (не для каждого): можно намотать спираль самому. Где взять нихром? Например, заказать в Китае.
- можно купить уже готовую спираль. Чтобы найти нужную, введите в строке поиска вашего браузера >. Спирали бывают разной мощности и продаются в пакетиках по несколько штук.
Посмотреть примеры ремонта спирали можно в этих видео:
Видео: ремонт фена Viconte VC-372 (перегорела спираль)
Видео: где можно купить нихром
Не включается, т. е. не греется и не крутится вентилятор
Возможные неисправности: не подаётся напряжение, то есть проблема с кабелем питания
Как отремонтировать:
Сначала внимательно просмотрите кабель от сетевой вилки до корпуса: нет ли явных повреждений. Если есть, удалите повреждённый участок и спаяйте концы кабеля. Возможно, это все неисправности и фен заработает. Пример ремонта кабеля есть в вышеприведённом видео: Как разобрать и отремонтировать фен Scarlet.
Крыльчатка не крутится или крутится на низких оборотах
Возможные неисправности: неисправен двигатель или на его вал намотались волосы.
Если на ось электродвигателя намотались волосы, чтобы их убрать, придётся демонтировать крыльчатку. Также вам нужно будет снять крыльчатку, если вы собираетесь смазать вал двигателя или заменить его. Как это сделать, можно посмотреть в этих двух видео:
Видео: снимаем крыльчатку с фена
Видео: как снять вентилятор с моторчика фена
Также в некоторых случаях можно ухватиться пальцами за основание крыльчатки и, потянув, снять её.
Относительно проверки электродвигателя, автор считает, что лучшим способом — с точки зрения безопасности — является демонтаж двигателя и подключение его к подходящему блоку питания с защитой от короткого замыкания. Если двигатель не вращается, нужно проверить целостность обмоток мультиметром. При обрыве обмотки придётся покупать новый двигатель (хотя вы можете перемотать старый, но это, пожалуй, имеет смысл только в качестве развлечения). Если двигатель сильно искрит, вам также придётся покупать новый. Протирание спиртом в этом случае если и поможет, то ненадолго. Один из вариантов, где вы можете приобрести новый двигатель: заказать в Китае (ищите >).
Фены с функцией ионизации воздуха и инфракрасные аппараты
Фены с ионизацией — при включении этого режима — выделяют много отрицательных ионов, нейтрализуя положительный заряд на волосах, отчего они становятся гладкими и не пересушиваются. Для создания отрицательных ионов используется спецмодуль, размещённый в ручке фена. Провод, выходящий из этого модуля, расположен в области нагревателя. Воздух ионизируется, соприкасаясь с этим проводником.
Диагностировать исправность модуля ионизации без специальных приборов можно по косвенным признакам. Если вы перестали ощущать разницу при включённом и отключённом модуле ионизации — и вы убедились, что на модуль поступает нормальное напряжение питания — следовательно, модуль неисправен. Далее вам потребуется найти модуль на нужное напряжение и подходящий по габаритам. Ищите, опять-таки, в Китае.
Фотогалерея: примерный вид модулей ионизации
Инфракрасные фены сушат волосы не горячим воздухом, а инфракрасным излучением. Они довольно дорогие, относятся к категории профессиональных и сушат волосы значительно быстрее обычных фенов. Вместо нихромовой спирали в них используется инфракрасный нагревательный элемент (как в инфракрасных обогревателях). В остальном их конструкция сходная с конструкцией обычного фена.
Видео: инфракрасный фен h2d
Чтобы разобрать и починить фен, не нужно быть дипломированным специалистом. Достаточно знаний курса физики средней школы и наличия прямых рук, растущих из правильного места. Дерзайте и все у вас получится!
Напряженный режим использования сушилки для волос, а также возможные повреждения прибора в процессе эксплуатации обуславливают необходимость периодического ремонта мотора и расчески для укладки волос.
МОССЕРВИС предлагает услуги профессионального ремонта фенов для волос различных брендов и моделей:
- легкой степени — замена насадок, сетевого шнура, очистка и смазка отдельных деталей и узлов;
- средней степени — с полной разборкой устройства (заменой щеток электродвигателя, выключателя, диодов, сгоревших сопротивлений);
- сложный — замена электронагревателя, трансформаторов, электродвигателя, термопар.
Ремонт фена в Москве необходим при наличии запаха гари, искрения, отсутствии нагрева воздушной струи, слабом вращении вентилятора, а также если не работает расческа в фене и существуют другие проблемы с использованием устройства. Профессиональные специалисты способны грамотно устранить любую неисправность в течение короткого времени. Мастерская Моссервис не рекомендует производить ремонт бытовой техники своими руками, доверьтесь нашим профессиональным мастерам!
Прайс-лист по ремонту фенов**№Наименование видов работСтоимость услуг1Диагностика*600 руб.2Чистка, профилактикаот 600 руб.3Замена термопредохранителяот 1000 руб.4Замена крыльчаткиот 800 руб.5Ремонт нагревательного элемента (спираль/ головка)от 1000 руб.6Замена нагревательного элементаот 1200 руб.7Ремонт блока переключателейот 1000 руб.8Замена блока переключателейот 1200 руб.9Ремонт мотораот 800 руб.10Замена мотораот 1000 руб.11Ремонт электроникиот 1000 руб.12Ремонт электронного модуляот 1200 руб.13Замена электронного модуляот 1200 руб.
*диагностика входит в стоимость ремонта
*данное предложение не является публичной офертой
Почему мы?
Сервисный центр МОССЕРВИС предлагает услуги по ремонту бытовой техники по привлекательным ценам в Москве и области. Наши мастера используют в своей работе только оригинальные комплектующие и запчасти из Италии, США и Германии — Вы можете не сомневаться в качестве и надежности оказанных услуг, а так же в наших выгодных ценах.
Принимая решение отремонтировать расческу в фене для волос, заменить щетки электродвигателя и устранить другие поломки в МОССЕРВИС, Вы получаете гарантированно эффективный результат и оперативный выезд мастера на дом в любой день недели с 9 часов утра до 10 вечера. За 20 лет работы мы накопили огромный опыт в восстановлении различной бытовой техники и заняли позиции лидера в данной сфере. Заказывайте услугу онлайн или свяжитесь с нами по указанным на сайте телефонам. После осуществления ремонта бытовых прибором наш сервис дает гарантию на выполненные работы.
