Оргстекло для торцевой подсветки – красивое и практичное решение для дома, квартиры, офиса. Через полотно свет равномерно распространяется и преломляется. Таким образом, в помещении создается атмосфера уюта. Рисунок на стене выглядит органично не только выполняя декоративную функцию, но и освещая пространство в любое время суток.
Зачем нужна подсветка
В интерьере торцевую подсветку используют по нескольким причинам. Во-первых, она смотрится необычно, создавая рассеянный световой поток. Во-вторых, такое решение практично: удается организовать качественную подсветку, потребляющую минимум электричества. И финальный аргумент – сочетание эстетики и функциональности.
Торцевая подсветка способна обеспечить приятную атмосферу в доме
Подсветка полотен применяется в тандеме со следующими конструкциями:
- потолочными панелями;
- фальш-окнами или фреймлайтами;
- панелями кухонного фартука;
- полками;
- поручнями лестниц и т. д.
Фактически можно воплотить в реальность любую задумку.
Видео: «Профиль для торцевой подсветки»
Из этого видео вы узнаете, как сделать профиль для торцевой подсветки.
Особенности фальш-окон
Популярно сегодня оформление торцевой подсветки в сочетании с фальш-окном. Фреймлайт – панно, куда помещают плакат с иллюстрацией. Любой пейзаж, фото или картина обретают новый вид. Помимо декоративной функции, уникальное панно создает дополнительное освещение.
Конструкцию поставляют уже готовую, пользователю нужно вставить постер с изображением. Часто в качестве картинки используют имитацию вида из окна, разные пейзажи, фото.
Постер с легкостью можно в любой момент заменить. Летняя улица легко сменится на осенний парк или зимний лес. Фреймлайты удобны в использовании, так как оснащены клик-профилем. За счет этого верхняя часть отщелкивается и защитный модуль снимается. Также применяется вариант с конструкцией «Магнетик». В его системе для закрепления полотна используются магниты.
C помощью фальш-окна можно имитировать любой вид из окна, который вы захотите
Пошаговая инструкция
Оформление стекла для торцевой подсветки по силам любому домовладельцу. Об особенностях процесса по порядку:
- Из оргстекла вырезаем светового панно нужных размеров и формы. Для этого используем ножовку, электролобзик и пр.
- Края обрабатываем, в торце делаем выемку для светодиодных компонентов.
- Наносим рисунок на самоклеющуюся бумагу и приклеиваем к полотну.
- С помощью скальпеля вырезаем контур.
- Электрической дрелью по намеченной линии гравируем стекло.
Теперь нужно собрать схему. Берем светодиоды и припаиваем к их плюсовым выводам по резистору. Изолируем контакты термоусадками. С помощью акрилового клея крепим светодиоды в торцевые отверстия полотна. Чтобы проверить исправность системы, соединяем плюсы и минусы по жилам, присоединяем к держателю батарей.
В итоге получиться отличный ночной светильник, собранный самостоятельно.
Вы сможете сделать красивый светильник из оргстекла, если будете придерживаться инструкции
Материалы и инструменты
Решили самостоятельно делать торцевую подсветку? Позаботьтесь, чтобы все необходимое было под рукой:
- акриловое полотно;
- профиль из алюминия;
- светодиодная лента;
- небольшой блок питания на 12V.
Если панно должно располагаться в помещении с повышенной влажностью, нужна специальная лента. Рассматриваете фальш-окно как вспомогательный источник света? Тогда потребуется светодиодная лента с повышенной производительностью.
Из инструментов обычно используют ножовку, электрический лобзик, дрель, крепежные компоненты и пр.
Для работы светильника из оргстекла вам понадобиться блок питания на 12В
Подготовка акрила
Важно обеспечить равномерное освещение панели. Нам понадобится акрил высокого качества. Сбалансированное насыщенное свечение гарантируют диффузные компоненты. Они появляются в листах акрила при его специальной подготовке. Дома такую обработку выполнить невозможно, поэтому нужно приобретать уже готовое полотно, соответствующее всем параметрам. Толщину оргстекла определяют с учетом габаритов световой панели.
Торцы в акриловом полотне должны быть отполированы. В кусок, где нет светодиодных компонентов, наносим светоотражающий материал. При изготовлении акрил покрывается защитной пленкой. Она предотвращает повреждение полотна, перераспределение света. Удаляют пленку перед установкой конструкции в профиль.
Сборка профиля
В вашем распоряжении компоненты алюминиевого профиля. Нарезаем их по нужным размерам под углом в 45°. Затем соединяем части, используя уголки. Три стороны готовы, теперь по всей внутренней части устанавливаем светодиодные компоненты. Заранее присоединяем провода для обеспечения контакта с блоком питания. Адаптер на 12V способен обеспечить энергией ленту длиной до 5 м. К верхней части профиля привинчиваем как минимум 4 крепежа для дальнейшего монтажа на стену.
Профили из алюминия для фальш-окна нужно крепить под углом в 95°
Работы со световой панелью
Три стороны профиля собраны и закреплены светодиодные компоненты, начинаем установку световой панели. Нам нужен рефлектор – лист, отражающий свет. Заводим его в профиль. Также добавляем в конструкцию лист акрила, пленку с изображением, защитное покрытие. Полотно устанавливаем над светодиодными компонентами. Это способствует хорошему светорассеиванию. В конце крепим последнюю сторону профиля.
Важный нюанс: постер нужно печатать на бэклит-пленке – так достигается хорошее светопропускание. Чтобы конструкция стала более жесткой, в нее вставляют задник с достаточной толщиной.
Монтаж на стену
Световая панель готова, теперь нужно ее закрепить. К стене с помощью дюбелей монтируются крюки. Осталось навесить фальш-окно и подключить блок питания.
Применяя простые технологии, удастся собственными силами оформить современный дизайн в любом помещении. Торцевая подсветка акрила создаст атмосферу уюта, при необходимости выполнит практичную функцию.
Привет всем! В этом мастер-класс я собираюсь показать вам, как я сделал удивительный цветной светодиодный светильник из акрилового стекла и дерева. Это очень современная и оригинальная конструкция, которая отлично впишется хоть в вашу спальню, хоть в дорогой офис.Также вы можете посмотреть полное видео в конце статьи, где вы можете найти более подробную информацию о том, как я сделал этот светильник.Итак, давайте начнем!Материалы которые понадобятся:
- Деревянные бруски — купите в местном магазине или на пилораме.
- Акриловое стекло можно купить в местном хозяйственном магазине.
- RGB светодиодная лента с контроллером — .
- Эпоксидная смола.
Инструменты:
- Дремель высокой эффективности роторный.
- Бесшнуровое сверло.
- Паяльник.
- Стриппер.
- Лобзик.
- Металлическая линейка.
- Ножницы.
Резка дерева и акрилового стекла в размер



Для этого проекта я решил использовать твердое дерево. У меня был небольшой кусочек, толщиной 20 мм в моей мастерской, который идеально подходит для этой цели.Акрил, который я использовал, был толщиной 5 мм, и я думаю, что это идеальное сочетание с деревом.Основание светильника составляет 16 на 9 см.Верхняя фигура, размещенная вертикально основанию из акрила имеет размеры — 28 на 14 смМой опыт при резке акрила показал мне, что при медленном перемещении поперечных салазок, акрил плавиться, поэтому нужно двигать быстрее, чтобы получить чистые разрезы.
Чертеж конструкции верхней части светодиодной лампы




Теперь мне нужно сделать дизайн верхней части этой лампы. Я хочу сделать современный и чистый дизайн, который будет соответствовать моей комнате.Я прочертил его контур карандашом и вырезал форму с помощью ножниц.Потом я нарисовал несколько линий с помощью линейки. Узор состоит из полосок с одинаковой ширины, но разной длины.Затем я сделал все порезы, а рисунок переведен на акрил.
Гравировка рисунка



Настало время воспользоваться инструментом для гравировки.Гравер с гибким валом это отличный выбор для этого дела.Чтобы сделать идеально ровные линии я использовал металлическую линейку. Гравером выгравирую рисунок на стекло.Далее отрезал лобзиком ненужные части.
Сверление отверстий в средней части древесины для светодиодов



Теперь я могу перейти на основание светильника.Размечаем середину деревянного бруска.На дрель я прикрепил 35 мм сверло для отверстий и просверлил отверстие для светодиодов.Не повредите свой стол при сверлении — подложите деревяшку.
Делаем паз на верхней части основания





Для выгравированного акрилового куска мне нужно сделать паз на верхней части основания светильника. Я прочертил контур акриловый карандашом, поместив его вертикально посередине.Лучший способ, чтобы сделать паз просверлить как можно больше отверстий внутри контура, а затем удалить излишки при помощи напильника.Прямо под акрил я поставлю светодиоды, но мне нужно сделать для них больше места. Итак, паз получился 10 мм шириной и 4 мм глубиной.
Делаем отверстие в нижней части основания для контроллера





Контроллер будет размещен в нижней части основания. Он довольно большой, но у меня не было поменьше, а значит, мне нужно найти способ, чтобы вставить его в нижнюю часть дерева.Я только использовать горячий клей, чтобы закрепить его.Чтобы сделать квадратное окошко под контроллер я просверлил отверстие 12 мм в диаметре, а потом вставляют лобзик в отверстие. Выпилил окошко и подровнял напильником.Еще одна вещь, которую мне нужно сделать, это просверлить 2 отверстия на задней стороне внизу. Это будут отверстия для адаптера и инфракрасного приемника. Так как контроллер у меня с пультом дистанционного управления.
Светодиодная лента


Я использовал цветную RGB светодиодную ленту. Длины 50 см вполне достаточно, поэтому я взяла ножницы и аккуратно разрезаем вдоль обозначенной линии, между медными контактными площадками.Перед тем как положить все части вместе, я снял защитную пленку с акрила.
Сборка светодиодного светильника





Я начал сборку с приклеиванием светодиодов в паз.Затем перешел на другие предметы, и приклеил их эпоксидной смолы.Клей на эпоксидной основе хорошо склеивает акриловое стекло с деревом, так что я рекомендую вам использовать именно его.После всех манипуляций зажимаем основание струбциной и ждем высыхание всей конструкции.
Шлифование и окрашивание основания




Временно я разместил светодиоды внутри основания, и покрыл их малярным скотчем, чтобы пыль не попала.Далее проходимся шлифовальной бумагой мелкой зернистости.Поверхность готова к окрашиванию, поэтому я наношу прозрачный лак (шеллак), чтобы подчеркнуть красоту древесины бука. Это самая приятная часть всего проекта.
Установка контроллера



Все работает правильно, поэтому я могу посадить контроллер на горячий клей.


Теперь я могу наслаждаться красотой этой красивой конструкции. Эта лампа является очень простой и в тоже время очень современной.Это был очень интересный и увлекательный процесс создания светильника. Я надеюсь, что эта подробная инструкция позволит Вам сделать свой собственный светильник своими руками. В продолжении всего сказанного рекомендую посмотреть видео инструкцию по изготовлению и испытанию светильника.
Кажется, независимо от количества ламп и светильников в помещении, углы на потолке всегда остаются темными. Этот факт никак не давал мне покоя во время ремонта в одной из комнат. После беглого изучения картинок в интернете, я понял, что больше всего мне понравилась дизайнерский угловой светильник Питера Бристоля (Peter Bristol). Он был изготовлен для компании Established & Sons и стоил целых 900$!
Поискав еще немного, нашел попытки изготовить подобный светильник самостоятельно, но информация была не полная, без каких-либо инструкций.Я решил взять дело в свои руки и сделать собственный угловой светильник.

Эта лампа состоит из 3-х основных компонентов: треугольного каркаса из фанеры, недорогой лампы со шнуром и кусочка прозрачного акрила (оргстекла). Эта лампа проста в изготовлении, хотя и потребует некоторой сноровки. Вам потребуется ручной электроинструмент, а если есть настольная пила, то это намного все упростит.

Готовы? Давай сделаем её!
Шаг 1: Чертеж треугольника


Необходимо начертить на куске фанеры равносторонний треугольник. Как видно на фото я использовал цифровой угломер , но это можно сделать при помощи обычного транспортира (каждый угол должен быть 60°).Размер треугольника должен быть достаточно большим чтобы туда поместилась лампа с цоколем.У меня каждая сторона треугольника 61см.
После того как начертил треугольники, нарисовал еще один с отступом внутрь 2 см (внутренний контур).
Шаг 2: Вырезаем по внешнему контору



Используя внешний контур в качестве ориентира вырезаем треугольник из фанеры. Я делал пропилы под 45° при помощи настольной циркулярной пилы. Можно сделать точно также при помощи ручного электроинструмента, правда это займет больше времени и качество реза пострадает, придется дорабатывать напильником.

Шаг 3: Вырезаем лобзиком

На этом этапе необходимо удалить внутреннюю секцию треугольника.
Используйте сверло большого диаметра чтобы сделать входные отверстия для лобзика. Я просверлил отверстия возле каждого угла.
Используйте одно из просверленных отверстий, чтобы начать резку. Пилите как можно ближе к линии карандаша, пока не дойдете до следующего отверстия. Затем повторите тоже самое для 2-х других сторон треугольника.
Шаг 4: Убираем внутренние углы

Шаг 5: Крепежные отверстия

Чтобы закрепить на стене раму углового светильника, необходимо подготовить крепежные отверстия.
Я нашел несколько длинных шурупов и подобрал сверло, соответствующее их диаметру. Раму закрепил скошенной стороной вниз, как она будет на стене и просверлил отверстия (снаружи).

Сделал зенковку чтобы головки шурупов спрятались в раму при монтаже.
Шаг 6: Прозрачный акрил

Для того чтобы скрыть лампочку и рассеять свет был использован кусок прозрачного акрила. Вы спросите почему я не использовал молочный акрил? Дело в том, что его поверхность будет глянцевой и он будет «слишком» не прозрачным, но тут дело вкуса.Из акрила вырезаем треугольник таким образом чтобы он заходил на раму на 10-15мм со всех сторон.

Оргстекло, которое вы найдете скорее всего будет в защитной пленке, её необходимо удалить. Не бойтесь поцарапать акрил. На следующем шаге станет ясно почему.
Шаг 7: Шлифовка акрила

Для того чтобы рассеять свет прозрачный акрил необходимо сделать матовым. Я использовал шлифмашинку с наждачной бумагой №120 (можно ошкурить руками). Равномерно обработал оргстекло с двух сторон.

Финишную обработку сделал 180-ой шкуркой.
Шаг 8: Крепление магнитов


Чтобы закрепить оргстекло к деревянной раме и сделать его съемным, ведь надо же иногда менять лампу, я использовал неодимовые магниты (они на много сильнее обычных) размером 5ммх1,5мм.
Положите акрил на раму, так как он должен быть размещен. Сделайте небольшие отметки углов на раме, вдоль боковой поверхности акрила.
После этого проделайте НЕ сквозное отверстие в акриле, чтобы подготовить ложемент для магнита. Диаметр отверстия слегка больше диаметра магнита.

При помощи секундного клея или эпоксидной смолы вклейте магниты в свои места на акриле.
Шаг 9: Ответная часть


Чтобы магнитам было за что ухватиться, я вкрутил металлические винты с плоской головкой.
Для этого я положил наш кусок акрила на раму и отметил места установки магнитов на раме. Чтобы оргстекло плотно прилегало к раме я сделал отверстия так что головка винта будет спрятана в раме.

Закручивайте винты деликатно, так как рама светильника довольно нежная.
Шаг 10: Электрика


Перед тем как закрепить светильник на стене, подготовьте полость для шнура питания в задней части рамы. Я использовал кабель в декоративной тканевой оплетке. Он показался мне довольно симпатичным и дешево стоил в местном магазине.
Отметьте где будет располагаться шнур, затем аккуратно вырежьте полость любым удобным вам инструментом.

Шаг 11: Крепление рамы к стене


Расположите раму так чтобы все стороны плотно прилегали к стенам. Конструкция светильника такова, что он встает в угол только определенным образом, так что вы ничего не перепутаете.

Патрон от лампы тоже необходимо прикрепить к стене так как он будет держать вес шнура. Поскольку в углу на потолке у нас получается небольшое замкнутое пространство, предпочтительнее использовать светодиодную лампу, а не лампу накаливания.
Шаг 12: Наслаждайтесь!



При помощи магнитов акрил практически сам встанет на место.Когда включите лампу, углы будут красиво подсвечиваться!
P.S. Я сделал два таких светильника, один с красным шнуром другой с белым. Думал, что белый будет менее выделятся на фоне стены. В итоге мне больше понравилось, что красный шнур выделяется на стене.
Со значительным подорожанием электрической энергии потребители стали все чаще задумываться о замене стандартных источников освещения светодиодными, которые помогают значительно сократить расходы на электричество. Но еще не каждый может позволить себе приобрести достаточно дорогостоящие светильники, выполненные на светодиодах. В результате народные умельцы научились делать такие светильники самостоятельно в бытовых условиях.
В этой статье:
Что собой представляют осветители со светодиодными элементами
Светодиоды — это электронные полупроводниковые устройства, которые излучают световой поток после прохождения через них электротока. На рынке светотехнического оборудования такие приборы освещения появились примерно 15 лет назад и сразу завоевали огромную популярность. Но были доступны не всем, так как очень дорого стоили. Сегодня цена такого светового оборудования тоже довольно высокая, но уже в разы меньше.
Сегодня такие устройства освещения представлены на рынке в широком ассортименте. Разные модели отличаются размерами, формой, мощностью, предназначением, дизайнерским оформлением, цветовыми оттенками. Отдельно можно приобрести и комплектующие для изготовления светотехнического оборудования своими руками в домашних условиях. Если придерживаться пошаговой инструкции по изготовлению светодиодного светильника для дома, то, чтобы его сделать, необязательно быть опытным радиолюбителем.
К сведению! Самые простые устройства способны работать от напряжения всего в 3-5 В (мощность стандартной батарейки). Конечно же, такой светильник годится для эксплуатации только как фонарик или для подсветки, к примеру, домашних цветов. Как же сделать более серьезную осветительную светодиодную систему?
Конструктивные особенности, принцип работы светодиодного оборудования
Перед тем как начать самостоятельно изобретать светодиодный прибор освещения, рекомендуется разобраться в его конструкции и принципе работы.
- Диод представляет собой полупроводниковый элемент, который пропускает через себя электрический ток в одном направлении. В процессе рекомбинации электронов происходит образование энергии и излучение фотонов, в результате чего выделяется световой поток, тепло.
В светодиодном устройстве отвод тепловой энергии — это основной нюанс, на который необходимо обращать внимание при самостоятельной сборке светильника, так как повышенная температура может послужить причиной преждевременного выхода из строя самодельной конструкции. Поэтому обязательным элементом конструкции такого светотехнического устройства является радиатор охлаждения.

Самая простая конструкция радиатора представляет собой подложку, изготовленную из алюминия, непосредственно на которой размещаются светодиодные элементы. Но этого недостаточно для полноценного теплового отвода в оборудовании с более чем тремя полупроводниками. Для таких осветительных устройств предусмотрены специализированные стальные конструкции радиаторов. В бытовых устройствах им является сам корпус люстры.
Лед-изделие комплектуется не только радиатором. В его конструкцию также входят рассеиватель и отражатель светового потока, которыми вполне могут быть линза и рефлектор. Светодиодные элементы чаще всего производят в уже готовой сборке.
Важно! Чтобы осветитель не раздражал органы зрения достаточно ярким излучением света, рекомендуется дополнительно накрывать корпус изделия матовой колбой.
Сборка светодиодного осветителя своими руками
Прежде чем собирать прибор освещения, нужно проверить светодиоды на работоспособность, измерить сетевое напряжение.
Также важно понимать, что в случае неверного подсоединения отдельных элементов схемы может произойти взрыв. Обычно неправильная сборка устройства заключается в некачественной спайке составляющих.

При проведении измерений падения токового напряжения светодиодного источника рекомендуется пользоваться специальным измерительным устройством — мультиметром. Чаще всего для подобных самодельных конструкций берется напряжение 12 В.
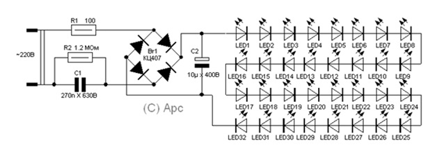
В нашем случае светодиодная конструкция рассчитана на 220 В сети переменного тока.
К сведению! Высокая светоотдача на диодах достигается при токе 20-25 мА. Дешевые элементы будут излучать неприятный световой поток голубоватого цвета, который при этом негативно влияет на органы зрения. Рекомендуется дополнительно использовать красные светодиоды (к примеру, на 10 белых 4 красных).
Схема сборки LED-светильника
Схема достаточно простая. Она была разработана для питания светодиодных элементов непосредственно от сетевого напряжения, без применения дополнительного источника питания.
Важно! Недостаток подобной схемы — все входящие в нее составляющие не изолированы от сети, соответственно, осветитель не имеет защиты от поражения электротоком. Поэтому при сборке оборудования необходимо быть предельно осторожными. Но впоследствии можно будет произвести изоляцию.

Комплектующие детали для сборки прибора
- Для защиты электросхемы от перепадов напряжения используется резистор (сопротивление 100 Ом). Если такой отсутствует, тогда рекомендовано использовать модный диодный выпрямительный мост.
- Для ограничения силы электрического тока, нужной для нормального функционирования светодиодных элементов, предназначен конденсатор 400 нФ. Если нужно, можно добавить еще диоды. Потребление тока в сумме не должно выходить за установленные конденсатором пределы. Важно убедиться, что применяемый конденсатор для электрической схемы рассчитан на напряжение от 350 В (данный параметр должен превышать сетевое напряжение в 1.5 раза).
- Для обеспечения стабильного свечения без мигания светового потока используется конденсатор 10 мкФ. Напряжение данного элемента должно быть больше напряжения светодиодов, соединенных последовательно в цепи, в процессе эксплуатации.
Пошаговая инструкция по сборке основания для светодиодного осветителя
- Разбираем осторожно лампу или торшер, чтобы не нанести повреждение цоколю. Очищаем его, при помощи спиртосодержащего раствора обезжириваем поверхность. Особенное внимание стоит уделить зачистке отверстия (убирается лишний припой, производится обезжиривание). Эти процедуры обязательны для дальнейшей качественной пайки элементов цоколя.
- Вставляем в цоколь резистор (100 Ом), два конденсатора (каждый 220 нФ, 400 В).
- С помощью обычного паяльника припаиваем крохотный выпрямитель и диодный мост, который был приготовлен заранее. Все поверхности обрабатываем, но аккуратно, чтобы не повредить уже вмонтированные компоненты.
- Проводим изоляцию конструкции. Для этих целей подойдет монтажный клей из пистолета, поливинилхлоридная трубка. Но рекомендуется использовать специальное изолирующее средство, которое заполнит все пустое пространство между компонентами, при этом лучше их зафиксирует на месте.

Основание для будущего осветительного прибора готово!
После проведенных манипуляций можно приступать непосредственного к сборке самого светильника на энергосберегающих светодиодах.
Инструкция по монтажу светодиодных элементов
- За основание берем монтажную плату, которую можно приобрести в любом магазине радиоэлектронных товаров. Можно разобрать какой-нибудь старый электротехнический прибор, непригодный к эксплуатации (в данном случае плату нужно очистить от ненужных элементов).
- Важно! Предварительно каждую плату проверяем на работоспособность, чтобы наша работа была проделана не зря. Особое внимание стоит уделить светодиодным контактам, при необходимости производим их дополнительную зачистку, после чего зауживаем.
- Далее собираем конструктор: припаиваем четыре предварительно подготовленные платы к конденсатору, изолируем всю конструкцию специальным средством. Осуществляем проверку качественного соединения между собой отдельных диодов.
- Платы должны быть расположены друг от друга на одинаковом расстоянии. Это необходимо для равномерного распределения освещения в процессе работы осветительного устройства.
- Подпаиваем конденсатор 10 мкФ без дополнительных проводов, резистор 100 Ом (к любой плате). Производим изоляцию всех контактов.
- Изделие готово! Проверяем работоспособность.
Оргстекло в последнее время нашло широкое применение в разных отраслях жизнедеятельности. Из него изготовляют перегородки в офисах, рекламную продукцию, аквариумы и другие предметы декора. С этим материалом легко работать в домашних условиях. Приобрести его можно в любом торговом отделе стройматериалов.
Хорошее освещение в доме играет не последнюю роль в любом дизайнерском решении. Оригинальным украшением вашей квартиры может стать светильник, изготовленнный из оргстекла своими руками. Немного фантазии, усидчивости — и ваша комната заиграет новыми красками.
Как самостоятельно изготовить оригинальный светильник?
Если определились с идеей изготовления, то пора приступать к работе. Для изделия необходим сосуд из органического стекла. Понадобятся инструменты: дисковая пила, ножницы, карандаш. Запаситесь копировальной бумагой, трафаретом, краской. Нужны также патрон и провод с выключателем.

Мнение эксперта
Иван Зайцев
Специалист по освещению, консультант в отделе строительных материалов крупной сети магазинов
Задать вопрос эксперту
Трафарет можно купить, а можно сделать самим. В сети достаточно много разнообразных вариантов, стоит выбрать понравившийся и распечатать. Скопировать трафарет нужно на виниловую бумагу с помощью копировальной бумаги. Вырезать трафарет по нанесенному узору, снять защитную пленку и приклеить на оргстекло. Приклеивание требует аккуратности, поверхность должна быть чистой и сухой.
Следующий этап в работе — покраска оргстекла. Лучше краску наносить из распылителя: слой за слоем. Количество слоев определяется визуально, в зависимости от качества нанесения. Краску лучше выбрать в тон домашнему интерьеру.
Краска должна хорошо просохнуть, суток бывает достаточно. Снимать трафарет нужно осторожно, не поцарапав покрашенную поверхность. Можно в качестве материала для светильника использовать плексиглас, который бывает как прозрачным, так и различной цветовой гаммы. Тогда в домашних условиях покраски не потребуется.
Остается присоединить патрон и провод с выключателем, проверить, как светильник работает.
Настольный светильник или торшер, кроме украшения трафаретом, можно декорировать и фотографиями. Красивые пейзажи, городские улочки создадут неповторимый облик изделия. А детские фотографии, семейный отдых и торжества будут напоминать о счастливых моментах. Такой светильник из оргстекла никого не оставит равнодушным. А как приятно получить его в подарок! Фото друзей, родителей, внуков с бабушками и дедушками — все, что угодно вашей фантазии!
Маленькие хитрости в изготовлении
- Любимые фотографии нужно напечатать на принтере, используя специальную бумагу. Бумага не должна быть очень плотной, так как она должна пропускать достаточно света.
- Вырезать полученные снимки и зафиксировать их на прозрачной пленке.
- Прикрепить к рамке светильника вырезанный лист органического стекла, зафиксировать на нем пленку с фото, затем положить сверху еще оргстекло.
- Скрепить все элементы винтами, выступающие края пленки обрезать.
Кроме напольных и настольных светильников, можно изготовить своими руками и потолочную люстру. Дополнительно только нужно предусмотреть специальные крепления. Для оформления подойдет декоративная нить, лучше льняная. Выбрать соответствующего цвета в тон светильнику или интерьеру. Оригинально она будет смотреться в плетении.






Оргстекло для изготовления светильников можно приобрести в магазинах стройматериалов. Его удобно обрабатывать в домашних условиях. Материал легко распиливается циркулярной пилой. Лучше пилить на средней скорости, чтобы от перегрева не оплавить. Сверлить его можно обычными сверлами. Рекомендуется под стекло при сверлении подложить фанеру, чтобы предотвратить растрескивание.
При отсутствии необходимого инструмента дома можно нарезать в магазине на нужные детали по форме и размеру.

Источник света своими руками готов. Остается любоваться результатами работы. Оригинальное изделие декора не оставит никого равнодушным.
